EasyManua.ls Logo

Sony KDL-40D340 - Page 77

Sony KDL-40D340
136 pages
Print Icon
To Next Page IconTo Next Page
To Next Page IconTo Next Page
To Previous Page IconTo Previous Page
To Previous Page IconTo Previous Page
Loading...
- 85 -
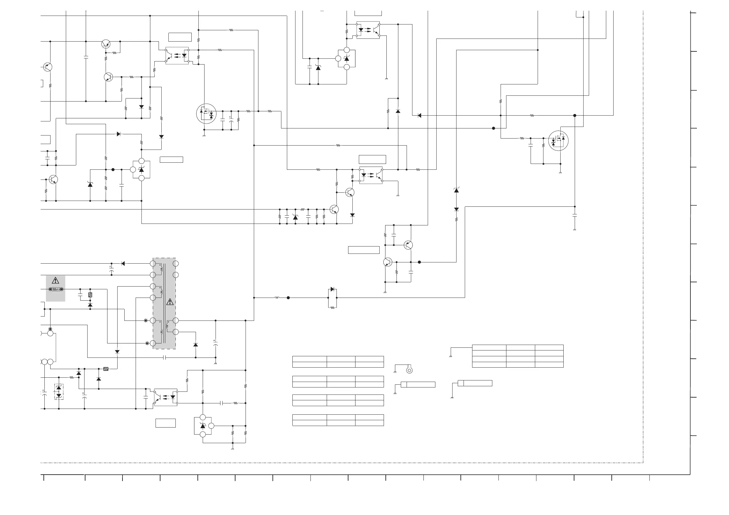
~ G3 Board Schematic Diagram [ Power Supply ] Page 1D/1 ~
11
21
22
R
Q
P
EE
FF
S
T
U
V
W
X
Y
Z
AA
BB
CC
DD
20
18
19
17
15
16
14
12
13
1/10W
RN-CP
10k
R6429
5%
EY6202
1/10W
RN-CP
1k
R6434
5%
1/10W
RN-CP
10k
R6310
5%
GND_1
GND_1
D6202
XX
1/10W
RN-CP
10k
R6309
5%
GND_1
1/10W
RN-CP
5%
10k
R6413
JL6250
EY6200
1/10W
RN-CP
0.5%
220k
R6302
RN-CP
10k
R6305
1/10W
5%
10ERB20-TB3
D6204
PC123Y22JOOF
PH6300
1
23
4
1W
RS
100k
R6202
JL6402
1/10W
RN-CP
10k
R6408
5%
1/10W
RN-CP
R6317
5%
4.7k
0W
-CP
300
%
5k
JL6400
1
CN6001
ƒtƒ@ƒXƒgƒ“
1/4W
FPRD
2.2
R6203
EY6204
EY6201
GND_1
1/10W
RN-CP
1k
R6319
5%
1/10W
RN-CP
4.7k
R6311
0.5%
10ERB20-TB3
D6203
1/10W
RN-CP
5%
10k
R6416
5
43
OLP
VCC DRAIN
1/10W
RN-CP
R6316
5%
10k
EY6203
50V
100
C6205
PC123Y22JOOF
PH6301
1
23
4
GND_1
1/10W
RN-CP
5%
1k
R6433
2SA1364-T111-1DE
Q6303
1/10W
RN-CP
0.5%
39k
R6303
GND_1
1/10W
RN-CP
0.5%
5.6k
R6201
1/10W
RN-CP
5%
4.7k
R6315
1/10W
RN-CP
0.5%
4.7k
R6304
1/10W
RN-CP
10k
R6430
5%
47k
R6312
1/10W
RN-CP
0.5%
1/10W
RN-CP
R6301
5%
10k
PC123Y22JOOF
PH6200
1
23
4
1/10W
RN-CP
5%
22k
R6415
E
ET6003
DIPƒA [ƒX’[ q”Â
3
1
2
MM1431ATT(CN)
IC6301
3
1
2
MM1431ATT(CN)
IC6300
R6308
XX
R6307
XX
1
GND_2
R6314
XX
CHIP
R6313
0
50V
1000p
C6206
B
1608
XX
C6022
1608
16V
0.1
B
C6410
50V
1000p
B
C6302
1608
1608
50V
1000p
B
C6305
608
6V
B
301
.1
1608
25V
B
C6403
0.01
630V
0.001
C6203
PP
1608
25V
B
C6402
0.01
1/2W
RF
10
R6200
JL6300
16V
470
C6250
D6200
XX
TMP
XX
R6417
R6432
XX
CHIP
R6435
0
CHIP
D6306
XX
D6302
XX
XX
MA111-TX
D6401
MA111-TX
D6303
MA111-TX
D6304
MA111-TX
D6402
D6305
XX
3
1
2
MM1530ATT
IC6250
1/10W
RN-CP
0.5%
6.8k
R6255
GND_1
50V
2.2
C6202
50V
3.3
C6204
1608
16V
0.1
B
C6251
1
2
610
8
14
9
3
4
15
T6200
D1NS4-TR2
D6250
1/10W
RN-CP
5%
3.3k
R6251
1/10W
RN-CP
5%
1k
R6250
1/10W
RN-CP
0.5%
10k
R6254
1/10W
RN-CP
*R6253
0.5%
47k
1/10W
RN-CP
5%
47
R6252
GND_1
C6412
XX
S
Q6407
INK0001AC
1608
10V
0.47
B
C6411
1608
50V
B
C6307
1000p
XX
R6323
1/10W
RN-CP
R6404
5%
22k
RN-CP
100
R6405
1/10W
5%
RN-CP
R6321
1/10W
0.5%
47k
1/10W
RN-CP
R6327
5%
10k
1608
10V
B
C6306
0.47
MA111-TX
D6308
1/10W
RN-CP
R6320
0.5%
220k
1/10W
RN-CP
5%
220k
R6326
1/10W
RN-CP
0.5%
56k
R6325
PC123Y22JOOF
PH6302
1
23
4
1/10W
RN-CP
5%
R6324
10k
1/10W
RN-CP
1k
R6437
5%
1/10W
RN-CP
4.7k
R6438
5%
1/10W
RN-CP
22k
R6436
5%
GND_1
Mount Mecha
263406621
A6015
D6152,D6153
MA8150-TX
D6400
2SC3052EF-T1-LEF
Q6301
2SC3052EF-T1-LEF
Q6304
2SC3052EF-T1-LEF
Q6305
ISA1235AC1TP-1EF
Q6405
2SC3052EF-T1-LEF
Q6406
2SC3052EF-T1-LEF
Q6306
02
10uH
L6250
D6307
XX
C6408
1608
10V
B
1
1608
25V
0.1
B
C6304
XX
R6401
05NU42-TPA2
D6201
Mount Mecha
410314301
A6002
Mount Mecha
410314301
A6003
D6405
XX
S
INK0001AC
Q6403
MA111-TX
D6206
1
CN6004
XX
ƒtƒ@ƒXƒgƒ“
GND_1
RB551V-30TE-17
*D6251
XX
1608
CHIP
*R6256
0
Mount Mecha
410314301
A6004
Mount Mecha
410314301
A6005
XX
JL6401
69
2
4
1
10
16
POWER ON
STBY FB
PFC @ OVP
PFC_DET
PROTECT
3
15
8
12
11
OTP
2 Ÿ‘¤ PROTECT
AC DET
STBY’â ~‚Å•œ‹A
AC 50 ` 60VˆÈ ã‚Å H
PFC oÍ 470V ‚Å“® ì
14.75VƒcƒFƒi [
G3
COMPONENTS MARKED AS XX REFER TO PARTS LIST, WILL ONLY BE LISTED IF FITTED
1D/2
G3.-WAX3F
www.freeservicemanuals.info
5/3/15
Digitized in Heiloo, Holland.

Table of Contents

Related product manuals