EasyManua.ls Logo

Sony MDM-X4 - Schéma Fonctionnel

Sony MDM-X4
194 pages
Print Icon
To Next Page IconTo Next Page
To Next Page IconTo Next Page
To Previous Page IconTo Previous Page
To Previous Page IconTo Previous Page
Loading...
64
F
Informations complémentaires
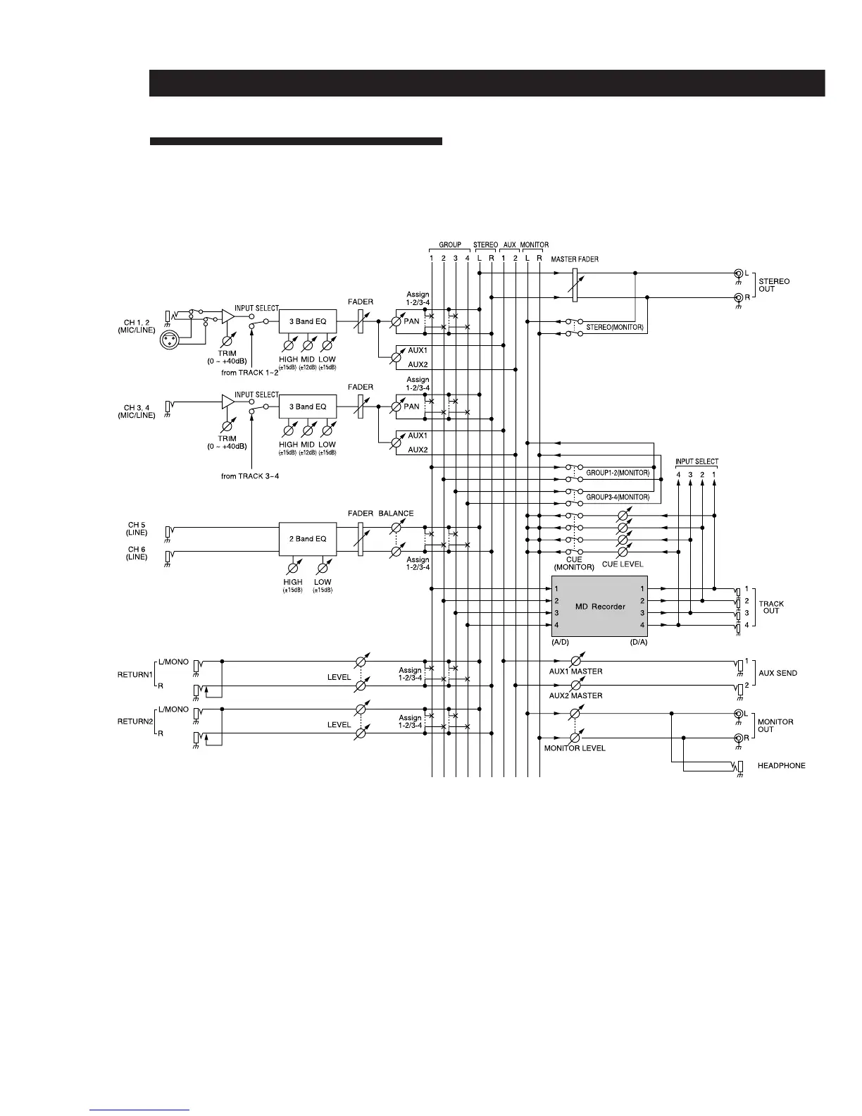
Schéma fonctionnel
Le schéma fonctionnel pour cet appareil est montré ci-
dessous
to CHANNEL

Table of Contents

Related product manuals