EasyManua.ls Logo

Sony PMC-D305 - Page 48

Sony PMC-D305
75 pages
Print Icon
To Next Page IconTo Next Page
To Next Page IconTo Next Page
To Previous Page IconTo Previous Page
To Previous Page IconTo Previous Page
Loading...
– 72 –
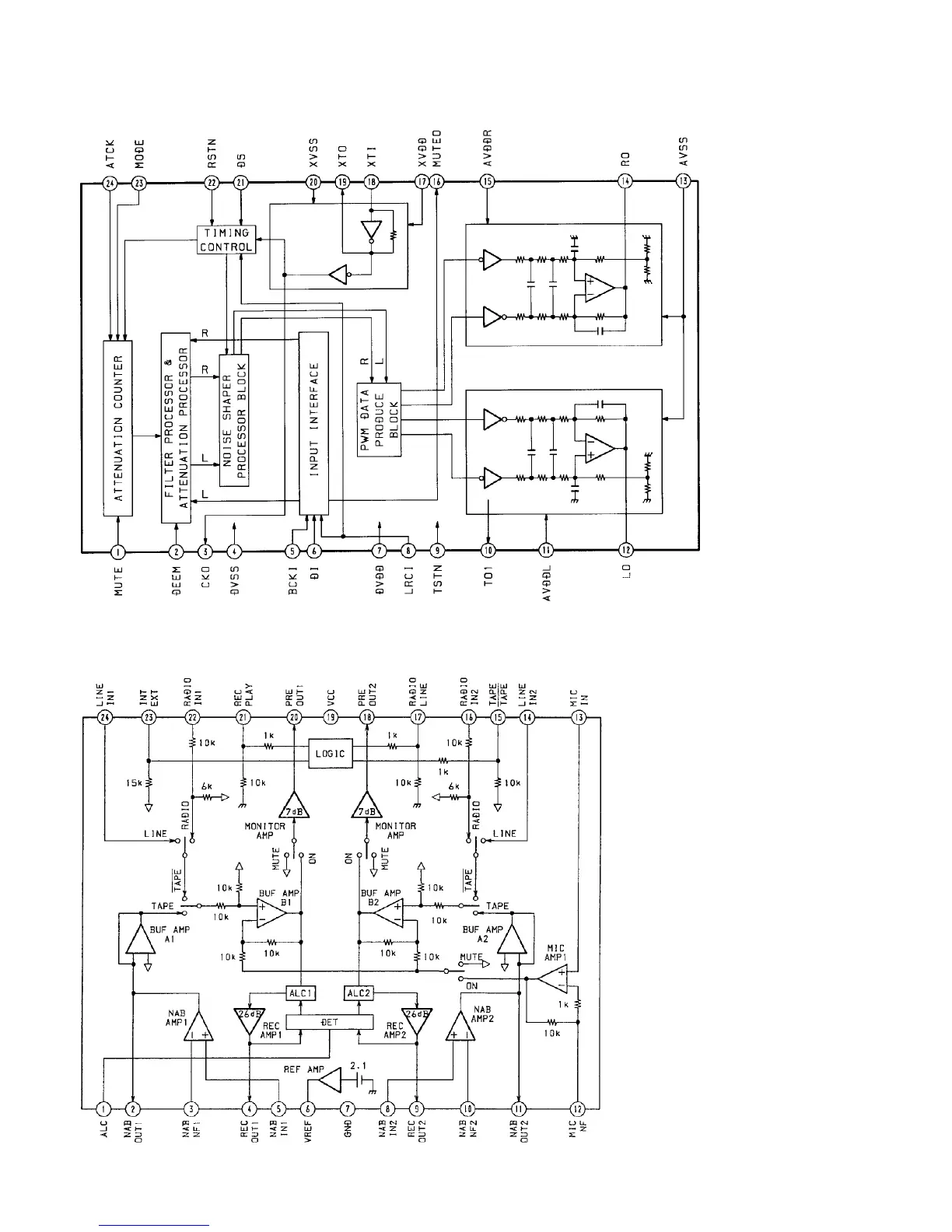
IC704 SM5877AM
– MAIN Section –
IC301 TA2068N

Other manuals for Sony PMC-D305

Related product manuals