EasyManua.ls Logo

Sony RM-IP10 - Turning on the Power

Sony RM-IP10
27 pages
Print Icon
To Next Page IconTo Next Page
To Next Page IconTo Next Page
To Previous Page IconTo Previous Page
To Previous Page IconTo Previous Page
Loading...
Connections and Operations
Turning on the Power
17
GB
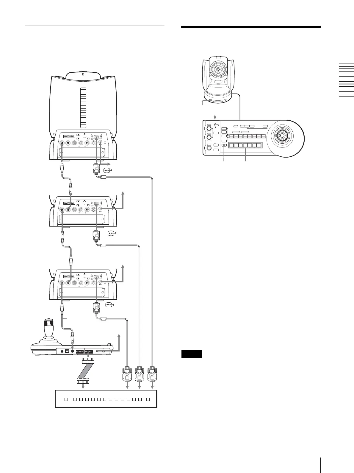
Connecting a video switcher
Use a commercially available contact-control type video
switcher to switch between the multiple camera signals
to be output.
For connection with a video switcher, refer to the
Operating Instructions of the switcher.
Turning on the Power
1
Connect the camera to an AC outlet.
The power of the camera is turned on and the
POWER lamp lights.
The camera will automatically pan, tilt, and be reset
to the position stored in POSITION 1 (Pan/tilt reset
action).
2
Press the 1 switch on the unit to turn it on.
When the unit is turned on, buttons and indicators
flash as follows:
Yellow (1 second) t Green (1 second) t Red (1
second) t The GROUP/POSITION button that
was selected when the unit was turned off last (with
the upper or lower indicator beside of the SHIFT
button and GROUP indicator) and the CAMERA
button (2 seconds)
Then, the CAMERA button representing the
camera whose power was turned off last, lights.
(CAMERA 1 button lights by default.)
When connecting over a LAN, the unit starts with
the last camera group is selected.
3
Turn on the peripheral devices.
Notes
Be sure to turn on the power of the camera before the
power of this unit. Otherwise, the unit cannot
recognize the connected camera.
Do not touch the joystick when turning on the power
of the unit. Doing so may affect the confirmation of
the origin.
RGB/COMPONENT
VISCA RS-422
1 2 3 4 5 6 7 8 9
EXT SYNC IN
IR SELECT
75
1 2 3
OFF ON HD SD
IN VISCA RS-232 OUT SDI OUT
DC IN 12V
R
VIDEO S VIDEO
RGB/COMPONENT
VISCA RS-422
1 2 3 4 5 6 7 8 9
EXT SYNC IN
IR SELECT
75
1 2 3
OFF ON HD SD
IN VISCA RS-232 OUT SDI OUT
DC IN 12V
R
VIDEO S VIDEO
RGB/COMPONENT
VISCA RS-422
1 2 3 4 5 6 7 8 9
EXT SYNC IN
IR SELECT
75
1 2 3
OFF ON HD SD
IN VISCA RS-232 OUT SDI OUT
DC IN 12V
R
VIDEO S VIDEO
MODE
VISCA
1919
RS-422
TALLY/CONTACT
RS-232C
!
DC 12V
LAN
Third to seventh
BRC-H900
to the AC adaptor
VISCA
RS-232C IN
RS-232C cable
(commercially
available)
VISCA RS-232C
OUT
Second
BRC-H900
First
BRC-H900
VISCA RS-232C
to
CONTACT
TALLY/CONTACT (For
details, see the
explanation of ea DIP
1 switch 4 and 5 on
page 9.)
RGB/ COMPONENT
Video switcher (commercially available)
VISCA
RS-232C IN
VISCA RS-232C
OUT
to RGB/
COMPONENT
VISCA
RS-232C IN
to component video input
Connecting cable with D-sub 15-pin connectors (commercially available)
Connecting cable with D-sub 15-pin connectors
(commercially available)
to RGB/
COMPONENT
to the AC adaptor
(supplied)
to the AC adaptor
to the AC
adaptor
RS-232C cable
(commercially
available)
RS-232C
cable
(commercially
available)
1
LOCK
JOYSTICK
KNOB
MODE
VALU E
RESET
POSITION
GROUP
MENUGROUP
PRESET
SHIFT
BLACK
LIGHT
PAN-TILT
RESET
ONE PUSH
AWB
POWER
SELECT
AUTO
MANUAL
AUTO
ONE PUSH
AF
234567
POSITION
CAMERA
GROUP
R
–+
BRIGHT
B
–+
FOCUS
NEAR FAR
1 2 3 4 5 6 7 8
9 10111213141516
12
POWER CAMERA

Other manuals for Sony RM-IP10

Related product manuals