EasyManua.ls Logo

Sony RMT-DSC2 - Page 45

Sony RMT-DSC2
73 pages
Print Icon
To Next Page IconTo Next Page
To Next Page IconTo Next Page
To Previous Page IconTo Previous Page
To Previous Page IconTo Previous Page
Loading...
4-20
DSC-H50_L2
NO
NO
S104
1
3
2
4
LND101
CN101 8P
1
2
3
4
5
6
7
8
CN102 6P
1
2
3
4
5
6
S103
1
3
2
4
R101
8200
CN103 6P
1
2
3
4
5
6
R102
2200
R103
2200
R104
3300
R105
4700
VDR001
VDR002
VDR003
XX
VDR004
XX
VDR005
XX
S102
5
6
2
1
3
4
S101
5
6
2
1
3
4
C106
XX
C107
XX
C108
0.1u
LND102
2nd
KEY_ZOOM
HOME
A_3.1V
STATIC_GND
REG_GND
JOG_A
KEY_AD1
A_3.1V
NC
JOG_B
KEY_AD1
DIRECT_PB
DIRECT_PB
REG_GND
JOG_B
KEY_AD1_Lv.0
REG_GND
JOG_A
W
REG_GND
REG_GND
T
MENU
REG_GND
NC
1st
STATIC_GND
D
E
A
3
D
A
F
C C
E
241
F
08
B B
XX MARK:NO MOUNT
ZOOM SWITCH
2nd
1st
of LEVEL2
PAGE 4-19
FLEXIBLE
PB-052
LND001-LND006
of LEVEL2
PAGE 4-20
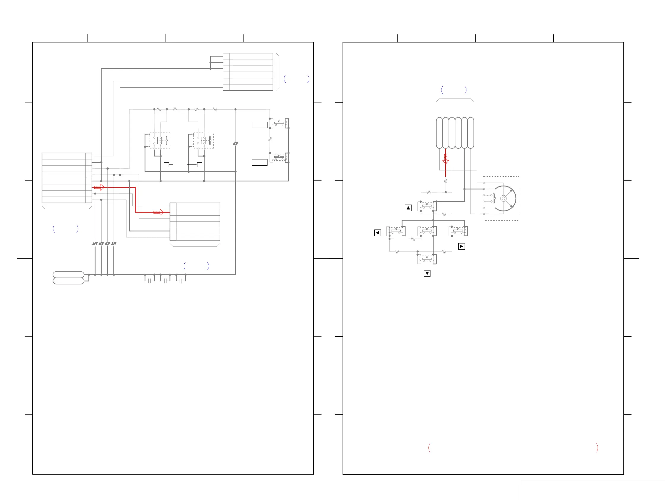
BLOCK (SW60350)
CONTROL SWITCH
LND001-LND006
of LEVEL2
PAGE 4-19
FLEXIBLE
FP-901
LND050-LND057
(ZOOM)
SW-532 BOARD
CONTROL SWITCH BLOCK(SW60350) is replaced as block,
so that PRINTED WIRING BOARD is omitted.
S106
1
2
3
4
5
6
7
S001
1
3
2
4
S002
1
3
2
4
S004
1
3
2
4
S005
1
3
2
4
S003
1
3
2
4
LND001
LND006
LND005
LND004
LND003
LND002
R003
3300
R002
2200
R004
4700
R005
8200
R006
10k
R001
2200
A_3.0V
JOG_A
KEY_AD1
JOG_B
NC
REG_GND
(SET)
D
E
A
3
D
A
F
C C
E
241
F
08
B B
1
of LEVEL2
PAGE 4-20
6
SW-532
Pin
CN102
(FLASH)
(SELF-TIMER)
(MACRO)
(DISP)
(WHEEL DIAL)
(SW60350)
CONTROL SWITCH BLOCK
SW-532, CONTROL SWITCH BLOCK (SW60350)

Related product manuals