EasyManua.ls Logo

Sony RMT-VB201U - 3-2. OVERALL BLOCK DIAGRAM

Sony RMT-VB201U
53 pages
Print Icon
To Next Page IconTo Next Page
To Next Page IconTo Next Page
To Previous Page IconTo Previous Page
To Previous Page IconTo Previous Page
Loading...
3-2
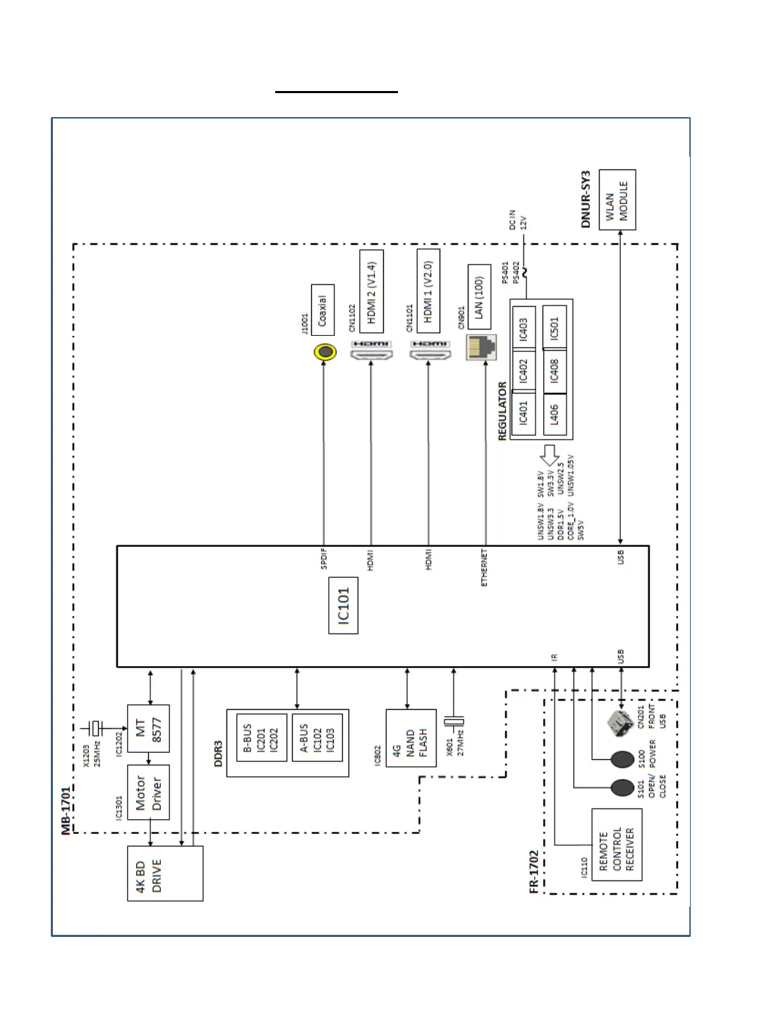
3-2. OVERALL BLOCK DIAGRAM :
UBP-X700 / UX70

Related product manuals