EasyManua.ls Logo

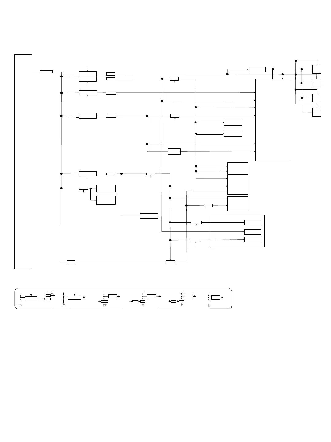
Sony RMT-VB201U - 3-3. POWER BLOCK DIAGRAM

Sony RMT-VB201U
53 pages
Print Icon
To Next Page IconTo Next Page
To Next Page IconTo Next Page
To Previous Page IconTo Previous Page
To Previous Page IconTo Previous Page
Loading...
3-3
3-3. POWER BLOCK DIAGRAM : UBP-X700 / UX70
VREF_0.75V
DDR_1.5V
UNSW3.3V
Q410
SW3.3V
CORE_1.0V
CORE1.0V
UNSW3.3V
SW3.3V
UNSW1.8V
SW1.8V
UNSW1.8V
FE_A3.3V
FE_D3.3V
FE_D3.3V
FE_SW12V_M
FE_SW5V_A
FE_SW12V_OPU
Reset/Delay Circuit
SoC
MT8581
IR
FRONT USB
AC
Adaptor
DCDC1.5V
DCDC3.3V
DCDC5V
IC403
TPS54295PWPR
TI (2A/2A)
IC501
MP1471A
MPS (3A)
L404
L401
L501
2.2uH
2.2uH
PS401
3.15A
UNSW12V
DDR3
DDR4
DDR5
DDR2
PCONT3#
PCONT3#
DCDC1.0V
Q501
PCONT1
IC407
PST8450UL
(Mits umi)
IC506
PST8450UL
(Mitsumi)
IC504
PST8450UL
Q509 (Mitsumi)
2.2uH
L406
F/E
MT8577A
DCDC1.8V
2.2uH
L402
NAND Flash
5V Reg
IC1102
MM1839A50NRE
Mitsumi (0.2A)
PCONT2#
HDMI1
CONNECTOR
HDMI2
CONNECTOR
PCONT1#
TPIC2060A
OPU
KEM-481AAA
8V Reg
IC1201
Mitsumi (0.3A)
PS402
2A
FE_UNSW12V
Q402
IC901
TPS2065CDBVR
TI (1 A)
USB SW
USB PCONT
PCONT2#
SW5V
Q406
IC409
AOZ2254TQI-11
AOS (10A)
IC401
TPS562200DDCR
TI (2A)
PCONT1#
Voltage Divider
IC502
PST8450UL
(Mits umi)
RESET IC
PGOODV
RESET IC
SYSCON_XRST
UNSW 12V
UNSW 1.8V
RESET IC
PGOODV
UNSW 12V UNSW 3.3V
Q511
Q512
UNSW 12V
RESET IC
PGOODV
PCONT2 Q513
IC505
PST8450UL
Q510 (Mitsumi)
RESET IC
PGOODV
PCONT3 Q514
PCONT5
IC507
PST8450UL
(Mitsumi)
UNSW 12V
PCONT5
Delay: 150ms
Delay: 1300ms
Delay: 220ms
Delay: 480ms
Delay: 300ms
LED
Q705
LED PCONT
1.05V Reg
IC410
BU1ATH5WNVX
Rohm (0.5A)
UNSW1.05V
Coaxial
SW5V_WLAN
WLAN Module
MT7662U
Q506
PCONT2#
FE_8V
RESET IC
Q514
Q513

Related product manuals