EasyManua.ls Logo

Sony SA-VE322 - Page 9

Sony SA-VE322
16 pages
Print Icon
To Next Page IconTo Next Page
To Next Page IconTo Next Page
To Previous Page IconTo Previous Page
To Previous Page IconTo Previous Page
Loading...
SA-VE322/VE325/WMS325/SS-CN325/V325
99
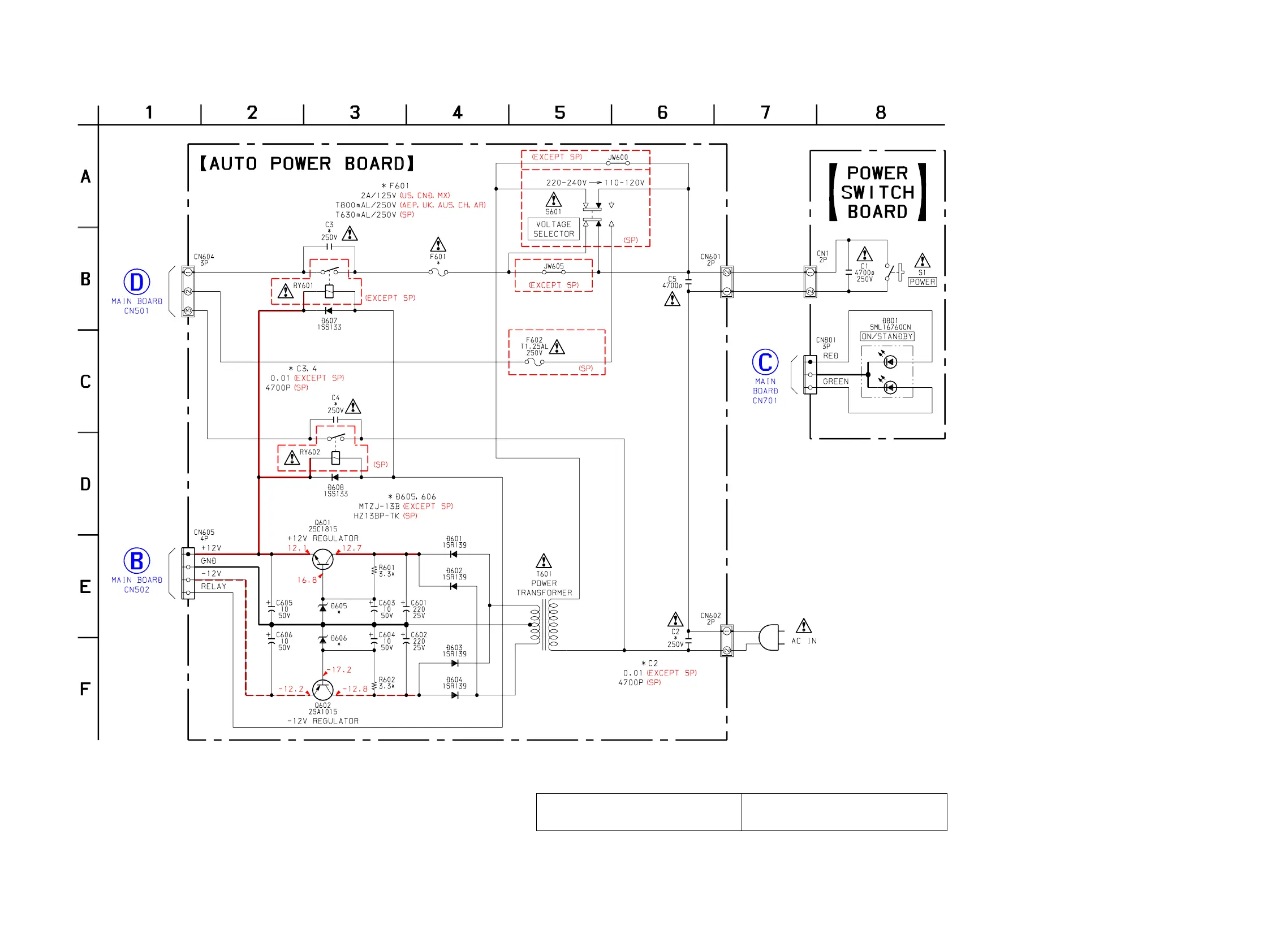
1-7. SCHEMATIC DIAGRAM – POWER Section (SA-WMS325) –
The components identified by mark 0 or dotted
line with mark 0 are critical for safety.
Replace only with part number specified.
Les composants identifiés par une marque 0 sont
critiques pour la sécurité. Ne les remplacer que
par une pièce portant le numéro spécifié.
(Page 5)
(Page 5)
(Page 5)

Related product manuals