EasyManua.ls Logo

Sony SA-WMS356 - Schematic Diagram - Main Section

Sony SA-WMS356
16 pages
Print Icon
To Next Page IconTo Next Page
To Next Page IconTo Next Page
To Previous Page IconTo Previous Page
To Previous Page IconTo Previous Page
Loading...
66
SA-WMS356/WMS556
IC B/D
C902
C901
C803
C804
D400
D401
Q403
D302
D304
D301
D303
BC902
S201
BC202
C531
R531
D531
R533
R532D532
R536
R535
R538
R539
C532
R534
Q534
Q535
D533
D901
R400
R401
R402
R403
R404
R405
C401
C402
C403
R406
R537
R303
R304
R101
Q101
C712
C710
C704
D703
D702
D701
C713
R713
C703R702 R703
C707
C708
R707
C705
R708
C706
R704
R709
R710
R711
C711
R715
R716
R717
C301
C302
C303
C304
C305
C306
C307
C308
R102
R103
R104
R105
R106
C101
C102
Q102
R540
R541
R542
C801
C802
Q103
R800
R714
C701C702
R712
CN701 CN805
CN702
D305
D306
BC401
BC801 CN905
Q702
Q701
Q531
Q532
Q533
D805
Q105
Q402
Q401
SP401
RY400
RY901
T202
T102
CN1
IC701
R701
R706
Q301
Q302
Q104
Q404
BC901
CN804
BC802 CN904
CN102
BC903
BC803
C709
IC530(2/2)
IC530(1/2)
C715
C714
C716
R705
BC201
D202
F901
C201
C806
C805
100V
100V
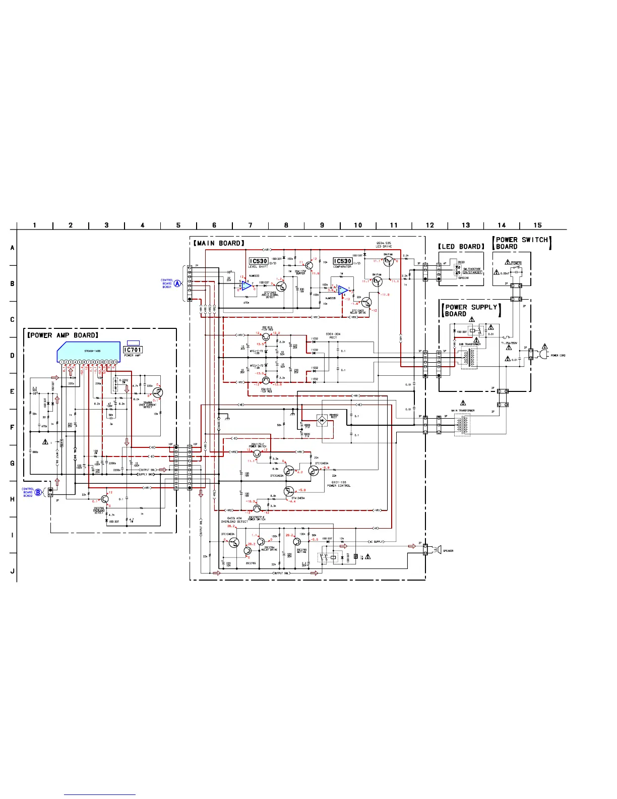
1-2. SCHEMATIC DIAGRAM — MAIN SECTION —
See page 3 for IC Block Diagram.
(Page 8)
(Page 8)

Related product manuals