EasyManua.ls Logo

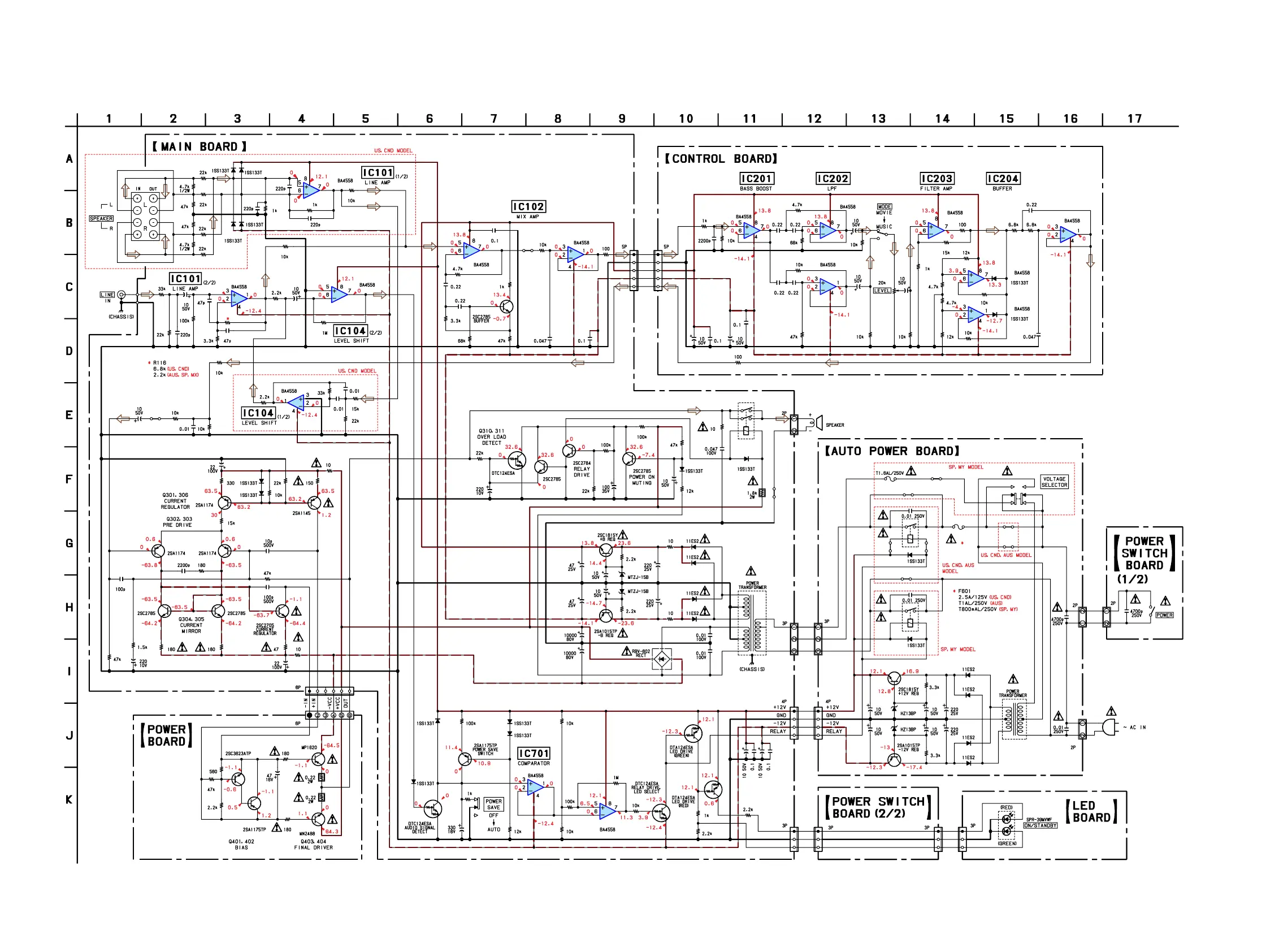
Sony SA-WMS445 - 1-3. SCHEMATIC DIAGRAM (SA-WMS445)

Sony SA-WMS445
14 pages
Print Icon
To Next Page IconTo Next Page
To Next Page IconTo Next Page
To Previous Page IconTo Previous Page
To Previous Page IconTo Previous Page
Loading...
66
SA-VE445H/WMS445/SS-MS445
1-3. SCHEMATIC DIAGRAM (SA-WMS445)
R122
R118
C106
R115
C104
C105
R306
R307
Q303Q302
R308C305
C304
R309 R310 R318
R701
R705
R706
R704
R707
R711
Q308
Q309
Q310
R317
C118
R139
R312
R311
CN502
CN302
R340
R339
R338
R336
C311
R319
R335
C315
R703
C701
C107
C307
C308
R702
S701
CN701
R709
IC701(1/2)
IC701(2/2)
R314
Q306
Q305Q304
R404
R405
R403
R402
R401
R406
R407
C511
R126
C512
R303
C301 R302
R301
R313
CN501
R501
R502
C501
C502
C503
C504
R503
R504
C507
C508
C509
C510
Q101
CN301
CN101
CN801
C201 R202
R201 C204
R205
S201
CN201
C211
C213
C212
C214
IC202(1/2)
IC202(2/2)
C207
R208
RV201
C208
R209
R212
R210
IC204(1/2)
IC204(2/2)
R221
IC203(1/2)
IC203(2/2)
R218
R217
R117
C303
C309
Q301
C306
R316
R121
R341
C316
D506
D507
R708
R710
Q307
CN401
Q404
Q403
SP1
CN1
S1
C1
C513
C515
C514
C516
J101
D303
D304
C310
Q401
Q402
IC102(1/2)
IC102(2/2)
Q311
D306
D305
Q501
Q502
D502
D503
D504
D505
T501
Q701
D702
Q702
D703
D704
Q703
Q705
Q704
D202
D201
IC201
RY301
D501
R103
R104
R111
TM101
R109
R110
C101
C102
C103
IC104(1/2)
R140
R138
C116
C117
R136
R137
R304
IC101(1/2)
IC104(2/2)
IC101(2/2)
R107
R108
R106
R105
R141
R113
R114
R315
R305
R119
C108
C109
R120
R123 C111
R124
R125
C202 C203
R203
R204
C205 C206
R206
R207
R211
R214
R215
R216 C210
R213
R219 R220
C209
R320
R337
CN901 CN902
R101
D102
D101
R102
D103
D104
C401
C317
C505
C506
D701
D801
R116
D601
D604
D602
D603
CN604
Q602
R601
R602
CN605
F601
D607
S601
RY601
RY602
D608
T601
F602
C601
C602
C605
C606
CN601
Q601
D605
D606 C604
C603
CN602
C2
C3
C5
C4
JW604
JW605
JW600
JW608
JW609
JW602
JW601
Ver 1.1

Related product manuals