EasyManua.ls Logo

Sony SA-WS500RF - SECTION 6 EXPLODED VIEWS; 6-1. SUBWOOFER FRONT SECTION (SA-WS500 RF)

Sony SA-WS500RF
51 pages
Print Icon
To Next Page IconTo Next Page
To Next Page IconTo Next Page
To Previous Page IconTo Previous Page
To Previous Page IconTo Previous Page
Loading...
42
HT-S500RF/S700RF
Sony CONFIDENTIAL
For Authorized Servicer
SECTION 6
EXPLODED VIEWS
Note:
-XX and -X mean standardized parts, so
they may have some difference from the
original one.
Items marked “*” are not stocked since they
are seldom required for routine service.
Some delay should be anticipated when or-
dering these items.
The mechanical parts with no reference
number in the exploded views are not sup-
plied.
Color Indication of Appearance Parts Exam-
ple:
KNOB, BALANCE (WHITE) . . . (RED)
Parts Color Cabinet’s Color
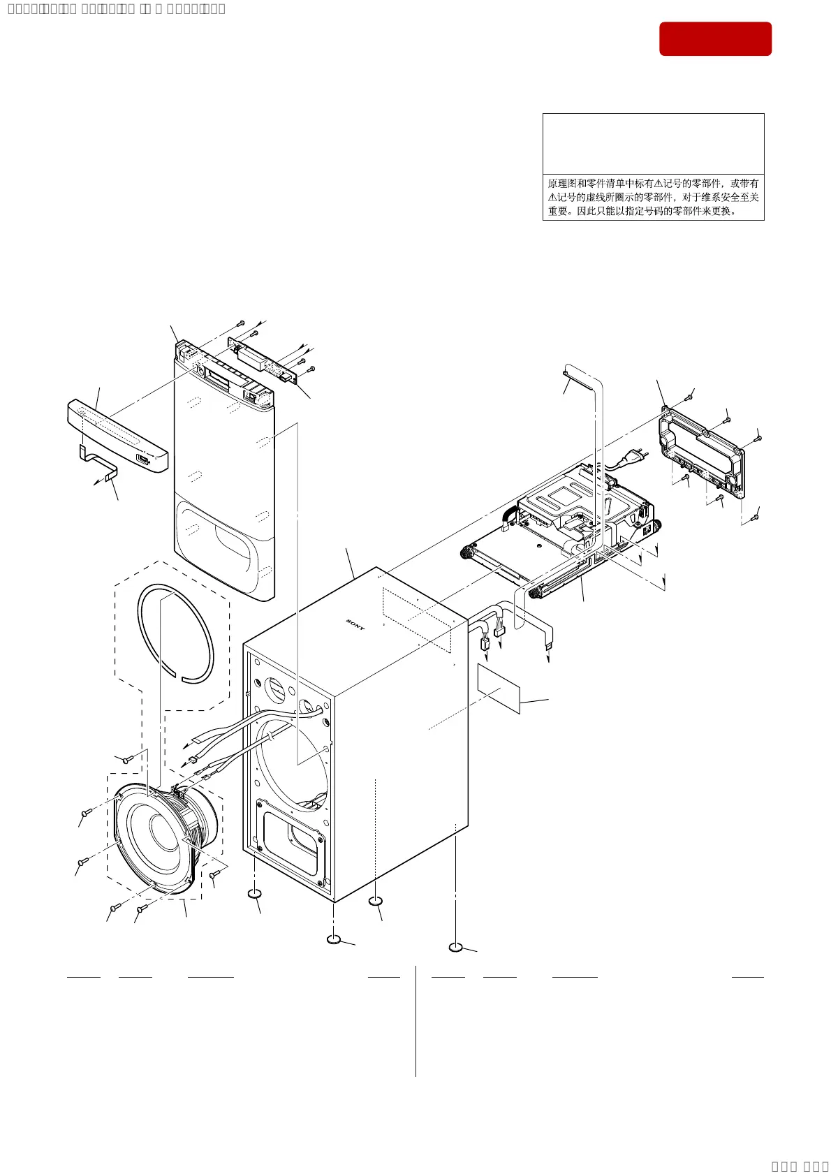
6-1. SUBWOOFER FRONT SECTION (SA-WS500RF)
Note: Refer to page 44 for the SA-WS700RF.
A
A
B
C
B
C
D
E
F
D
E
F
subwoofer AMP section
#1
not supplied
1
not supplied
(model number label)
not supplied
TPN1
FFC1
#1
#1
#1
1
1
1
2
2
2
2
2
2
3
4
5
6
6
6
6
6
6
SP1
1 9-885-223-46 FOOT (SW)
2 9-885-223-90 SCREW, WOOD +R 4.1X20
3 9-885-223-47 SW PANEL (EK1)
4 9-885-223-36 FL BOARD, COMPLETE
5 4-059-585-01 TIE, CABLE
6 4-874-614-32 +BV TAPPING SCREW TYPE-1 3.5
FFC1 9-885-223-49 FFC (TOUCH) (5 core)
SP1 9-885-223-44 SW UNIT (EK1) (Including Cushion) (Subwoofer)
TPN1 9-885-223-37 LED WINDOW W TOUCH (EK1)
(Including TOUCH board, Tape)
#1 7-685-647-79 SCREW +BVTP 3X10 TYPE2 IT-3
Ref. No. Part No. Description Remark Ref. No. Part No. Description Remark
The components identi ed by mark 0
or dotted line with mark 0 are critical for
safety.
Replace only with part number speci ed.
Ver. 1.1
SYSSET
2018/11/2806:27:54(GMT+09:00)

Table of Contents

Related product manuals