EasyManua.ls Logo

Sony SLV-779HF - MA-341 (1;7) (VIDEO) SCHEMATIC DIAGRAM; Signal Path Details

Sony SLV-779HF
78 pages
Print Icon
To Next Page IconTo Next Page
To Next Page IconTo Next Page
To Previous Page IconTo Previous Page
To Previous Page IconTo Previous Page
Loading...
SLV-772HF/779HF
4-7 4-8
VIDEO
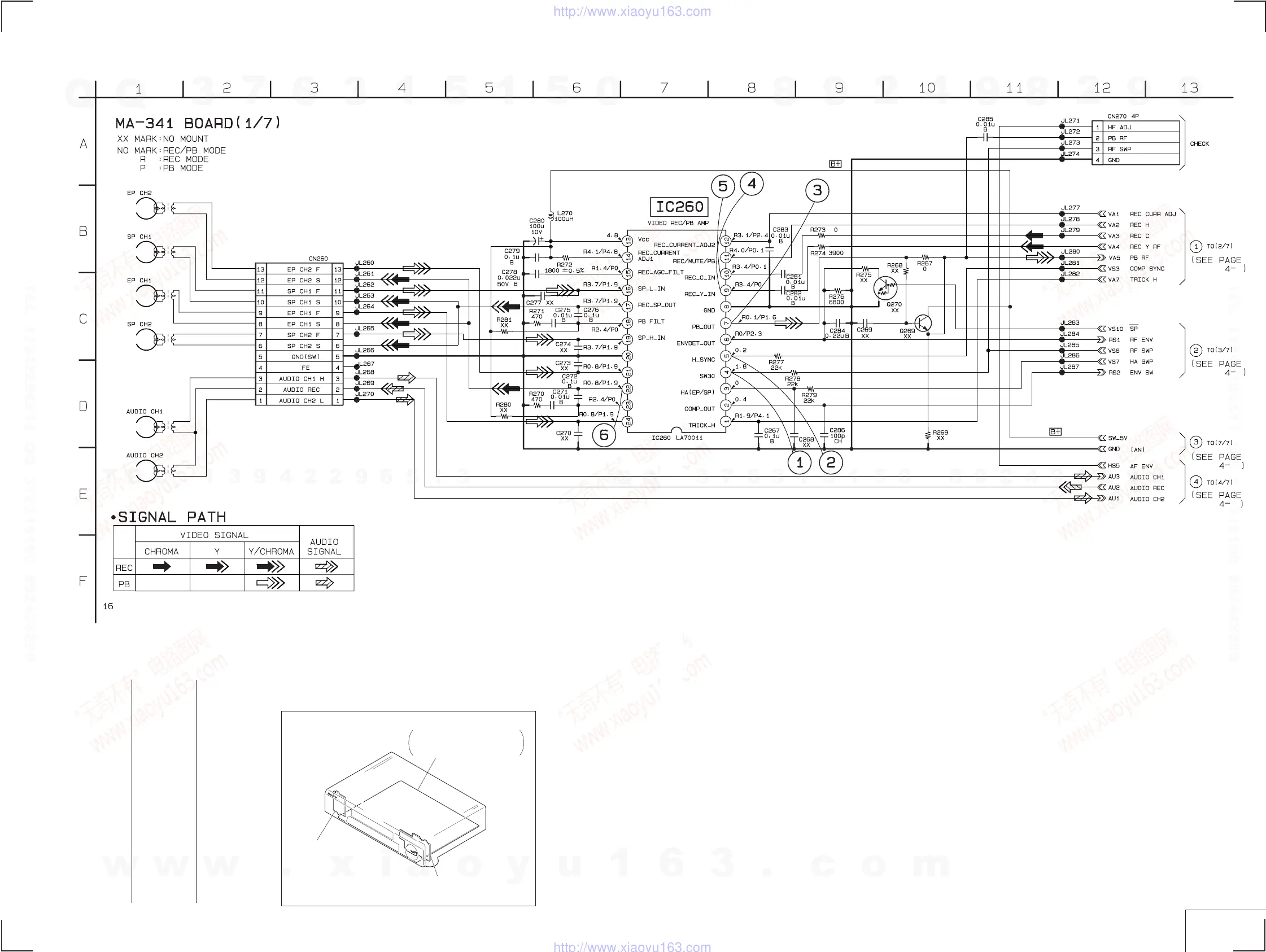
MA-341(1/7)
MA-341 (1/7) (VIDEO) SCHEMATIC DIAGRAM
— Ref. No. MA-341 Board; 1,000 Series —
For schematic diagram
Refer to page 4-5 for printed wiring board.
Refer to page 4-2 for waveforms.
MA-341
VIDEO, AUDIO,
SERVO/SYSTEM CONTROL,
TUNER, POWER SUPPLY
MF-316
(POWER, EJECT SWITCH)
DM-84
(TAPE OPARATION)
GND
EP_L_IN
_EP_OUT
PB FELT
EP_H_IN
10
11
20
13
MA-341 BOARD
CN101 H-9
CN102 F-3
CN103 B-6
CN104 B-12
CN161 A-13
CN260 I-10
CN270 I-11
CN301 G-12
CN302 G-12
CN403 B-12
CN404 B-1
CN423 I-12
CN600 I-3
D103 D-7
D109 G-4
D161 D-8
D162 D-8
D420 B-6
D561 I-4
D600 H-1
D601 G-3
D602 F-2
D603 G-2
D604 G-2
D605 F-1
D606 D-1
D607 E-1
D608 E-2
D609 E-2
D610 B-2
D611 C-3
D612 C-3
D618 C-3
D619 C-1
D702 H-13
IC101 A-4
IC160 C-10
IC161 C-12
IC162 C-12
IC201 F-10
IC260 H-10
IC331 G-11
IC360 J-9
IC420 A-7
IC601 B-2
IC602 E-1
IC980 H-4
PH101 C-9
PH102 C-6
PH600 F-1
Q101 E-3
Q102 E-11
Q103 E-7
Q201 H-9
Q202 G-8
Q203 F-9
Q302 G-11
Q303 G-12
Q380 J-8
Q381 J-7
Q382 J-8
Q500 C-9
Q502 C-8
Q561 I-6
Q601 G-2
Q602 H-1
Q603 C-3
Q604 B-1
Q605 C-1
Q607 B-3
Q608 F-6
w
w
w
.
x
i
a
o
y
u
1
6
3
.
c
o
m
Q
Q
3
7
6
3
1
5
1
5
0
9
9
2
8
9
4
2
9
8
T
E
L
1
3
9
4
2
2
9
6
5
1
3
9
9
2
8
9
4
2
9
8
0
5
1
5
1
3
6
7
3
Q
Q
TEL 13942296513 QQ 376315150 892498299
TEL 13942296513 QQ 376315150 892498299
http://www.xiaoyu163.com
http://www.xiaoyu163.com

Table of Contents

Other manuals for Sony SLV-779HF

Related product manuals