EasyManua.ls Logo

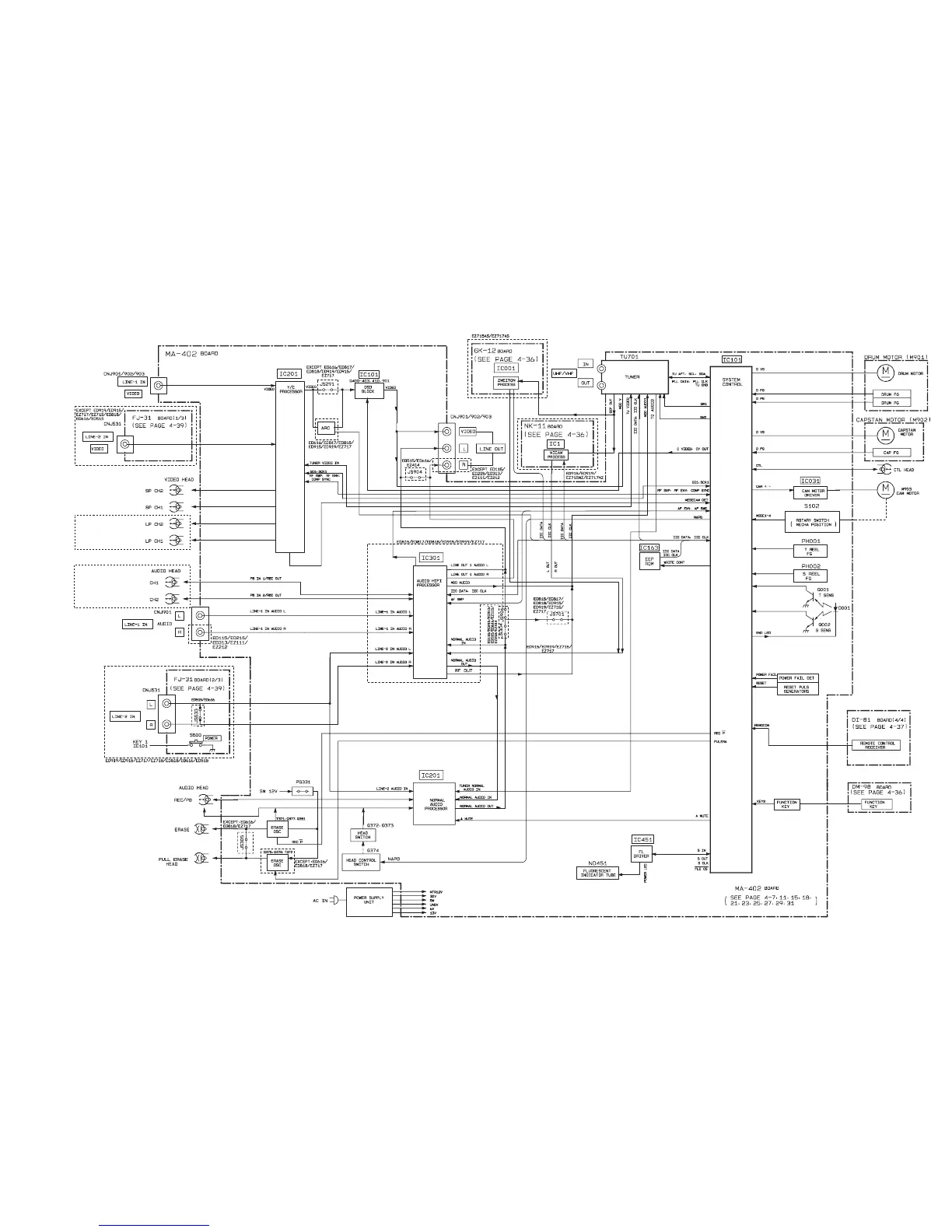
Sony SLV-ED115 - Block Diagrams; Overall Block Diagram

Sony SLV-ED115
82 pages
Print Icon
To Next Page IconTo Next Page
To Next Page IconTo Next Page
To Previous Page IconTo Previous Page
To Previous Page IconTo Previous Page
Loading...
SLV-ED115/ED215/ED313/ED515/ED616/ED815/ED817/ED818/ED915/ED919/EZ111/EZ212/EZ414/EZ715/EZ717
(SEE PAGE 4-7,4-11, 4-15)
EXCEPT ED115/ED215/
ED313/EZ111/EZ212
ED815/ED817/ED818/
ED915/ED919/EZ715/
EZ717
3-1 3-2
SECTION 3
BLOCK DIAGRAMS
3-1. OVERALL BLOCK DIAGRAM

Table of Contents

Related product manuals