EasyManua.ls Logo

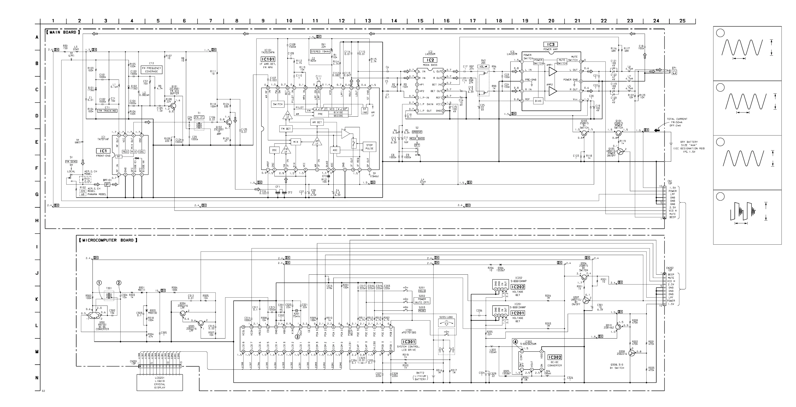
Sony SRF-M55 - 4-4. Schematic Diagram

Sony SRF-M55
14 pages
Print Icon
To Next Page IconTo Next Page
To Next Page IconTo Next Page
To Previous Page IconTo Previous Page
To Previous Page IconTo Previous Page
Loading...
– 13 – – 15 –– 14 –
SRF-M55
4-4. SCHEMATIC DIAGRAM
r
WAVEFORMS
1
Q301-2 C
2
3
4
VOLT/DIV : 1 V AC
TIME/DIV : 0.1 µsec
T301
IC301 qs
XOUT
IC302 5
VOLT/DIV : 1 V AC
TIME/DIV : 0.2 µsec
VOLT/DIV : 0.1 V AC
TIME/DIV : 5 µsec
VOLT/DIV : 0.5 V AC
TIME/DIV : 5 µsec
4.6Vp-p
360 nsec
5.2Vp-p
982 nsec
330mVp-
p
75kHz
2.9 Vp-p
21
µ
sec
r
Refer to page 10 for Notes.
r
Refer to page 16 for IC Block Diagrams.

Related product manuals