EasyManua.ls Logo

Sony SS-WS503 - Schematic Diagram - DVD Board (10;10)

Sony SS-WS503
150 pages
Print Icon
To Next Page IconTo Next Page
To Next Page IconTo Next Page
To Previous Page IconTo Previous Page
To Previous Page IconTo Previous Page
Loading...
HCD-C770/C990
5353
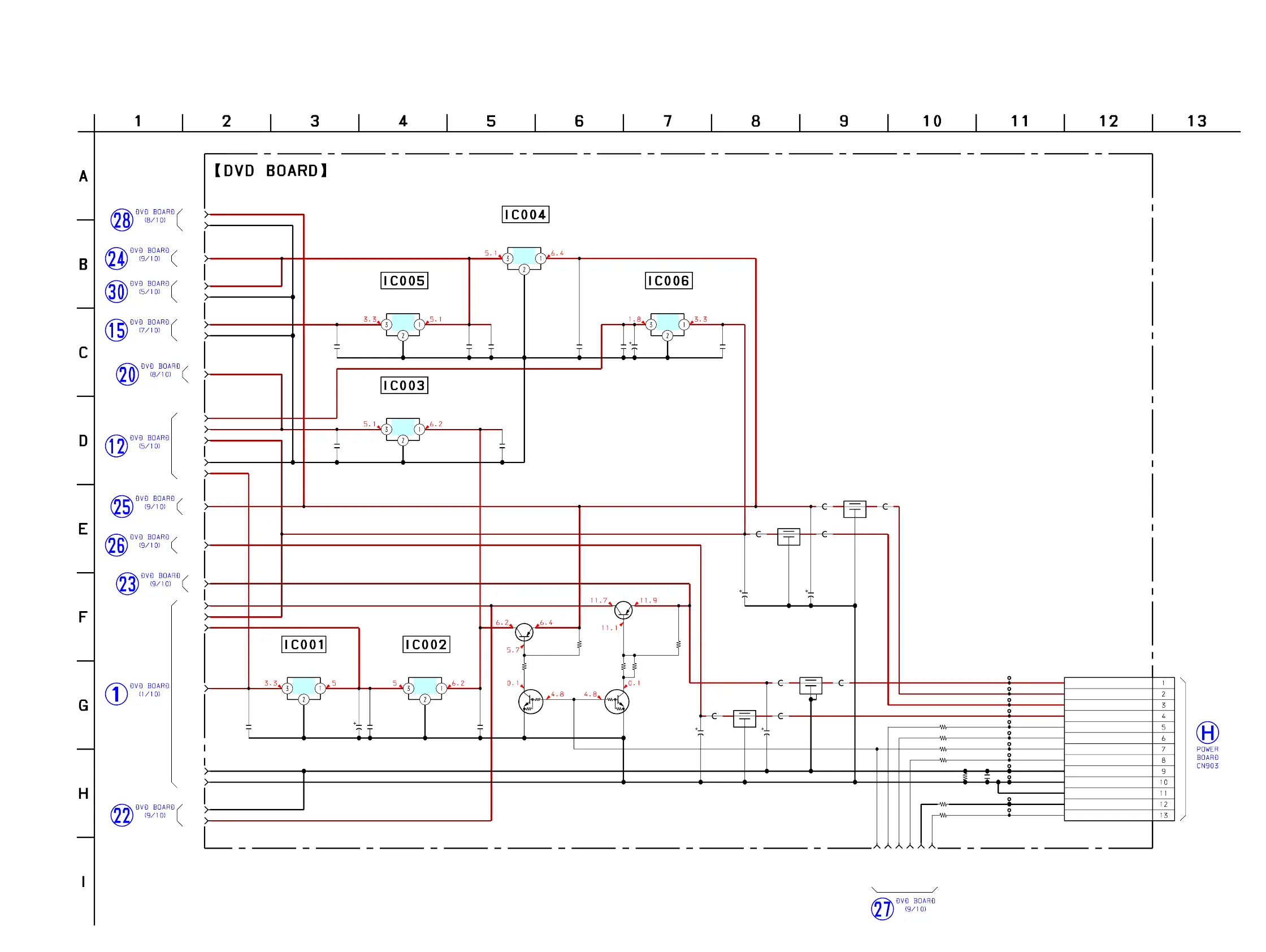
7-22. SCHEMATIC DIAGRAM – DVD Board (10/10) –
TP048
TP063
TP064
TP065
TP066
TP067
TP068
TP069
TP070
TP071
TP072
TP073
IC005
IC003
IC006
C012
C017 C016 C015
C013
C014 C018
C020
C019
IC004
R060 C007
R017
R019
R021
R023
R051
R059
IC001 IC002
C010
C001
C008 C011
R067
R066
Q001Q003
Q004
Q002
R009
FB014 FB013
FB012
C004
FL005
FL006
FB011
C005
FB010
FL004
C006
FB008
FL003
FB009
FB007
C003
R079
R011
CN008
0.1
0.1 0.1 0.1
0.1
0.1 0.1
220
4V
0.1
0 10p
0
2.2k
0
0
0
0
µPC2933T-E2
0.1
100
6.3V
0.1 0.1
470
1k
DTC124EKA
-T146
DTC124EKA
-T146
2SB906(TE16L)
2SB906(TE16L)
1k
47
16V
220
4V
47
16V
100
6.3V
1k
1k
13P
RELAY
6.5V
M12V
D3.3V
DGND
MGND
E5.6V
AGND
RESET
DVDPW
STPOW
12V
A5V
A3.3V
D5V
DGND
DA05V
DA03V
+1.8V
POWER-AD
DGND
DGND
D5V
D3.3V
A3.3V
MGND
M12V
6.5V
DA05V
DGND
P.CONT3
12V
6.5V
DVD3.3V
E5.6V
MGND
DGND
DGND
AGND
P.CONT1
P.CONT2
RESET
A/D
(10/10)
G
IO
+3.3V REGULATOR
OI
G
+5V REGULATOR
G
OI
+1.8V REGULATOR
G
+5V REGULATOR
IO
G
+5V REGULATOR
IO
G
IO
+3.3V REGULATOR
Q003,004
B+ SWITCH
B+ SWITCH
Q001,002
µPC2905T-E1
µPC2918T-E1
µPC2933T-E2
µPC2905T-E1
µPC2905T-E1
(Page 52)
(Page 44)
(Page 52)
(Page 52)
(Page 52)
(Page 48)
(Page 51)
(Page 50)
(Page 51)
(Page 52)
(Page 48)
(Page 52)
(Page 70)

Table of Contents