EasyManua.ls Logo

Sony SS-WS503 - Schematic Diagram - VIDEO Section

Sony SS-WS503
150 pages
Print Icon
To Next Page IconTo Next Page
To Next Page IconTo Next Page
To Previous Page IconTo Previous Page
To Previous Page IconTo Previous Page
Loading...
HCD-C770/C990
6161
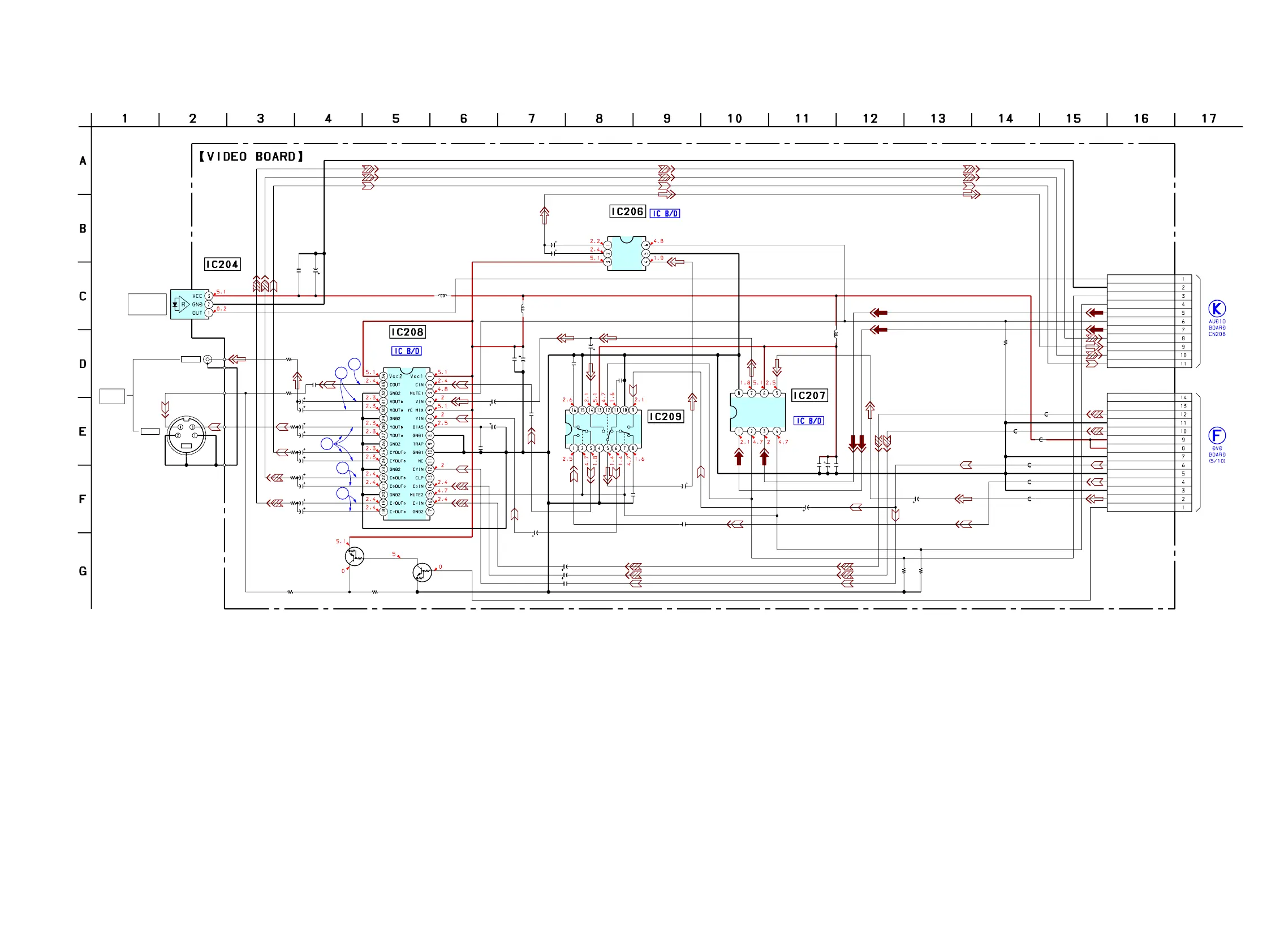
7-30. SCHEMATIC DIAGRAM – VIDEO Section – See page 76 for IC Block Diagrams.
C294
L207
L209
R256
R265R266
C282
C281
IC206
C285
C277
C218
C202
C279
C292
C293
C295
C296
C297
C298
C300
C302
R270
C288
R259
R268
R273
L202
C252
R278 R286
Q214
CN207
CN203
C287 C272
C290 C289
C280
C283
C291
C278
C276
C284
IC207
C267
IC209
C299
C301
R267
R269
IC204
C248
C275
C274
J202
C286
Q210
IC208
C265
FB201
FB202
FB203
FB206
FB204
FB205
0.1
10k
10k10k
0.1
0.1
MM1510
0.1
22 6.3V
47
16V
220
6.3V
0.01
220 6.3V
100 4.0V
100 6.3V
470 4V
220 6.3V
100 4V
100 6.3V
100 6.3V
75
0.1
75
75
75
0.1
10k 10k
DTC144EKA
11P
14P
0.1 0.1
0.1 10
6.3V
1.0
50V
1.0 50V
10
6.3V
10
6.3V
10 6.3V
100
6.3V
NJM2235V
100
6.3V
NJM2285V
22 6.3V
22 6.3V
75
75
TORX179L
22
6.3V
0.1
10 6.3V
2P
0.1
DTA114EKA
MM1568
10
6.3V
IN1
SW
1
S
W
2
GN
D
O
U
T
V
D
D
IN3
G
ND
G
ND
GN
D
IN
2
VIDEOV
VIDEOY
VIDEOC
GND
D5V
GND
GND
CB
GND
CR
VS/WIDE
D5V
NC
CB
CR
Y
V2-IN
V-OUT
V1-IN
D-IN
AV2
AVO
AV1
GND
I/P SWVIDEO INPUT
SELECTOR
SELECTOR
VIDEO
SAG
OUT
VCC
PS
GND
IN
VCC
Q210,214
WIDE SWITCH
OPTICAL RECEIVER
S VIDEO
VIDEO
OUT
MONITOR
DIGITAL IN
VIDEO 2
OPTICAL
VIDEO AMP, 75 DRIVER
10µH
10µH
75 DRIVER
10µH
65
64
63
62
61
(Page 59)
(Page 48)

Table of Contents