EasyManua.ls Logo

Sony ST-SE520 - Schematic Diagram - Tuner Section

Sony ST-SE520
16 pages
Print Icon
To Next Page IconTo Next Page
To Next Page IconTo Next Page
To Previous Page IconTo Previous Page
To Previous Page IconTo Previous Page
Loading...
6
6
ST-SE520
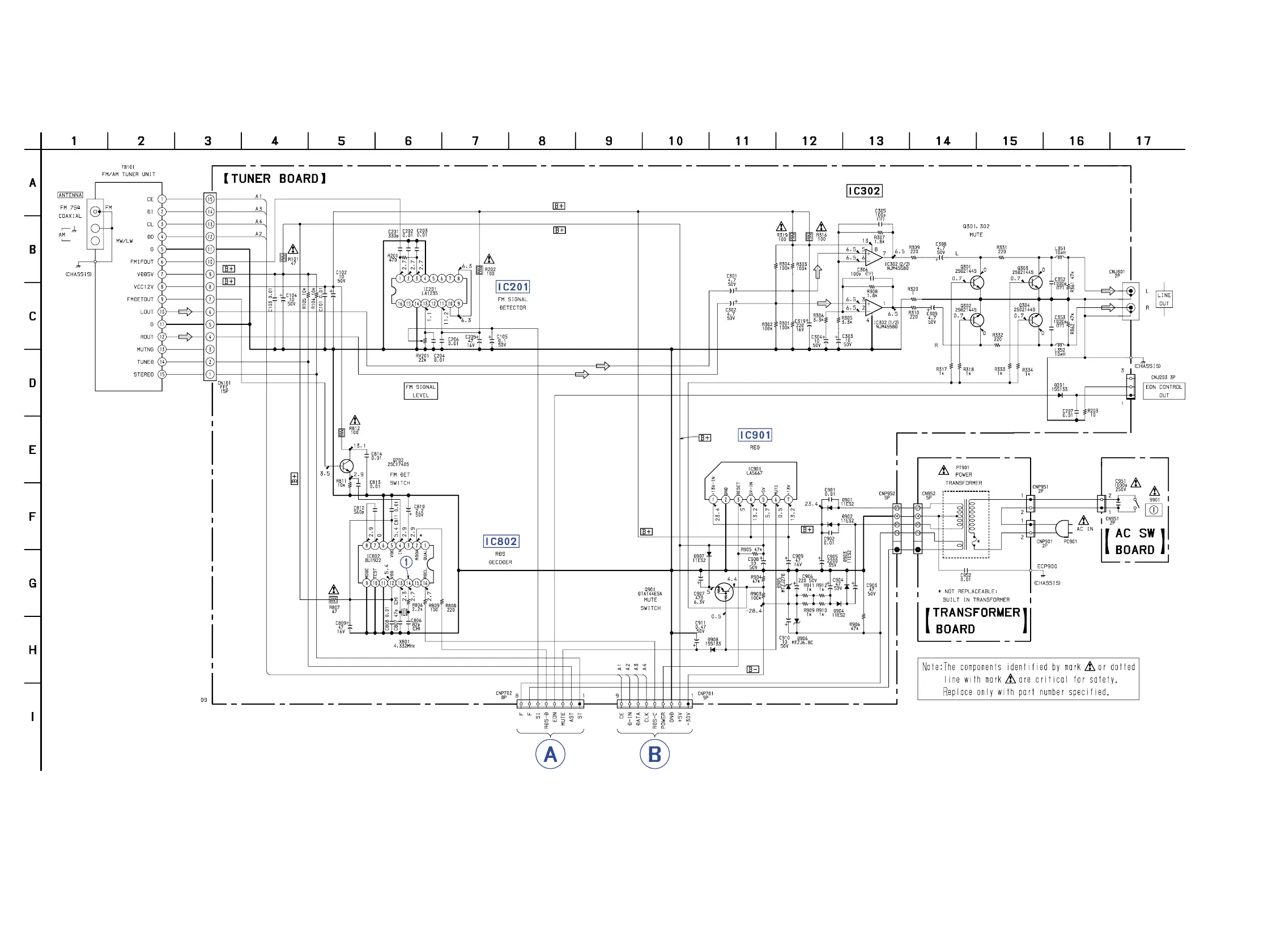
4-2. SCHEMATIC DIAGRAM TUNER SECTION
See page 5 for Waveform.
See page 11 for IC Block Diagram.
(Page 8) (Page 8)
www.freeservicemanuals.info
7/23/2017
Digitized in Heiloo Netherland

Related product manuals