EasyManua.ls Logo

Sony STR-DE1075 Primary - Connecting the AC power cord

Sony STR-DE1075 Primary
56 pages
Print Icon
To Next Page IconTo Next Page
To Next Page IconTo Next Page
To Previous Page IconTo Previous Page
To Previous Page IconTo Previous Page
Loading...
13
Hooking Up the Components
* Pull the video cord away from the supplied audio/
video/control S cable.
Note
Refer to the operating instructions supplied with your
TV for details regarding the operations you can
control from your TV.
2ND ROOM hookup
You can use the 2ND ROOM OUT jacks to
output the audio signals of the selected
component to a stereo amplifier located in
another room (see page 25).
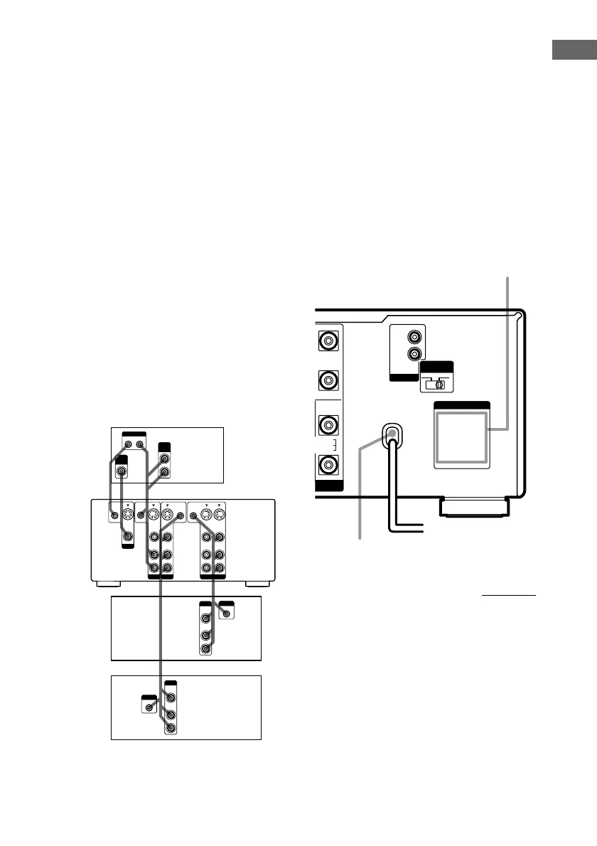
Connecting the AC power
cord
AUDIO
OUT
OUT IN
S-LINK
VIDEO
IN
IN
S-LINK
VIDEO
OUT
AUDIO
OUT
OUTPUT
IN
S-LINK
VIDEO
OUT
AUDIO
OUT
OUTPUT
AUDIO
IN
CTRL S
OUT
CTRL S
OUT
CTRL S
STATUS IN
CTRL S
IN
AUDIO
OUT
VIDEO 1
AUDIO
IN
TV/SAT
AUDIO
IN
DVD/LD
VIDEO
S-VIDEO
IN
VIDEO
S-VIDEO
IN
VIDEO
S-VIDEO
IN
VIDEO
S-VIDEO
OUT
VIDEO
S-VIDEO
OUT
MONITOR
G
G
*
H
G
TV
Receiver
S-LINK CONTROL S hookup
If you have a S-LINK CONTROL S-
compatible Sony TV, satellite tuner, monitor,
DVD player or VCR, use an audio/video/
control S connecting cord (supplied) or a
control S connecting cord (supplied) to connect
the CTRL S (STATUS) IN (for TV, satellite
tuner, or monitor) or OUT (for VCR, etc.) jack
on the receiver to the appropriate S-LINK jack
on the respective component. Refer to the
operating instructions supplied with your TV,
satellite tuner, monitor, VCR, etc., for details.
The following illustration is an example of
S-LINK CONTROL S hookups between the
receiver, a TV, a VCR, and a DVD player.
When your TV is connected to the receiver as
shown below, the TV input mode will change
to video input whenever you turn on the
receiver. When you connect the receiver as
shown below, input mode of the receiver
changes to VIDEO 1 or DVD/LD whenever
you play your VCR or DVD.
The following connections also change the
input mode of the receiver to TV whenever you
operate your TV.
VCR 1
DVD
player
AC OUTLET
b
AC OUTLET
+
+
O
NT
L
SURROUND
BACK
AUDIO OUT
SUB WOOFER
I
MPEDANCE
SELECTOR
4 8
N
D BACK
R
OOM
L
AC power cord
To a wall outlet
continued

Related product manuals