EasyManua.ls Logo

Sony STR-DE925 - Circuit Schematics - Core Components; Amplifier Circuitry Details

Sony STR-DE925
14 pages
Print Icon
To Next Page IconTo Next Page
To Next Page IconTo Next Page
To Previous Page IconTo Previous Page
To Previous Page IconTo Previous Page
Loading...
STR-DE925/V919
— 15 — — 16 —
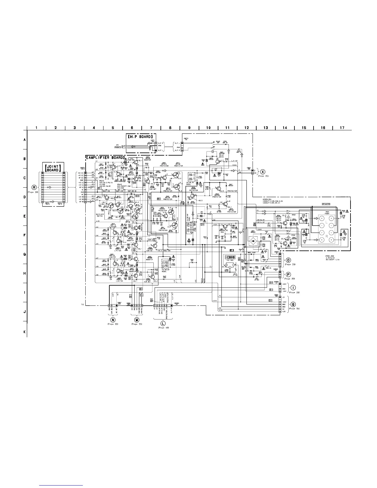
3-5. SCHEMATIC DIAGRAM — AMP SECTION —
, PX
, PX
, PX

Related product manuals