EasyManua.ls Logo

Sony STR-DE975 - Page 10

Sony STR-DE975
72 pages
Print Icon
To Next Page IconTo Next Page
To Next Page IconTo Next Page
To Previous Page IconTo Previous Page
To Previous Page IconTo Previous Page
Loading...
10
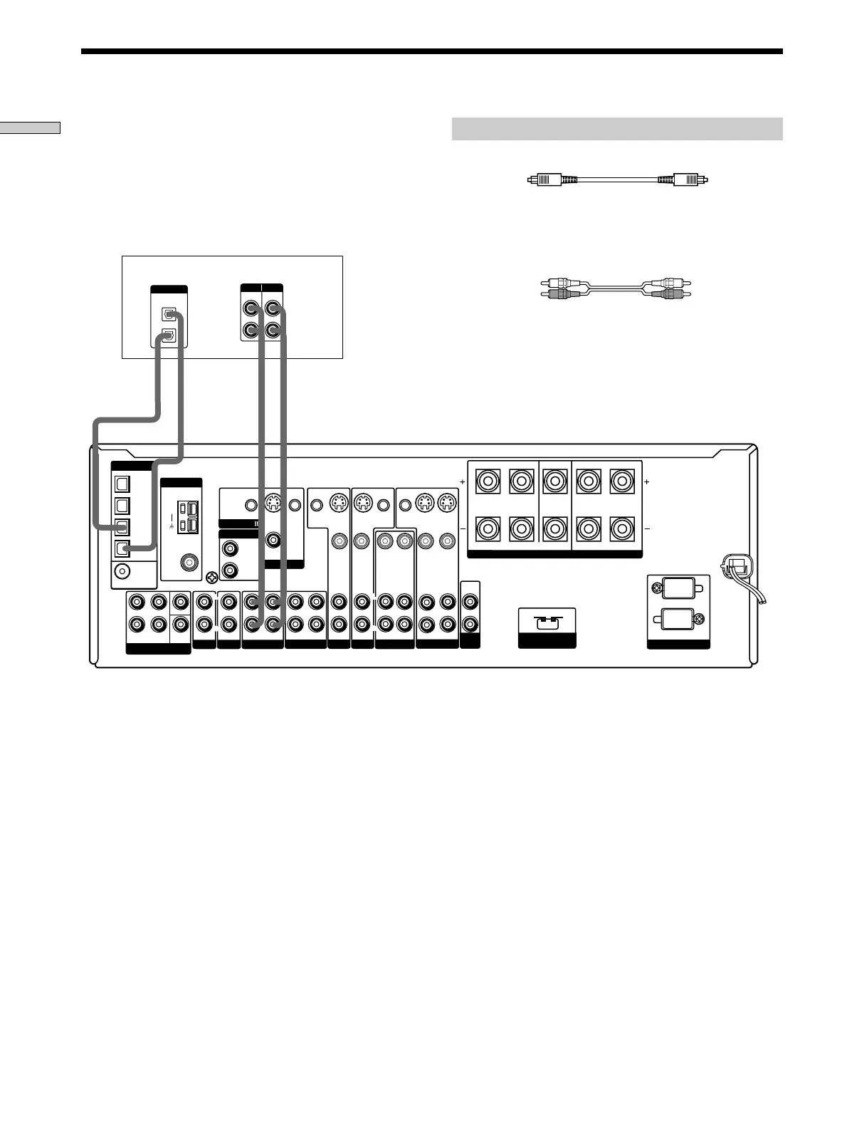
Hooking Up the Components
White (L) White (L)
Red (R) Red (R)
Required cords
Optical digital cords (not supplied)
Audio cords (not supplied)
When connecting a cord, be sure to match the color-coded pins to
the appropriate jacks on the components.
Connect the digital output jacks of your MD or DAT deck
to the receiver’s digital input jack and connect the digital
input jacks of your MD or DAT deck to the receiver’s
digital output jack. These connections allow you to make
digital recordings of a CDs played back through your
DVD (or LD player) and satellite broadcasts.
Black Black
Notes
Please note that you cannot make a digital recording of a digital multi channel surround signal.
To make a digital recording from your CD or SACD player, connect the CD or SACD player’s digital output directly to the digital input
on your MD or DAT deck. Refer to the instructions supplied with your CD or SACD player and MD or DAT deck for details.
The DVD/LD IN OPTICAL and COAXIAL jacks are compatible with 96 kHz, 48 kHz, 44.1 kHz and 32 kHz sampling frequencies. The
other OPTICAL jacks are compatible with 48 kHz, 44.1 kHz and 32 kHz sampling frequencies.
It is not possible to record analog signals to TAPE (STR-DE975 only), MD/DAT (STR-DE975 only) or MD/TAPE (STR-DE875 only) and
VIDEO with only digital connections. To record analog signals, make analog connections. To record digital signals, make digital
connections.
Input signals with 96 kHz sampling frequencies to the DVD/LD IN OPTICAL or COAXIAL jacks. Using other jacks may result in
intermittent sound.
SIGNAL GND
DIGITAL
MD/DAT OUT
MD/DAT IN
TV/SAT IN
DVD/LD IN
OPTICAL
COAXIAL
DVD/LD
IN
AUDIO IN AUDIO IN AUDIO OUT
AUDIO
OUT
AUDIO OUTAUDIO IN AUDIO IN
VIDEO OUT
VIDEO IN VIDEO IN VIDEO IN VIDEO IN
FRONT
VIDEO OUT
SWITCHED 120W/1A MAX
AC 120V 60Hz
4
8
VIDEO OUT
S-VIDEO
OUT
S-VIDEO
OUT
S-VIDEO
IN
S-VIDEO
IN
S-VIDEO
IN
CTRL S
IN
CTRL S
OUT
CTRL S
OUT
CTRL S
STATUS IN
ANTENNA
COAXIAL
FM
75
SUB
WOOFER
INOUT
TAPE
MONITOR
TV/SAT DVD/LD
VIDEO 2 VIDEO 1
AC OUTLET
IMPEDANCE
SELECTOR
R
L
R
L
R
L
SURROUND CENTER FRONT
IMPEDANCE USE 8 – 16 IMPEDANCE USE 4 – 16
R
L
R
L
SPEAKERS
R
L
SUB
WOOFER
MULTI CH IN
FRONT SURROUND
CENTER
IN INOUT
CD/SACD
IN
PHONO
R
L
R
L
MD/DAT
CONTROL A1
2ND ROOM
AM
U
R
L
LINE
L
R
LINE
INPUT OUTPUT
DIGITAL
IN
OPTICAL
OUT
OUTIN
ç
ç
ç
ç
INOUT
MD or DAT deck
Digital Component Hookups

Related product manuals