EasyManua.ls Logo

Sony STR-DE975 - Connecting Audio and Video Sources

Sony STR-DE975
72 pages
Print Icon
To Next Page IconTo Next Page
To Next Page IconTo Next Page
To Previous Page IconTo Previous Page
To Previous Page IconTo Previous Page
Loading...
6
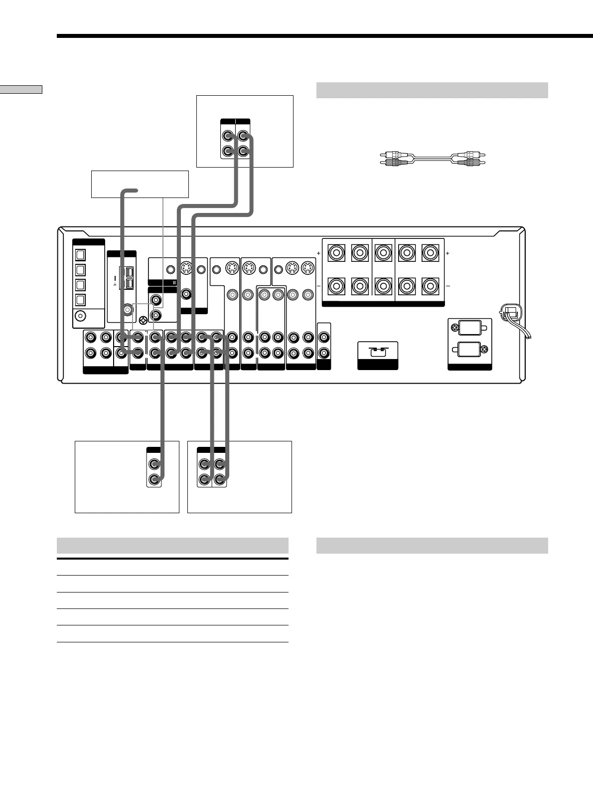
Hooking Up the Components
White (L) White (L)
Red (R) Red (R)
Required cords
Audio cords (not supplied)
When connecting a cord, be sure to match the color-coded pins to
the appropriate jacks on the components.
Audio Component Hookups
Turntable
Tape deck
MD/DAT deck
CD or SACD player
STR-DE975
Jacks for connecting audio components
Connect a To the
Turntable PHONO jacks
CD or SACD player CD/SACD jacks
Tape deck TAPE jacks
MD deck or DAT deck MD/DAT jacks
Note on audio component hookups
If your turntable has a ground wire, connect it to the
U SIGNAL GND terminal on the receiver.
SIGNAL GND
DIGITAL
MD/DAT OUT
MD/DAT IN
TV/SAT IN
DVD/LD IN
OPTICAL
COAXIAL
DVD/LD
IN
AUDIO IN AUDIO IN AUDIO OUT
AUDIO
OUT
AUDIO OUTAUDIO IN AUDIO IN
VIDEO OUT
VIDEO IN VIDEO IN VIDEO IN VIDEO IN
FRONT
VIDEO OUT
SWITCHED 120W/1A MAX
AC 120V 60Hz
4
8
VIDEO OUT
S-VIDEO
OUT
S-VIDEO
OUT
S-VIDEO
IN
S-VIDEO
IN
S-VIDEO
IN
CTRL S
IN
CTRL S
OUT
CTRL S
OUT
CTRL S
STATUS IN
ANTENNA
FM
75
SUB
WOOFER
INOUT
MONITOR
DVD/LD
VIDEO 2 VIDEO 1
AC OUTLET
IMPEDANCE
SELECTOR
R
L
R
L
R
L
SURROUND CENTER FRONT
IMPEDANCE USE 8 – 16 IMPEDANCE USE 4 – 16
R
L
R
L
SPEAKERS
R
L
SUB
WOOFER
MULTI CH IN
FRONT SURROUND
CENTER
IN INOUT
CD/SACD
IN
PHONO
R
L
R
L
MD/DAT
CONTROL A1
2ND ROOM
AM
U
R
L
INOUT
LINE
L
R
LINE
INPUT OUTPUT
LINE
L
R
LINE
INPUT OUTPUT
LINE
L
R
OUTPUT
ç
ç
ç
ç
CENTER
INOUT
TAPE
TV/SAT
COAXIAL

Related product manuals