EasyManua.ls Logo

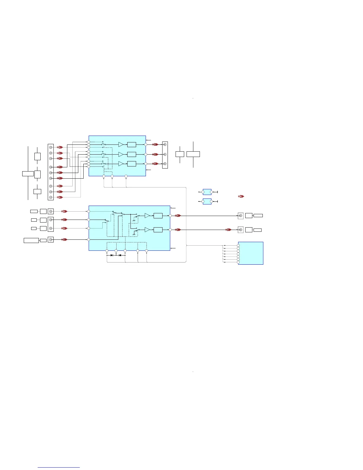
Sony STR-DG710 - Video Section Block Diagram; Video Signal Switching and Routing

Sony STR-DG710
86 pages
Print Icon
To Next Page IconTo Next Page
To Next Page IconTo Next Page
To Previous Page IconTo Previous Page
To Previous Page IconTo Previous Page
Loading...
STR-DG710
19 19
STR-DG710
1
CH1 IN1
CH2 IN2
CH2 IN1
CH3 IN2
CH3 IN1
CH1 IN2
CH2 IN3
CH3 IN3
CH1 OUT
CH2 OUT
CH3 OUT
2 4
Y
P
B/
C
B
P
R/
C
R
Y
SW1 SW2
COMP_S1 COMP_S2
P
B/
C
B
P
R/
C
R
Y
P
B/
C
B
P
R/
C
R
J301
J201 (1/2)
22
75
DRIVER
6dB AMP
20
75
DRIVER
6dB AMP
18
75
DRIVER
6dB AMP
21
P.SAVE
V MUTE
14
D203 D204
10 4
13
J200 (1/2)
5
3
SAT
VIDEO
IN
DVD
VIDEO
IN
VIDEO 1
IN
VIDEO
IN
VIDEO
IN
COMPONENT
VIDEO
–1
–2
–3
–4
V5
–6
V7
–8
–9
Y
P
R/
C
R
P
B/
C
B
J302
MONITOR
OUT
COMPONENT
VIDEO
–1
1
75
DRIVER
6dB AMP
15
3 1
75
DRIVER
6dB AMP
-2
J201 (2/2)
J200 (2/2)
–2
–3
–1
VIDEO 1
DVD
SAT
–2
VIDEO
IN
–1
VIDEO
OUT
VIDEO 1
-3
VIDEO
OUT
MONITOR
+5V
REG
IC807
+5V-3
3 2
–5V
REG
IC804
–5V-3
V COMP SW1
V COMP SW2
V_SW2
V_SW4
V MUTE
V_SW1
COMP_S1
COMP_S2
V_SW2
V_SW4
V MUTE
V_SW1
SYSTEM CONTROL
IC1907 (3/6)
VEE
–5V-3
VCC
+5V-3
+15V
–15V
M.OUT
V1 OUT
V-1,-2
–5V-3
V+1,+2
+5V-3
V1
J298 (1/2)
9
VIDEO
–1
VIDEO 3 IN/
PORTABLE AV IN
V3
DVD
SAT
V_SW1
V_SW2
V_SW3
SW1
SW2
SW3
6
V_SW4
SW4
INPUT
SELECTOR
IC203
COMPONENT VIDEO SELECT
IC304
2
SW5
30
29
28
34
33
V_SW3
V_SW3
32
31
3
CH1 IN3
5
7
9
11
16
14
12
• Signal path
: VIDEO
5-4. BLOCK DIAGRAM — VIDEO SECTION —

Table of Contents

Other manuals for Sony STR-DG710

Related product manuals