EasyManua.ls Logo

Sony STR-DH830 - Connecting Audio and Video Equipment

Sony STR-DH830
88 pages
Print Icon
To Next Page IconTo Next Page
To Next Page IconTo Next Page
To Previous Page IconTo Previous Page
To Previous Page IconTo Previous Page
Loading...
22
GB
D:\NORM'S JOB\SONY HA\SO0190\STR-DH730_DH830_PMRF
01\4408151112_GB\GB04GET_STR-DH730-CEL.fm
masterpage: Left
STR-DH830/STR-DH730
4-408-151-11(2)
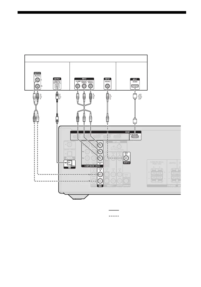
3: Connecting the TV
You can watch the selected input image when you connect the HDMI TV OUT or MONITOR OUT
jack to a TV. You can operate this receiver using a GUI (Graphical User Interface) if you connect
HDMI TV OUT jack to a TV.
Before connecting cords, be sure to disconnect the AC power cord (mains lead).
ARC
TV
A
Audio/Video
signals
Audio signals Video signals
B* CDE*
or or
**
A Audio cord (not supplied)
B Optical digital cord (not supplied)
C Component video cord (not supplied)
D Video cord (not supplied)
E HDMI cable (not supplied)
Sony recommends that you use an HDMI-
authorized cable or Sony HDMI cable.
Recommended connection
Alternative connection

Table of Contents

Other manuals for Sony STR-DH830

Related product manuals