EasyManua.ls Logo

Sony STR-K1600 - Printed Wiring Board DCDC Section (AUS, MY, SP, TH Model)

Sony STR-K1600
68 pages
Print Icon
To Next Page IconTo Next Page
To Next Page IconTo Next Page
To Previous Page IconTo Previous Page
To Previous Page IconTo Previous Page
Loading...
STR-K1600
4040
STR-K1600
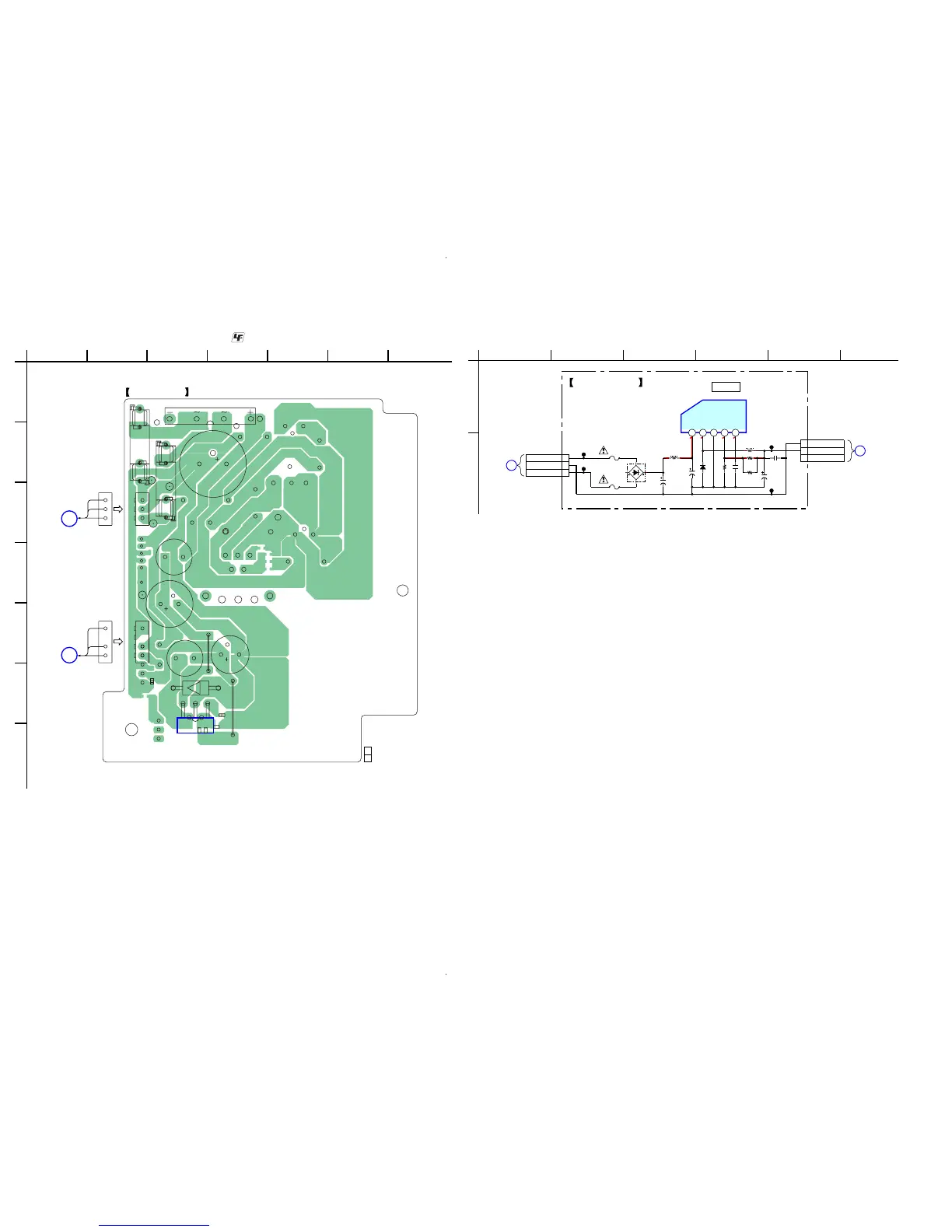
5-27. SCHEMATIC DIAGRAM — DCDC SECTION (AUS, MY, SP, TH MODEL) —
STANDBY
BOARD
CNP804
S
DIGITAL
BOARD
(2/4)
CNP512
O
(AUS,MY,SP,TH MODEL)
17.5
6.5
5.1
2.4
(AUS,MY,SP,TH)
(AUS,MY,SP,TH)
523
A
B
461
~
~
12345
SI-8050S-LF1101
IC4001
35V
3300
C4002
CL001
CL002
CL003
CL004
0.1C4004
680
R4002
1.5kR4000
470
R4001
16V
1000
C4005
RK36LF-B3D4803
100uH
L4000
100uH
L4001
1
3
4
CN4103
DGND
+6.3V
DGND
D3SB60F3
D4001
RECT
1
2
3
3P
CN4001
R2 AC
R2 GND
R2 AC
35V
1000
C4003
F4001
250V
250V
F4002
0.47
C4006
DCDC BOARD
+6.5V REG
IC4001
3P
T3.15AL
T3.15AL
(Page 39)
(Page 28)
5-26. PRINTED WIRING BOARD — DCDC SECTION (AUS, MY, SP, TH MODEL) —
• Refer to page 14 for Circuit Boards Location. : Uses unleaded solder.
Ver. 1.1
1
A
B
C
D
E
F
G
234567
1-872-427-
(11)
11
ORG
GRY
GRY
S
STANDBY
BOARD
CNP805
(AUS,MY,SP,TH)
ORG
GRY
GRY
O
DIGITAL
BOARD
CNP512
(AUS,MY,SP,TH)
315
24
14
C4002
F4001
F4002
C4003
C4004
C4005
R4000
R4001
R4002
IC4001
CN4103
CL001
CL002
CL003
L4000
JW4008
JW4011
C4006
CN4001
D4001
13
1
4
CN4001
CN4103
1
3
D4803
L4001
CL004
DCDC BOARD (AUS,MY,SP,TH MODEL)
(Page 38)
(Page 26)

Related product manuals