EasyManua.ls Logo

Sony STR-K785 - IC Block Diagrams (Continued); Main Board IC Block Diagrams

Sony STR-K785
52 pages
Print Icon
To Next Page IconTo Next Page
To Next Page IconTo Next Page
To Previous Page IconTo Previous Page
To Previous Page IconTo Previous Page
Loading...
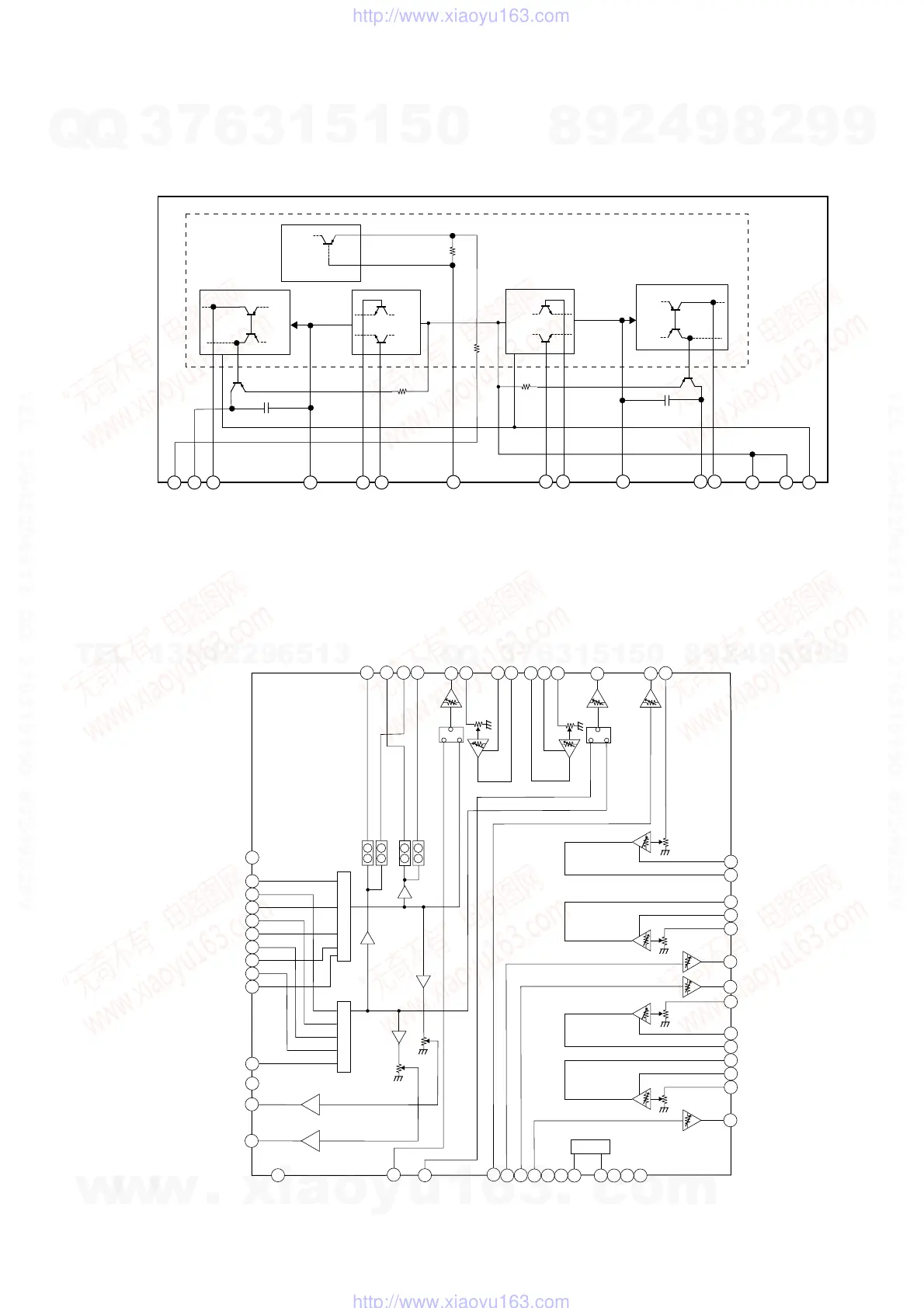
33
STR-K785
IC501, IC601, IC701 STK350-530T-E
123 4 56
STAND-BY
CIRCUIT
PRE
DRIVER
PRE
DRIVER
DRIVER
DRIVER
47k
33
33
4.7k
789101112131415
STANDBY CONTROL
+VOUT1
-VOUT1
+VOUT2
VCC
VCC
VEE
-VOUT2
NF1
PHASE
PHASE
NF2
IN1
IN2
GND
– MAIN Board –
IC400 M61542FP
2
1
55
5356 54
16
17
3
4
5
6
5 Input selector
7
8
9
10
11
12
15
13
19
18
20
21 22 23 24 25 26 27 28
5 Input selector
45
29
30
32
31
Volume
14
Input ATT
(for ADC)
Input ATT
(for ADC)
36
35
33
34
Volume
37
38
40
39
Volume
GND
SRC
SLOUT
SLC
SLVIN
SLIGO
CIGO
CVIN
CVC
COUT
SWOUT
SWC
SWVIN
SWIGO
SLOUT
RECR2
RECR1
RECL1
LIGO
LVIN
LVC
LOUT
ROUT
RVC
RVIN
RIGO
SRIGO
SRVIN
RECL2
INL5
INR5
INL4
INR4
INL3
INR3
INL2
INR2
INL1
INR1
ADIFL
ADIFR
GND
LIN
RIN
SLIN
SRIN
CIN
SWIN
GND
GND
DATA
CLOCK
DVDD
AVCC
GND
AVEE
44
43
41
42
Volume
52
51
49
50
Volume
46
48
47
Volume
MCU I/F
w
w
w
.
x
i
a
o
y
u
1
6
3
.
c
o
m
Q
Q
3
7
6
3
1
5
1
5
0
9
9
2
8
9
4
2
9
8
T
E
L
1
3
9
4
2
2
9
6
5
1
3
9
9
2
8
9
4
2
9
8
0
5
1
5
1
3
6
7
3
Q
Q
TEL 13942296513 QQ 376315150 892498299
TEL 13942296513 QQ 376315150 892498299
http://www.xiaoyu163.com
http://www.xiaoyu163.com

Related product manuals