EasyManua.ls Logo

Sony STR-KM5 - Printed Wiring Board - TUNER1 Board; Schematic Diagram - TUNER1 Board

Sony STR-KM5
85 pages
Print Icon
To Next Page IconTo Next Page
To Next Page IconTo Next Page
To Previous Page IconTo Previous Page
To Previous Page IconTo Previous Page
Loading...
STR-KM5/KM7
STR-KM5/KM7
4646
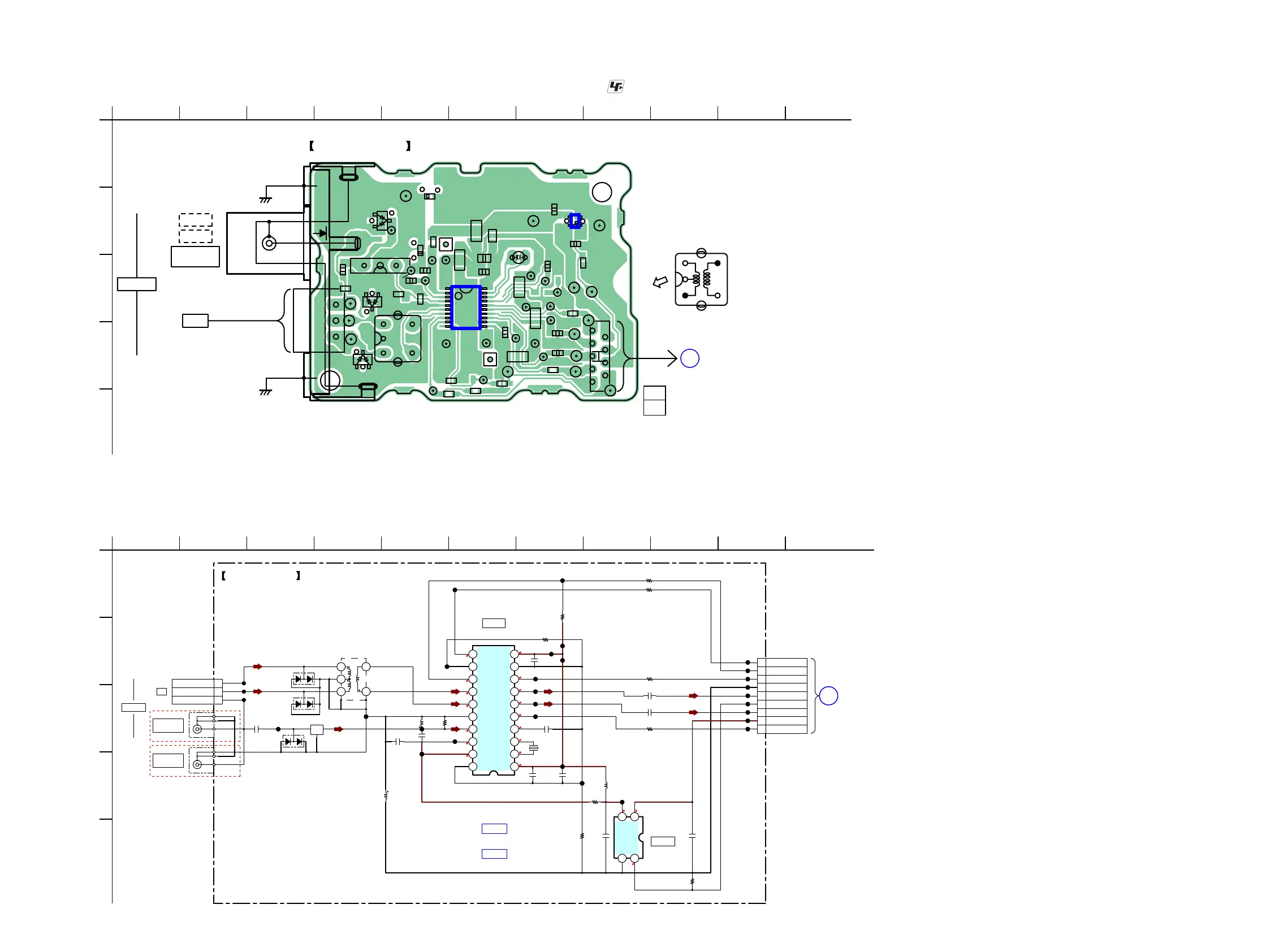
5-36. SCHEMATIC DIAGRAM – TUNER1 Board –
• See page 49 for IC Block Diagrams.
5-35. PRINTED WIRING BOARD – TUNER1 Board –
• See page 19 for Circuit Boards Location. • : Uses unleaded solder.
Ver. 1.5
1
A
B
C
D
E
2 3 4 5 6 7 8 9 10 11
TUNER1 BOARD
3.3 5
3.3
3.3
3.3
1.6
1.6
0
0
0
0
3.3
0
0
0
0
0
0
3.3
BPF
FL101
1
C112
1
C111
MC2837
D103
0.1
C109
2.2
C108
100
R107
MC2837
D102
MC2837
D101
32.768kHz
X101
C105 1
600uH
L101
1
2
3 4
6
0
R109
0.047
C106
22R105
22R103
100R106
100R101
4.7uH
L105
0
R108
R110
10k
GND
1
VDDRF
2
CP2
3
FRF1
4
GNDRF
5
ARF1
6
ARF2
7
IIC/RDSI
8
LA
9
CK
10
VDD
11
GND
12
DA
13
ROUT
14
LOUT
15
IISD
16
CP1
17
X1
18
X2
19
VDD
20
JL112
JL102
JL104
JL106
JL108
JL110
JL103
JL105
JL107
JL109
JL115
JL114
JL111
JL113
0R104
1
2
3
4
5
6
7
8
9
9P
CN101
IISD (data audio)
VDD
AUDIO L/LRCK
CE (p con)
AUDIO R/BCK
GND
DA (for IIC)
IIC/RDSI
CK (for IIC)
JL118
JL117
JL116
1
2
3
3P
CN103
AM
AM
FM
10k
R113
CN102
3P
3P
1
CE
2
3
Vout
4
Vdd
MM3404A33URE
IC102
GND
0.047
C107
C110
10
470p
C101
1C102
1C103
47nH
L103
220nH
L104
JL121
JL122
JL123
JL124
JL125
JL126
JL127
JL130
JL131
JL132
JL133
JL134
JL135
ARF2
ARF1
+3.3V REG
IC102
E
DIGITAL
AUDIO
BOARD
(4/4)
CN2505
(Page 25)
&2$;,$/
FM
&2$;,$/
FM
AM
ANTENNA
CN104
EXCEPT KM5:US
KM5:US
IC101
RZ5B801-0001E2
(KM5:US)
RZ5B801-0002E2
(EXCEPT KM5:US)
IC101
FM RECEIVER
IC B/D
IC B/D
1
A
B
C
D
E
2 3 4 5 6 7 8 9 10 11
IC101
IC102
X101
L101
FL101
GOI
2
1
8
9
CN101
13
CN103
CN102
CN104
A001
R106
R105
R103
R101
R110
C105
C101
C111
C112
D103
C109
C103
R107
C108
C102
C107
L105
D102
D101
C106
JR
JR101
R104
JR
JR102
JR
JR105
R108
R109
JL113
JR
JR109
JR
JR112
C110
R113
JR
JR106
L103
L104
JL107
JL117
JL112
JL118
JL102
JL108
JL115
JL106
JL109
JL104
JL103
JL105
JL116
JL110
JL111
JL114
JL131
JL125
JL124
JL135
JL127
JL132
JL130
JL121
JL133
JL128
JL134
JL129
JL126
JL122
JL123
TUNER1 BOARD
(CHASSIS)
(CHASSIS)
ȍ&2$;,$/
FM
AM
ANTENNA
A
DIGITAL
AUDIO
BOARD
CN2505
(Page 20)
1-885-134-
11
(11)
13
64
L101
1
2
3
6
4
S1
S2
(;&(37
KM5:US
KM5:US

Table of Contents

Related product manuals