EasyManua.ls Logo

Sony STR-KM5 - Page 53

Sony STR-KM5
85 pages
Print Icon
To Next Page IconTo Next Page
To Next Page IconTo Next Page
To Previous Page IconTo Previous Page
To Previous Page IconTo Previous Page
Loading...
STR-KM5/KM7
53
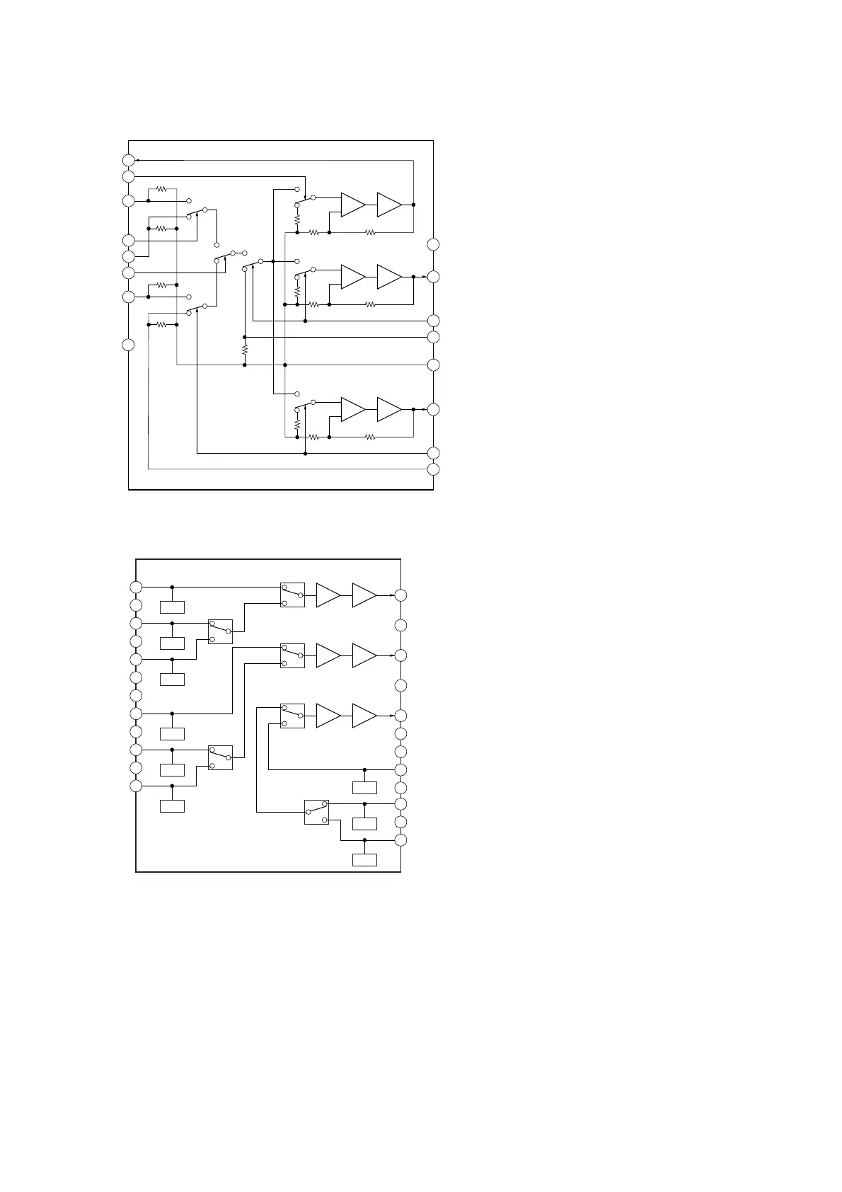
IC210 NJM2595M-TE2 (POWER AVIDEO BOARD)
IC220 NJM2586AM (POWER AVIDEO BOARD)
15 VOUT2
16 V+
14 SW1
75:
DRIVER
6dB
AMP
75:
DRIVER
6dB
AMP
11 VOUT3
75:
DRIVER
6dB
AMP
13 VIN1
12 GND
10 SW2
9 VIN2
3VIN5
4SW3
5VIN4
6SW4
7VIN3
2SW5
1VOUT1
8V–
CONT2
CONT2
CONT1
CONT1
CONT1
1CH1 IN1
2SW1
4SW2
24 CH1 OUT
23 PS
BIAS
3CH1 IN2
BIAS
5CH1 IN3
6GND
7V+1
BIAS
11GND
12CH2 IN3
BIAS
8CH2 IN1
9GND
BIAS
10CH2 IN2
BIAS
75:
DRIVER
6dB
AMP
22 CH2 OUT
75:
DRIVER
6dB
AMP
21 V+2
20 CH3 OUT
19 GND
18 V–2
16 V–1
17 CH3 IN1
75:
DRIVER
6dB
AMP
BIAS
15 CH3 IN2
BIAS
13 CH3 IN3
14 GND
BIAS
CONT2

Table of Contents

Related product manuals