EasyManua.ls Logo

Sony TA-SP55 - 4-1. Block Diagram

Sony TA-SP55
20 pages
Print Icon
To Next Page IconTo Next Page
To Next Page IconTo Next Page
To Previous Page IconTo Previous Page
To Previous Page IconTo Previous Page
Loading...
TA-SP55
9
9
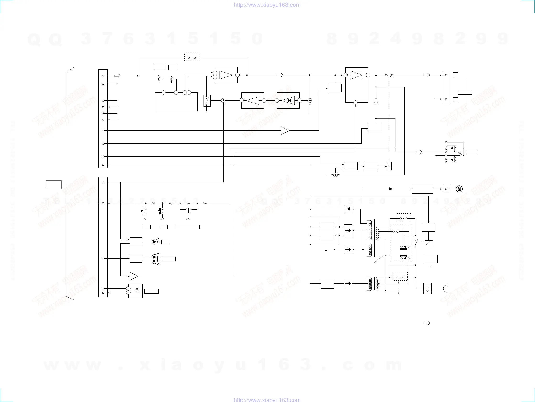
4-1. BLOCK DIAGRAM
1
3
2
1
2 4 3
57
1
3
21
7
6
3
DSG
DSG
STANDBY
VOLUME
FUNCTION SELECT
LED
DRIVE
LED
DRIVE
Q912,913
Q911,914
Q311,312
D911
D912
S921
MUTE
MUTE
Q552,553
Q802-804 Q801
RY801
CN551
FAN DRIVE
CN101
FAN
DC
DETECT
RELAY
DRIVE
RY101
+7V
REG.
-7V
REG.
+UNREG(H)
(+13V)
+UNREG(L)
-UNREG(L)
+7V
+5.6V
-7V
VCC
Q201
IC211
Q202
D201-204
D209-210
D251
D211-214
T102
D551
TR101
HK, MY, SP
model
(POWER AMP)
+5.6V
REG.
RELAY
DRIVE.
JW102
AEP, AED, UK, KR
model
JW104
IC502
JW101
AEP, AED, UK, KR model
Q211
AC
IN
L
L
SPEAKER
PHONE
TM801
R-CH
R-CH
R-CH
R-CH
IC801
POWER AMP
Q512
Q314
MUTE-A
IC552(2/2)
IC552(1/2)
Q301,302
BUFFER
Q516
IC501
SHK PROCESSOR
TREB
BASS
+
-
L-SHK
TREBLE
RV503 RV502
BASS
L
R
-UNREG(L)
+UNREG(L)
+5.6V(UNSW)
+13V(REG)
XPRE-MUTE
HP-MUTE
XS-RELAY
P-RELAY
DSG-OFF
TA-KEY/HPSW
ON/STBY/
AMP-MUTE
ENC0
ENC1
ENC0
ENC1
R-CH
L-ORG
-UNREG(L)
+UNREG(L)
+5.6V
+UNREG(H)
DSG OFF
TAKEY HPSW
8
6
1
3
4
5
5
2
1
3
4
11
10
12
9
CN301(1/2)
CN302
S901 S902 S931
J667
09
F102
S101
S101
VOLTAGE
SELECT
220V-240V 110V-120V
SYSTEM
CONTROL 1
TO
ST-SP55
"/1
: FM
Signal Path
R-ch is omitted due to same as L-ch.
w
w
w
.
x
i
a
o
y
u
1
6
3
.
c
o
m
Q
Q
3
7
6
3
1
5
1
5
0
9
9
2
8
9
4
2
9
8
T
E
L
1
3
9
4
2
2
9
6
5
1
3
9
9
2
8
9
4
2
9
8
0
5
1
5
1
3
6
7
3
Q
Q
TEL 13942296513 QQ 376315150 892498299
TEL 13942296513 QQ 376315150 892498299
http://www.xiaoyu163.com
http://www.xiaoyu163.com

Related product manuals