EasyManua.ls Logo

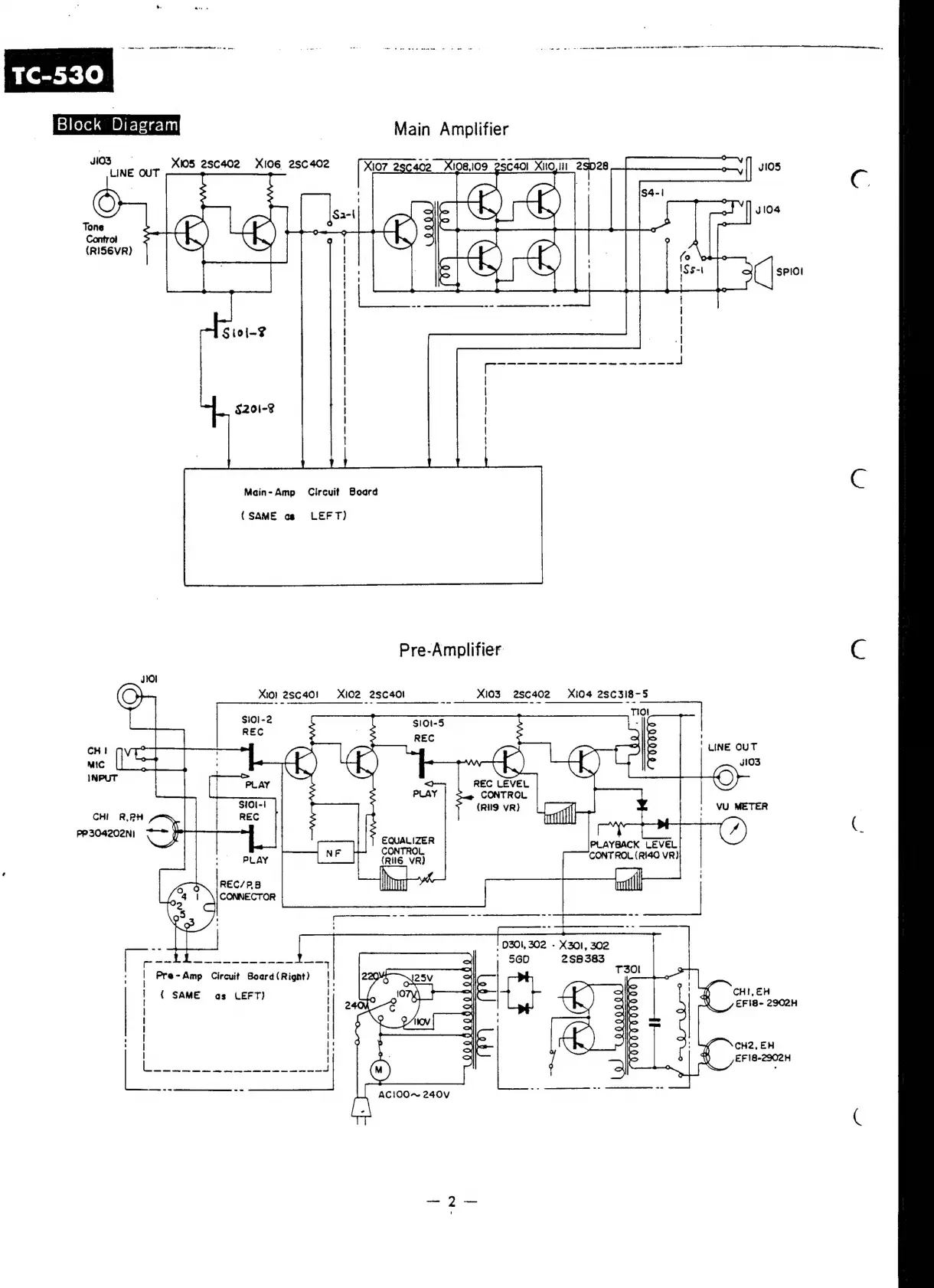
Sony TC530 - Block Diagram; Main Amplifier

Sony TC530
28 pages
Print Icon
To Next Page IconTo Next Page
To Next Page IconTo Next Page
To Previous Page IconTo Previous Page
To Previous Page IconTo Previous Page
Loading...
cp
ee
er
ee
I
SL
TEES
ate
Block
Diagram
|
Main
Amplifier
TNE
OUT
XWS
28c402
XI06_
2sC-402
az
25C402
108,109
25040!
XiIG
III
2sp28
©
Tone
1@
Control
(RISGVR)
i
Main-Amp
Circuit
Soard
(SAME
cs
LEFT)
Pre-Amplifier
J101
Xiot
28040!
=
Xi02
2sc40!
&lO3
2sc402
=
Xi04
28C318-5
a
Siol-2
"IC
Le
eo
an
CH
|
:
Iie
LINE
OUT
MIC
[
op
‘¢
‘¢@
CK
te
:
JlO3
nee
_
fl
PLAY
©)
REC
LEVEL
CONTROL
St0l-!
(RID
VR)
|
VU
METER
CHI
R.PH
==
REC
\
pp304202N1
+
}
@
y,
chee
ia
PLAYBACK
LEVEL
REC/PB
CONNECTOR
i
|
0301,
302
-
X301,
302
|
eae
a
fa
ee
RT
RRR
A
EOE
.
,
SGD
2$8383
Pre-Amp
Circuit
Soard
(Right)
|
!
{
SAME
as
LEFT)
|
|
|
|
|
%
cH!
eH
XR
_/
EFI8-
2902H
il
a
OO
0
0
~
CH2,EH
EF18-2902H
.
AES
ee