EasyManua.ls Logo

Sony TCS-100DV - 6 Diagrams; Block Diagram - AUDIO Section; Block Diagram - MAIN Section

Sony TCS-100DV
25 pages
Print Icon
To Next Page IconTo Next Page
To Next Page IconTo Next Page
To Previous Page IconTo Previous Page
To Previous Page IconTo Previous Page
Loading...
TCS-100DV
– 13 –
– 14 –
– 15 –
– 16 –
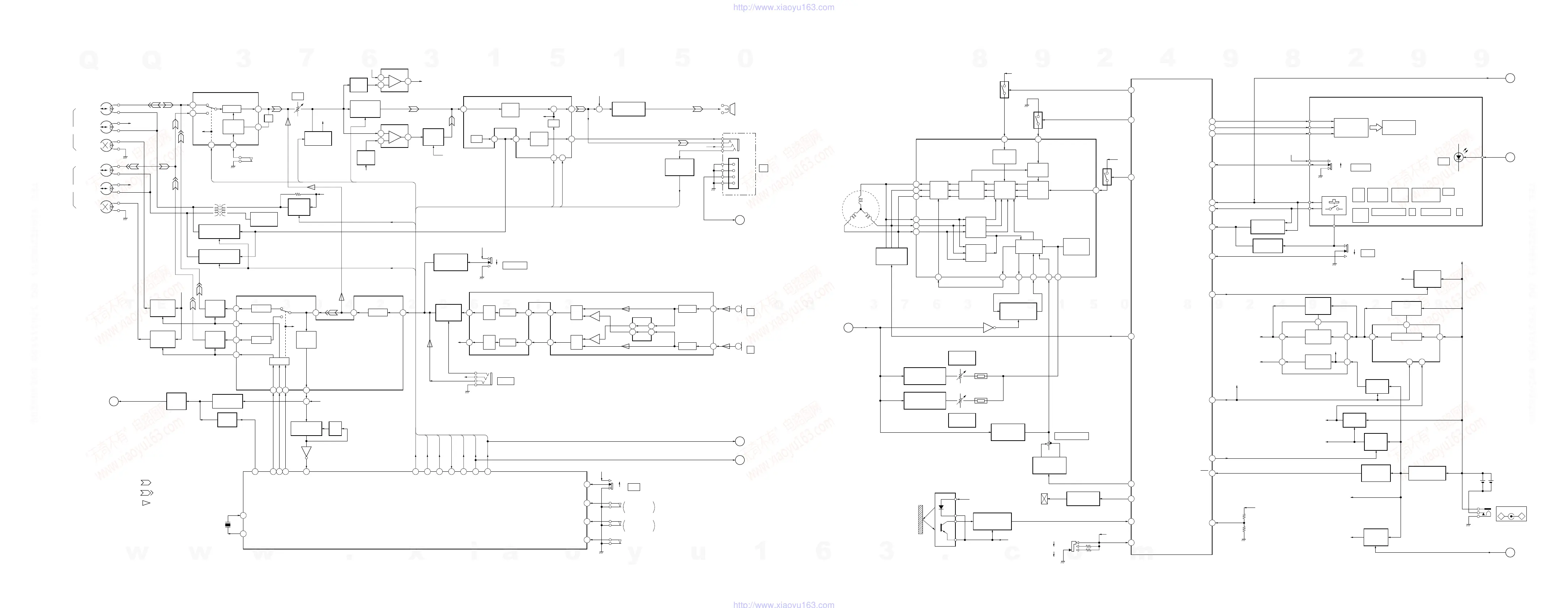
6-1. BLOCK DIAGRAM – AUDIO Section –
SECTION 6
DIAGRAMS
6-2. BLOCK DIAGRAM – MAIN Section –
1
5
7
8
4644
H901
(REC/PB/ERASE)
FWD
REV
L-CH
R-CH
R-CH
ERASE
L-CH
R-CH
R-CH
ERASE
PB AMP
(PREAMP)
IC301 (1/3)
RV301
FWD
IN-L
REV
IN-L
R-CH
F/R
SW
M/N
SW
PREAMP
REC BIAS OSC
Q309
METAL
CONTROL
EQ
PRE
OUT-L
MTL
DRV-L
S703-2
(ATS)
T301
REC BIAS OSC
FR CTL
CUE/REV
V-UP CTL
5
6
+
7
28
3 32 21
20
4139
3
4
+
1
3332 35
20
10
21
9
6
ATTENUATOR
Q303
BUFFER
Q319-2
SPEAKER AMP
IC303, Q321, 322
POWER
AMP
POWER
AMP
BUFFER
Q319-1
R-CH
R-CH
R-CH
R-CH
R-CH
R-CH
R-CH
DIRECTION CONTROL
Q312, 315, 332
VOICE MIRROR
Q330
LED OFF
Q318
VOR DETECTOR
IC306
AGC
Q325
DIRECTION CONTROL
Q310, 311, 331
REC BIAS
CONTROL
Q333
FWD ERASE
SWITCH
Q306-2
REV ERASE
SWITCH
Q306-1
VOICE
MIRROR
Q329
REV REC
SWITCH
Q304
FWD REC
SWITCH
Q305
MIC
MONITOR
AMP
SOUND DIRECT
SWITCH
Q313
VOICE-UP
SWITCH
Q320
HEADPHONES
DETECT
Q326
BIAS B+
VOICE-UP AMP
IC304 (1/2)
VOICE-UP AMP
IC304 (2/2)
V-UP B+
SPEED CTL
S302
MIC SENS
J302
MIC
VOR
S301
FR CTL
+ +
BEEP
VREF
PW
IN-L
PW
OUT-L
PB AMP
(POWER AMP)
IC301 (2/3)
REF
OUT
PW
IN-C
PW
OUT-C
BEEP
BEEP
MT SW
MUTE CTL
HP DET
SP301
(SPEAKER)
J301
B
i
REMO
GND
REMO
(Page 16)
C
V-UP CTL
(Page 16)
D
SPEED CTL
(Page 15)
BIAS B+
LED
(Page 16)
46
28
41
27
44
15 16 23 13
17 18 19
1112
REC AMP
REC AMP
MIC AMP
CONTROL
REC AMP
(REC/MIC/MONITOR AMP)
IC302 (1/2)
FWD
REC L
REV
REC L
CONT D
CONT C
REC IN L
REC/
PLAY
REC
MUTE
FWD/RVS
MONITOR L
MIC
OUT L
MIC
IN L
+
R-CH
R-CH
X701
4MHz
A
Q308
SIGNAL PATH
: PB
: REC
: MIC
05
R-CH : Same as L-CH.
5
8
31 27 29 26 33 14 47 20 24 23 52 19
40
36
35
48
X0
X1
LED OFF
REC CTL
FR CTL (REC)
REC MUTE
VOR IN
CUE/REVIEW
BEEP
MUTE CTL
HP DET
FR CTL (PLAY)
SPEED CTL
VOICE-UP CTL
CUE/REV
BEEP
MUTE CTL
HP DET
FR CTL
SPEED CTL
V-UP CTL
SYSTEM CONTROLLER
IC701 (1/2)
MIC SENSITIVITY
CONTROL
Q302
MIC SELECT
SWITCH
Q301
AMP CTL
B+
L
H
R-CH
R-CH
MIC
AMP
H. P. F
PREAMP
L
PREAMP
MIC
AMP
MIX
AMP
MIX
AMP
H. P. F
OUT
HPF
IN L
HPF
IN R
MIX AMP
OUT L
MIX AMP
OUT R
MIC AMP
IC305
MIX BUFF
IN L
INT AMP
OUT L
INT AMP
OUT R
MIX BUFF
IN R
INT
IN L
INT
IN R
24
MIC101
R
MIC201
VOR SW
F TUME
R TUME
TAPE SW
AMP CTL B+
ON
OFF
REC PROTECT
DETECT (FWD)
S703-1
REC PROTECT
DETECT (REV)
S702-1
S702-2
(TAPE DETECT)
VOL
46
27 26
1
28303478
25
9
10
17
15
13
42
43
51
16
34
15
54
55
61
60
53
41
50
37
18
22
30
2
63
REWIND
SWITCH
Q604-2
MOTOR ON
SWITCH
Q604-1
BATT B+
BATT B+
MOTOR RESTART
SWITCH
Q605
CAPSTAN/REEL
MOTOR DRIVE
IC601
START-UP
CONTROL
SERVO, AMP
CIRCUIT
TIMING
CONTROL
SOFT
SWITCHING
DRIVE
MOTOR
DRIVE
CIRCUIT
DIRECTION
CONTROL
OSC
CIRCUIT
REFERENCE
VOLTAGE
GENERATOR
INVERSE
VOLTAGE
DETECT
BRAKE
SIGNAL
DETECT
START
U
V
W
UIN
VIN
WIN
BUF-IN
BUF-OUT
REV
CSTART
IV-OUT
IV-IN
SAW
VREF
WV
U
M601
(CAPSTAN/REEL)
(Page 14)
MOTOR BRAKE
SWITCH
Q609, 610
REC TIME MODE
CONTROL SWITCH
Q607
REC TIME MODE
CONTROL
Q608
SPEED CONTROL
ON/OFF SWITCH
Q602, 603-2
PHOTO REFLECTOR
SWITCH & BUFFER
Q701
REC TIME MODE
CONTROL (NORMAL)
Q601-1
REC TIME MODE
CONTROL (DOUBLE)
Q601-2, 603-1
Q606
D
SPEED CTL
TAPE SPEED
(NORMAL)
RV602
TAPE SPEED
(DOUBLE)
PLUNGER DRIVE
Q702, 703
RV603
THP601
THP602
ROTATION DETECT
SENSOR
PH701
05
DDC B+
AMP CTL B+
PM701
(PLUNGER)
MOTOR DIR
RESTART
MOTOR CTL
SD
SCK
KEY IN 1
KEY IN 2
CS
SPEED SW
WAKE UP
HOLD SW
SPEAKER CTL
AMP CTL
REC CTL2
RST
BATT DET
SPCON OFF
PM CTL
PHOTO IN
62
MD SW
MOTOR BRK
SYSTEM CONTROLLER
IC701 (2/2)
BATT B+
WAKE UP DETECT
Q704
KEY IN DETECT
Q705
LIQUID CRYSTAL
DISPLAY
AMP CTL B+
KEY BOARD UNIT
LCD DRIVER
IC1
SD
SCK
CS
SEG1
ı
SEG14
OFF
ON
STOP
x
S1
REC TIME
DOUBLE
NORMAL
S2
D1
REC
(Page 13)
REC
S6
COUNTER RESET
S8
+ ––
S9
S10
EASY SEARCH
HOLD
S704
RV601
SPEED CONTROL
S2-10
PAUSE
X
S7
PLAY/DIR
Y
S3
FF/CUE
M
S4
REW/REVIEW
m
S5
A
(Page 14)
C
(Page 14)
B
LED
REMO
BATT B+
SPEAKER ON
B+ SWITCH
Q323, 324
REC BIAS
REGULATOR
Q307
RESET SIGNAL
GENERATOR
IC703
VOICE-UP
B+ SWITCH
Q327
REC ON
B+ SWITCH
Q317
SP B+
18
7
5 8
453
17
42 45
19
RIPPLE FILTER
Q316
B+ SWITCH
Q328
B+ SWITCH
Q314
DC/DC CONVERTER
IC702
REC BIAS
REGULATOR
MIC
REGULATOR
RIPPLE FILTER
BASE
BASE
VCC1
VCC2
VCC2
BIAS B+
MIC B+
BIAS REG
MIC REG
REC AMP
(REC BIAS/MIC REGULATOR)
IC302 (2/2)
AMP CTL B+
RF OUT VCC
PB AMP
(RIPPLE FILTER)
IC301 (3/3)
PW SW
PRE SW
VOR B+
MIC AMP B+
DDC B+
V-UP B+
DRY BATTERY
SIZE "AAA"
(IEC DESIGNATION R03)
2PCS. 1.5V
V-UP CTL
+
J701
DC IN 1.5V
AMP CTL
B+
S701
(DIRECTION)
FWD
STOP
REV
w
w
w
.
x
i
a
o
y
u
1
6
3
.
c
o
m
Q
Q
3
7
6
3
1
5
1
5
0
9
9
2
8
9
4
2
9
8
T
E
L
1
3
9
4
2
2
9
6
5
1
3
9
9
2
8
9
4
2
9
8
0
5
1
5
1
3
6
7
3
Q
Q
TEL 13942296513 QQ 376315150 892498299
TEL 13942296513 QQ 376315150 892498299
http://www.xiaoyu163.com
http://www.xiaoyu163.com

Related product manuals