EasyManua.ls Logo

Sony TRINITRON KV-25X5E - IC BLOCK DIAGRAMS

Sony TRINITRON KV-25X5E
8 pages
Print Icon
To Previous Page IconTo Previous Page
To Previous Page IconTo Previous Page
Loading...
53
45
APC
<HUE>
C VCO
4.433619MHz
3.579545MHz
9.582058MHz
PAL/NTSC
DEMOD
COLOR SYSTEM DISCRIMINATOR
PAL ID <PAL/NTSC> <XTAL ID>
PAL/NTSC COLOR KILLER <KILLER>
SECAM ID <SECAM>
<XTAL> <COL SYSTEM> <COL LOOP>
<ID START> <ID STOP> <HUE>
CHROMA
AMP
BPF
PAL 4.43MHz
NTSC 3.58MHz
<C BPF>
BELL
FILTER
(ZAP)
LIM
AMP
PLL
SECAM
FM DEMOD
ACO DET.
ACC AMP ACC AMP ACC DET
FILTER ALIGNMENT
CHROMA SW
Y SW
MONITOR SW
VIDEO SW
<VIDEO SEL>
<S SEL>
ATT
V SYNC SEP
<VSS>
<VSS LPF>
H SYNC SEP
<HSS>
COUNT DOWN LINE COUNTER
V TIM GEN
<FIELD FREQ> <UNDER SCAN>
<CD MODE>
<INTERLACE> <FIELD ID>
H SAW GEN
H OSC
<ZAP>
DL
PAL/NTSC
300 x 200nS
SECAM
300 x 200nS
<Y DELAY>
SHARPNESS DL
SHARPNESS AMP
<SHARPNESS>
<SHP FO>
<PREOVER>
SECAM
VCO
CAL. by
4.43MHz
DE-
EMPHASIS
LINE BLK
SW
NTSC
PAL,SECAM
KILLER
<KILLER OFF>
1H
DELAY LINE
(PAL/SECAM)
DPIC
<DPIC>
<AGING>
CLAMP
DC TRAN
<DC TRAN>
EYUV CLAMP
YUV SW
<Y SEL>
YUV OUT
<C DECOD>
COLOR AMP
<COLOR>
<C DFF>
AXIS
<COL MATRIX>
Y/C MIX
RGB CLAMP
VPROT
<VNG>
VM AMP
(OFF YS/YM)
WIDE SAW FUNC
<ASPECT>
<SCROLL>
<UPPER VLIN>
<LOWER VLIN>
<V ZOOM>
<V UNDER SCAN>
PHASE DET
<H POSITION>
<AFC BOW>
<AFC ANGLE>
HPROT
<HNG>
AKB
<IKR>
DAC
SW
PC BUS
DECODER
STATUS I/T
EW PARABOLA FUNC
<H SIZE> <TRAPEZIUM>
<PIN AMP> <EW DC>
<CORNER PIN>
48 47 46 5 1 15 39 38 37 28 27 26 25 32 31 30 29
23
24
35
14
11
191820
36
42
3
CLAMP
RGB 2/2
ABL/PEAK LIM
<ABL MODE>
<ABL VTH>
17 5
IREF REG
3310 12 16
13
4
7
9
6
41
2
43
HD GEN
<HD W>
V SAW GEN
(50/50)
VTIM
H TIM GEN
<H BLK>
<LEFT HBLK>
<RIGHT HBLK>
AFC
<APC GAIN>
<FH HIGH>
<H CENT>
21
22
34
VD SAW FUNC
<VON> <S CORRECTION>
<VSIZE> <V LINEARITY>
<V POSITION> <EHT COMP>
TRAP
PAL 4.43MHz
NTSC 3.58MHz
SECAM 4.2 - 4.43MHz
<TRAP OFF>
YS1 SW
<RGB SEL>
YM SW
DYNAMIC COLOR
<DY COL>
Y32 SW
PICTURE AMP
<PICTURE>
GAMMA AMP
<GAMMA>
CLAMP
BRIGHT CONT
<BRIGHT>
DRIVE AMP
<R/G/B DRIVE>
R/G/B BLK
<PON>
<RGB ON>
CUTOFF CONT
<R/G/B CUTOFF>
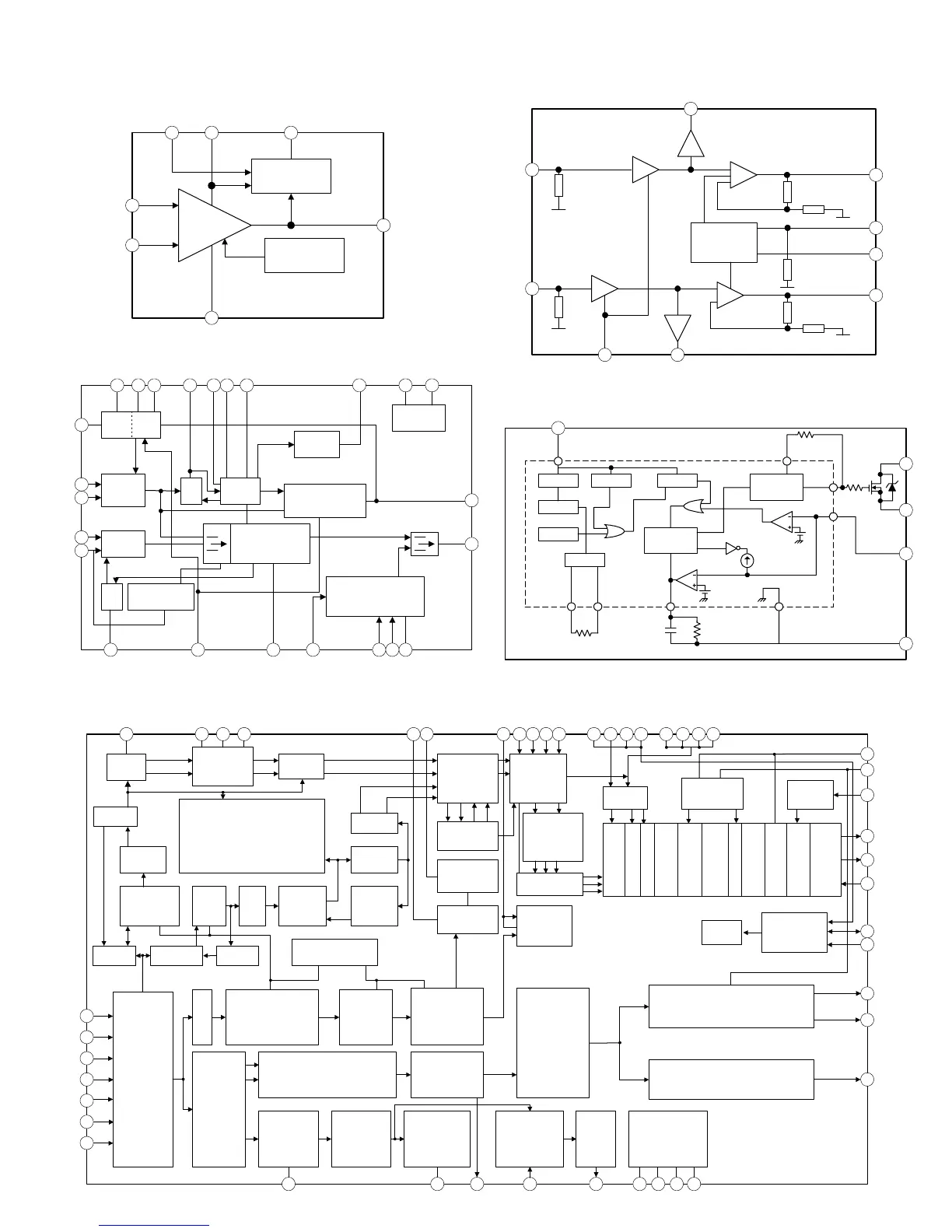
A BOARD IC301 CXA2060AS
2021
SIF
AMPLIFIER
SIF
AGC
AFC
DETECTOR
VOLTAGE
REFERENCE
INTERCARRIER
MODE SWITCH
VCO
TWO
FPLL
FM-PLL DEMODULATOR
VIF
AMPLIFIER
VIF
AGC
TUNER
AGC
QSS MIXER
INTERCARRIER
MIXER
AM DEMODULATOR
VIDEO
DEMODULATOR
AND AMPLIFIER
3 12 13 111095
24
23
2
1
14
22 15 4 6 197 18 17
16
8
A BOARD IC101 TDA9817/V1
1
5
MUTE/STBY
PROTECTIONS
14
9
10
12
43
2
VOLUME
VOLUME
OP AMP
OP AMP
30K
30K
60K
A BOARD IC201 TDA7495
REG
T.S.D
O.V.P LATCH
Iconst
O.S.C
DRIVE
START
5
3
2
1
4
A BOARD IC606 STR-F6654
FLYBACK
GENERATOR
THERMAL
PROTECTION
2 6 3
5
4
7
1
POWER
AMPLIFIER
+
-
A BOARD IC501 STV 9379
5-5. IC BLOCK DIAGRAMS

Related product manuals