EasyManua.ls Logo

Sony Trinitron KV-BM142M70 - A Board - Jack (Block 006)

Sony Trinitron KV-BM142M70
84 pages
Print Icon
To Next Page IconTo Next Page
To Next Page IconTo Next Page
To Previous Page IconTo Previous Page
To Previous Page IconTo Previous Page
Loading...
KV-BM142M70
RM-W101
KV-BM142M70
RM-W101
44 45
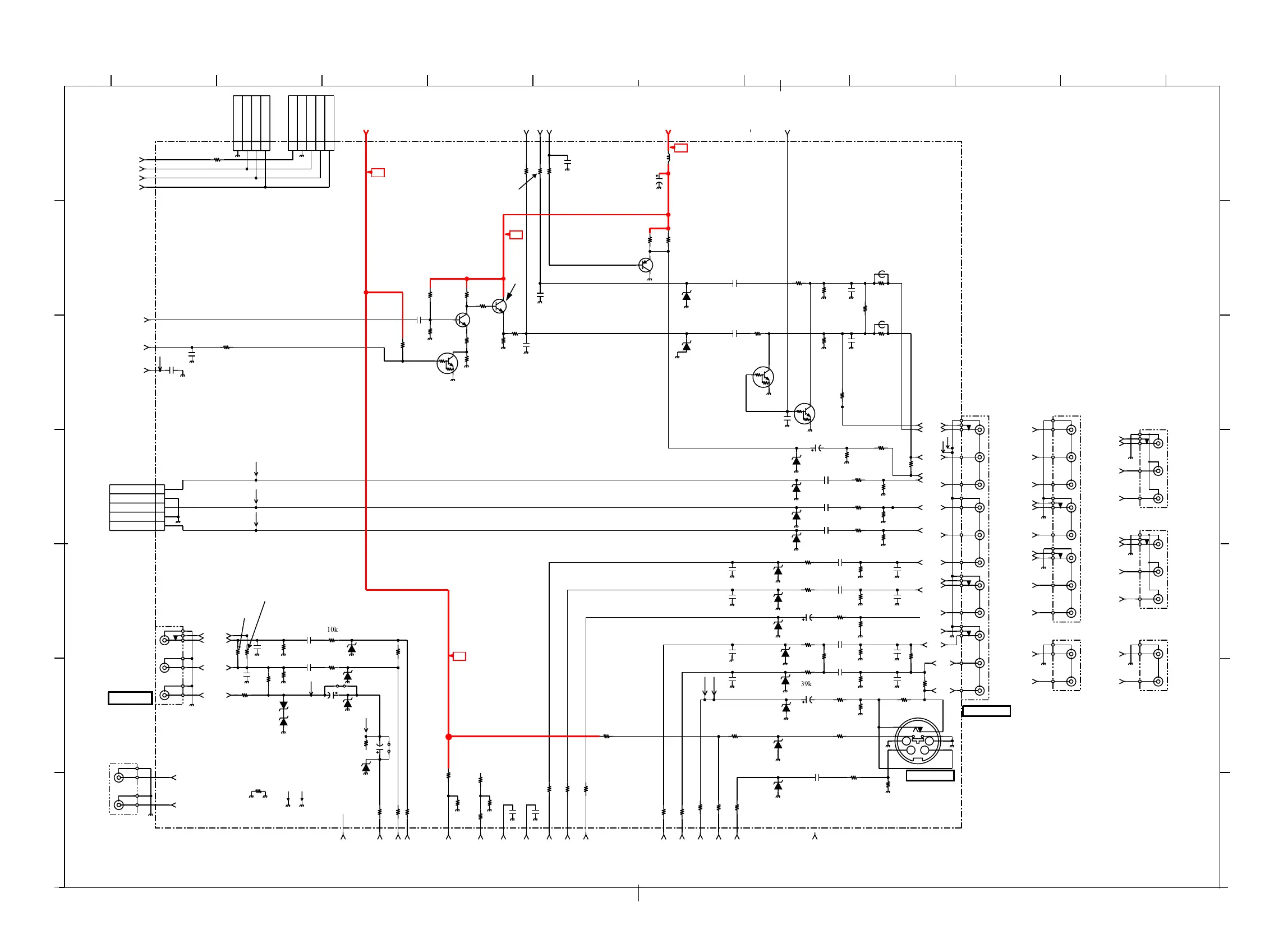
4-3-6. A Board — Jack (Block 006) Schematic Diagram
CHIP
XX
R928
CHIP
XX
R929
CHIP
XX
R930
XX
CH
C914
XX
CH
C915
470p
CH:CHIP
C912
CHIP
XX
R920
CHIP
XX
R921
CHIP
R922
XX
XX
C909
XX
C908
CHIP
XX
R918
XX
C904
CHIP
220k
R915
CHIP
75
R917
D902
XX
D903
XX
D904
XX
D908
D909
XX
D910
XX
CHIP
220
R911
CHIP
XX
R944
34
12
Terminal
J900
8P
XX
CHIP
XX
R990
CHIP
10k
R989
CHIP
XX
R919
25V
XX
B
C905
D917
XX
CHIP
XX
R923
1 16V
F:CHIP
C907
D907
0:CHIP
R9007
0:CHIP
R9008
0:CHIP
R9009
XX
R9010
0:CHIP
R9006
CHIP
XX
R925
CHIP
XX
R926
CHIP
XX
R927
D911
XX
D912
XX
D913
XX
CHIP
XX
R9015
CHIP
68
R931
CHIP
39k
R905
CHIP
XX
R907
CHIP
XX
R908
5V
001:6A;
003:10C;
004:2C;
005:2E
OUTL
001:13G
OUTR
001:13G
9V
001:6A;
002:2E;
002:6D;
003:10C;
004:2C;
005:2E
MON-MUTE
-AUDIO
002:5D
S1/VC
001:6L
CVBS1/Y1
001:13F
INL1
001:13F
INR1
001:13F
CVBS3
001:13F
INL3
001:13F
INR3
001:13F
INR2
001:13F
INL2
001:13F
CVBS2/Y2
001:13F
SCARTFBL/A16
001:13D
C1
001:13F
MON-OUT
001:13F
001:13E;
002:2A
SCARTHPL
SCARTHPR
001:13E
CVBSO
001:13E
D1_JP/MODE2_EU
/MONSW-MONO
001:7A
D1_JP/MODE1_EU
001:7L.
CHIP
XX
R9031
CHIP
XX
R9030
CHIP
100
R9028
CHIP
100
R9022
CHIP
100
R9023
CHIP
100
R9021
CHIP
100
R9034
CHIP
XX
R9016
0:CHIP
R9038
MONO_OUTL
001:13F;005:6D
CHIP
XX
R9049
CHIP
XX
R9048
2.2K:CHIP
R9046
100:CHIP
R9045
CHIP
3.3K
R9042
CHIP
1M
R9040
CHIP
1M
R9041
16V
0.1
B:CHIP
C953
CHIP
1K
R9043
UN2211
Q912
10K:CHIP
R9047
P18
P18
P16
P16
P15
P15
P14
P14
P12
P12
P11
P11
P10
P10
P7
P7
P9
P3
P3
P1
P1
P11
P10
P7
P9
P5
P3
P5
P1
P5
P12
P9
P9
P9
P5
P5
P5
P3
P5
P3
P5
P1
P16
P15
P14
P16
P15
1
2
3
4
4P
CN903
XX
GND
B INT
B DAT
B CLK
B_INT
001:1F
B_DAT
001:1F
B_CLK
0
01:1E
F1
006:3E
F1
006:2E
F2
006:3E;
006:2G
F2
006:2E;
006:2G
F3
006:3F;
006:2G
F3
006:2F;
006:2G
F4
006:3F
F4
006:2F
F3
006:2F;006:3F
L
R
V
J903
0:CHIP
R9051
R9052
CH:CHIP
C917
470p
C918
UDZSTE-175.6B
D915
CHIP
220k
R940
V
J909
F2
006:2E;006:3E
J908
JACK, 2P
1
2
3
J905 XX
1
2
3
6
7
4
5
8
9
10
11
12
13
J904 XX
1
2
3
J901 XX
1
2
3
6
7
4
5
8
9
10
11
12
13
14
15
16
17
18
35V
47
C955
D918
CHIP
75
R9053
CHIP
470
R9044
P18
1
2
3
4
5
5P
CN904
AGC
GND
B INT
B DAT
B CLK
0:CHIP
JR1903
TU-AGC
005:1C
16V
100
C956
CHIP
100
R9025
MSD601-RT1
Q911
MSD601-RT1
Q910
47uH
L902
5P
CN905
XX
Y OUT
GND
U OUT / FB
GND
V OUT
W005
W006
W007
XX
C060
XX
C062
XX
C067
0.22
C902
W016
W017
XX
FB902
XX
FB903
IFVO
005:6D
16V
2.2
F:CHIP
C900
16V
XX
F:CHIP
C901
16V
470
C903
C906
C910
C911
XX
CH:CHIP
C913
C916
XX
F:CHIP
C919
XX
CH:CHIP
C922
C925
UDZSTE-179.1B
D900
D901
D905
XX
D906
D916
J906
2
1
3
5
4
J907
2
1
3
5
4
MSB709-RT1
Q900
UN2216
Q901
XX
Q902
CHIP
R902
CHIP
1K
R904
CHIP
470
R906
CHIP
R909
XX
CHIP
XX
R910
CHIP
XX
R913
CHIP
470K
R914
CHIP
XX
R916
CHIP
470K
R924
R933
CHIP
R941
0:CHIP
R9005
R9050
XX
B
C966
16V
2.2
F:CHIP
C967
CHIP
10k
R945
CHIP
27k
R9027
CHIP
R946
CHIP
XX
R9026
W028
XX
CH
C968
XX
CH
C969
XX
CH
C970
XX
CH
C971
0:CHIP
R932
W035
1000p
B:CHIP
C975
CHIP
XX
R9058
R9059
XX
001:6L
S2
0:CHIP
R9060
R9061
0:CHIP
W051
W052
XX
C977
XX
C978
W054
W057
W059
XX
JR1015
1000p
C979
UDZSTE-173.6B
D931
UDZSTE-173.6B
D932
C
Y
P12
P11
P10
VIDEO IN 1
R2
L2
VIDEO2
R OUT
L OUT
MON OUT
V
U
Y
R(YUV)
L(YUV)
R1
L1
V1
S IN
V
U
Y
R(YUV)
L(YUV)
R1
L1
V1
L1
V1
R1
L1
V1
R OUT
L OUT
MON OUT
L OUT
MON OUT
L
5
4
3
2
1
VIDEO IN 2
C921 XX
JW1900
XX
TERMINAL S
VIDEO IN 1
PROTECTION
PROTECTION
PROTECTION
AUDIO MUTE
AUDIO MUTE
MONITOR OUT
BUFFER
AMP GAIN
ADJUST
AUDIO MONO
BUFFER
R9019
100
CHIP
R9020 100 CHIP
R9018 100 CHIP
R9036 100 CHIP
R9017 100 CHIP
JW1901 5.0MM
A
JACK
(BLOCK 006)
F
5
C
2
A
D
4
A
1
EE
12
G
B
D
118
C
107
B
F
96
G
3
5V5V
5V5V
B-BX1S12304-CKD.-(BLOCK 006)-BM142M70
TO A BOARD
(001)
CN007
9V
9V
B:CHIP
XX
CH:CHIP
1 16V
F:CHIP
XX
PROTECTION
XX
PROTECTION
PROTECTION
PROTECTION
UDZSTE-175.6B
PROTECTION
XX
JACK,PIN 3P
XX
CH:CHIP
470P
CH:CHIP
XX
CH:CHIP
XX
F:CHIP
UDZSTE-179.1B
PROTECTION
XX
PROTECTION
UDZSTE-175.6B
PROTECTION
UDZSTE-175.6B
CHIP
1K
PHONO JACK, 3P
1-817-296-11
1-770-329-13
XX
XX
XX
XX
181729511
XX

Related product manuals