EasyManua.ls Logo

Sony UP860 - S1 Acceptor Overview and Features; S1 Acceptor Features Description

Sony UP860
26 pages
Print Icon
To Next Page IconTo Next Page
To Next Page IconTo Next Page
To Previous Page IconTo Previous Page
To Previous Page IconTo Previous Page
Loading...
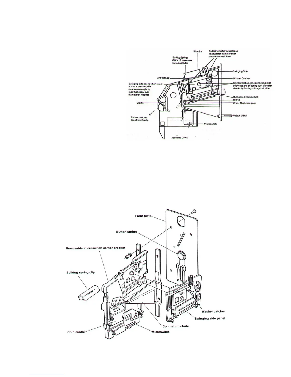
Fig. 1 S1 Acceptor
S1 Acceptor
A single coin mechanical 'Roll Down' acceptor,
it is jam resistant and comes complete with
accept - reject assembly. It is economical in
size/shape, simple in construction and easy to
adjust. It incorporates the Marinyl
switch/cradle assembly (fitted as standard)
and is also available with meter microswitch
bracket or flip flap assembly.
Features
Track adjustable or preset
for all coins from 17mm-30mm
Coin on cotton catch
Washer catcher
Diameter, thickness and
ferrous content check
Tests for underweight
coins/fraud
S/S front plate with up to 4 entries
Reject button and reject outlet
Lockout coil wound for most
AC and DC voltages
Busy B bounce resistant coin microswitch
Indirect entry available
Indirect reject available
Anti-strimmer wire available
for use with marinyl cradle

Related product manuals