EasyManua.ls Logo

Sony VTX-D800U - Multimedia Processor & Clock Generator

Sony VTX-D800U
38 pages
Print Icon
To Next Page IconTo Next Page
To Next Page IconTo Next Page
To Previous Page IconTo Previous Page
To Previous Page IconTo Previous Page
Loading...
ABCDE F
G
HI JKLMN
1
2
3
4
5
6
7
8
9
10
11
- 23 -
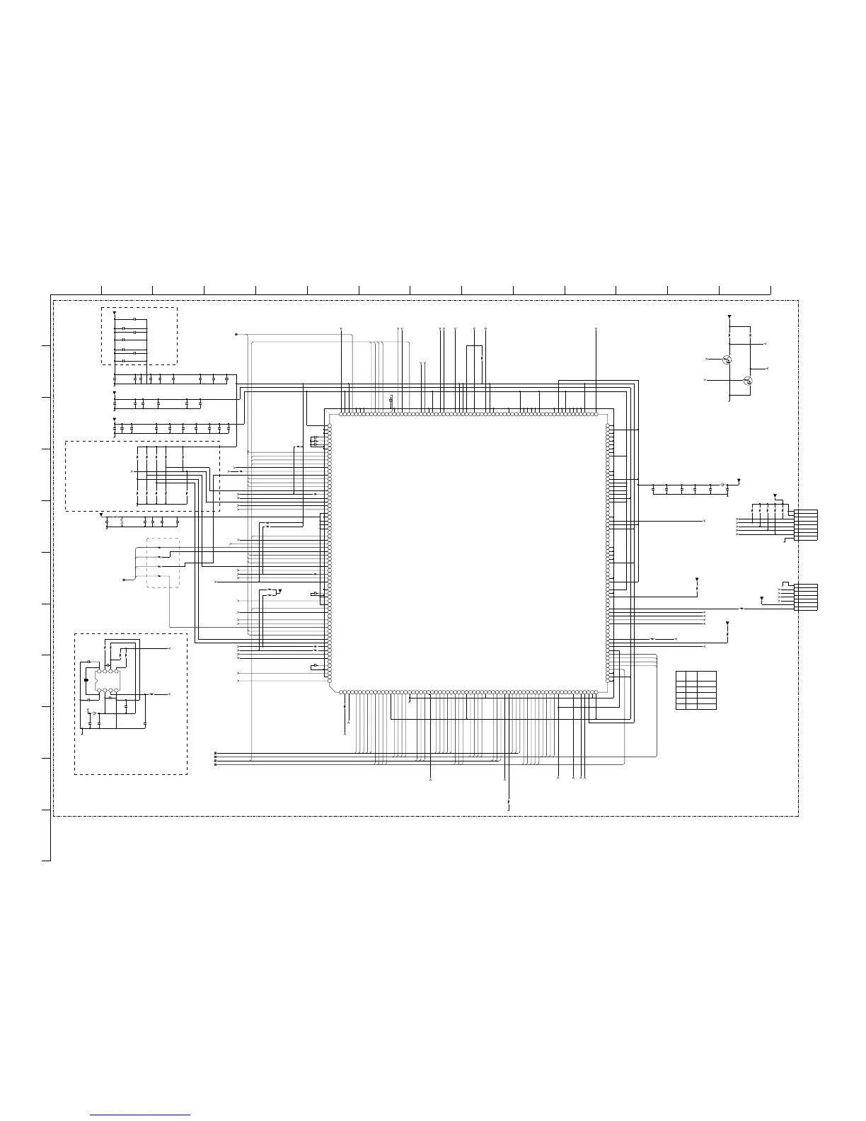
~ B Board Schematic Diagram [ Multimedia Processor & Clock Generator ] Page 1/6 ~
8765
4321
FS6128-04
IC200
X1
VCC
AIN
GND 27M
VCC
GND
X2
PWM_OUT
CLK27M
1000p
C204
13.5MHz
X200
+3V3
10k
R201
SMARTLINK_RX
4.7k
R206
+3V3
JTDO
VAR
+3V3
+1V5
XX
R203
DBA0,DBA1,DCASB,DCLK,DCLKB,DCSB,DQM0,DQM1,DQS0,DQS1,DRASB,DVREF,DWEB
JTMS
RSTOUT
SCL_0
NRBB
STBY_LED_2
GND
NCLE
VACOMP
NALE
TXD_1B
CLK27M
VAY
RDATA[0-15]
AVS_INTB
JTCLK
100R209
SPDIF
DADD[0-12]
RSTSWB
10kR204
FCS1B
FOEB
SDA_0
FWEB
JTDI
DQ[0-15]
VAG
PWM_OUT
JEDINT
RXD_1B
JTRST
VAB
4.7kR205
VAC
IR_IN_0
SMARTLINK_TX
ALRCK,ADO,ABCK,AMCK
STBY_LED_1
JIG_MODE
CHANNEL_UP_SW
CHANNEL_DOWN_SW
STBY_SW
TUNER_RESETB
+3V3
IR_IN_0
RSTSWB
IR_IN_0B
RSTSW
100R208
+2V5
JIG_MODE
1/10W
10k
R240
+3V3
CTS_1B
RTS_1B
SDA_1
SCL_1
+3V3
4.7kR241
4.7k
R242
TXD_1B
RTS_1B
RXD_1B
CTS_1B
10V
4.7
C247
10V
4.7
C248
10V
4.7
C249
10V
4.7
C250
100
R243
100R244
10V
4.7
C259
1/10W
10k
R252
XX
C200
XXC201
0uH
FB200
0uH
FB205
1
2
3
4
5
6
7
8
WHT
8P
CN202
VCC
VCC
JIG_MODE
CTS
RTS
RXD
TXD
GND
STP0_CLK,STP0_DAT[0-7],STP0_EN
1/10W
10k
R253
+3V3
16V
0.1
C207
16V
0.1
C206
16V
0.1
C222
6.3V
1
C246
6.3V
1
C219
6.3V
1
C245
16V
0.1
C220
16V
0.1
C223
+1V5
16V
0.1
C215
16V
0.1
C224
6.3V
1
C227
16V
0.1
C230
16V
0.1
C252
16V
0.1
C254
6.3V
1
C251
6.3V
1
C255
16V
0.1
C260
6.3V
1
C212
10
4.7
C241
1/10W
10k
R256
1/10W
10k
R257
1/10W
10k
R258
10k
R259
XX
R260
XX
R261
XX
R262
XX
R263
0.1
C202
16V
0.1
C203
16V
16V
0.1
C209
16V
0.1
C211
16V
0.1
C213
16V
0.1
C217
0.1
C232
0.1
C233
0.1
C234
0.1
C235
0.1C236
0.1
C238
16V
0.1
C239
16V
0.1
C242
16V
0.1
C210
0.1
C216
16V
47
R264
1/10W
47
R265
1/10W
47
R266
1/10W
47
R267
1/10W
47
R268
33
R200
1/10W
25V
0.01
C218
1/10W
4.7k
R269
1/10W
4.7k
R270
GND
DTC114YUA-T106
Q201
DTC114YUA-T106
Q202
16V
0.1
C244
+3V3
1 2 3 4 5 6 7 8 9 1011121314151617181920212223242526272829303132333435363738394041424344454647484950515253545556575859606162636465
89
90
91
92
93
94
95
96
97
98
99
100
101
102
103
104
105
106
107
108
109
110
111
112
113
114
115
116
117
118
119
120
121
122
123
124
125
126
127
128
129
130
161162163164165166167168169170171172173174175176177178179180181182183184185186187188189190191192193194195196197198199200201202203204
205
206
207
208
209
210
211
212
213
214
215
216
217
218
219
220
221
222
223
224
225
226
227
228
229
230
240
231
232
233
234
235
236
237
238
239
241
242
243
244
255
256
245
246
247
248
249
250
251
252
253
254
257
258
259
260
66 67 68
69
72
70
71
75
73
74
78
76
77
81
79
80
84
82
83
87
85
86
88
131
132
133
137
135
136
134
139 138140147159 146158 155 143145160 144157 151 150152154 148156 142 141153 149
264
263
261
262
268
272
271
267
266
265
270
269
UPD61120F1-100-JN1
IC201
CMDVCC0
PPORT34
RXD2B/PPORT53
PPORT49
DADD4
DADD5
DADD7
DADD8
DADD11
DRASB
DCLK
DQM0
DQS1
VDD2
DQ9
DQ11
DQ13
DQ15
GND2
CTS0B/PPORT46
RD ATA 9
RD ATA 2
RDATA10
TXD4B/PPORT52
PPORT48/TXD0B
DADD2
DADD6
DADD10
DADD9
DADD12
DCASB
DQM1
DVREF
VDD2
DQ8
DQ10
DQ12
DQ14
GND2
PPORT45/RTS0B
RD ATA 0
RD ATA 8
RD ATA 1
TXD3B/PPORT54
STP_STRT
DADD3
DADD1
DADD0
DBA1
DBA0
DCSB
DCLKB
DQS0
DQ6
DQ4
DQ2
DQ0
PPORT44
RXD0BP/PPORT47
MMCLK/DTR0B
RADD1
PPORT36
RADD0
PPORT37
RXD3B/PPORT51
PPORT31/OFF1
RADD4
GRDYB
GND
VDD1
SDIN
AVDD1_6
VRCLKIN
RADD6
PPORT28
RADD5
VDD3
GND
AGND1_6
AGND1_266
MCLKIN
RADD24
RADD7
RADD25
FCSB0
VDD3
AVDD1_266
CLK27IN
AGND1_162
RADD15
RADD23
RADD12
VDD1
VDD2
VDD1
VDD1
VDD1
VDD1
AVDD1_162
SYSCLKIN
EVCK
RADD21
RADD16
RADD22
VDD1
GND
GND
GND
GND
GND
AVSYSCLKIN
AVDD1_16
AGND1_16
FEWB
RADD20
PPORT23/SMRST0
VDD3
GND
GND
GND
GND
VDD1
GND
AVDD1_18
AGND1_18
RADD18
RADD14
RADD19
VDD1
GND
FOEB
PPORT27/SMDAT0
RADD11
VDD1
GND
VAC
CTS1B
MMBCLK
GCSB0
RDATA15
RADD10
SMCLK0
VAY
AGND5
CBPF
MMRINGB/PPORT12
RD ATA 6
RDATA13
RD ATA 7
RDATA14
NAND_SEB
GND
GND
GND
STP_DAT7 / PMSDIO
VDD3
VDD1
JTCK
VDD1
GND
GND
CBPC
CBPD
CBPE
AGND4
STP_EN / PMSINS
RDATA11
RD ATA 5
RDATA12
NAND_ALE
ATX
ADO
STP_DAT1
STP_DAT4 / PMSSCLK
STP_DAT6 / PMSPON
TEST
SDA0
JTDI
JTRST
RSTSWB
VAR
AVDD1
AGND2
AVDD3
AVDD4
AVDD5
OFF0/PPORT25
RD ATA 4
NAND_CLE
TXD1B
ALRCK
ABCK
STP_DAT0
STP_DAT3
STP_DAT5/PMSBS
VDD3
GND2
VDD2
GND2
VDD2
GND2
DWEB
DQ7
DQ5
DQ3
DQ1
PPORT41
PPORT42
STPERRB
PPORT22/MMDOUT/DSR0B
RADD3
PPORT32/SMCLK1
RADD2
PPORT33/SMDAT1
IRIN0
PPORT40
FCSB1
PPORT35
GND
GND
GND
VDD1
PPORT17/MMRST
PPORT19/MMMUTEB/RI0B
ACLKIN
RADD8
RADD17
RADD13
GND
VDD3
PPORT13/MMOFFHOOK
PPORT16/MMDIN
MMPWRCNT/DCD0B
PPORT29/SMRST1
RADD9
PPORT30/CMDVCC1
VDD3
VDD3
PPORT10/RTS1B
PPORT11/MMFS
PPORT18/MMHCO
TMODE2
EDINT
SCL0
JTDO
NMI
EIVHS
AGND1
CBPB
AVDD0
VACOMP
AVDD2
RD ATA 3
NAND_R/BB
GCSB1
RXD1B
PWMOUT
AMCK
STP_CLK
STP_DAT2
TMODE0
TMODE1
SDA1
SCL1
EIVVS
CBPA
AGND0
VAG
AGND3
VAB
JTMS
RSTOUT
16V
0.1
C214
1/10W
10k
R271
GND
XX
R272
NMI
1
2
3
4
5
6
7
7P
CN203
GND
E_RX_2
E_RX_3
E_TX_3
E_TX_2
3V3_EMMA
PPORT35
RXD_2B
RXD_2B
TXD_2B
TXD_2B
TXD_3B
TXD_3B
RXD_3B
RXD_3B
+3V3
0
R273
0
R274
XX
R275
SCART_GPO_1
SCART_GPO_2
XX
R276
1/10W
100
R278
10k
R202
50V
1000p
C240
16V
0.1
C262
16V
0.1
C261
10V
4.7
C208
10V
100
C263
0.1
C264
0.1
C265
0.1
C266
0.1
C267
0.1
C268
0.1C269
0.1C270
100uH
L200
1/10W
1k
R277
1/10W
10k
R279
1/10W
10k
R280
10k
R281
10k
R282
DADD[5]
RSTOUT
DCASB
DADD[4]
RDATA[15]
DADD[12]
RD ATA [6 ]
DADD[2]
DQ[15]
RDATA[11]
DADD[10]
RD ATA [0 ]
RDATA[3]
DADD[6]
RDATA[10]
DQ[8]
DADD[8]
DQM1
DVREF
NRBB
DQ[6]
DADD[7]
NCLE
DQS0
STP0_CLK,STP0_DAT[0-7],STP0_EN
RDATA[12]
DCSB
RDATA[0-15]
DBA0
RDATA[5]
DQ[0]
DBA1
DRASB
DADD[11]
RD ATA [2 ]
DQ[2]
DWEB
DADD[9]
DQ[4]
RD ATA [9 ]
STP0_DAT[2]
STBY_LED_2
RDATA[14]
DQ[7]
DQ[5]
DQ[3]
RDATA[4]
DQ[1]
DCLKB
DADD[1]
DADD[3]
DQ[13]
DQM0
DQ[14]
DQ[11]
RD ATA [1 ]
DCLK
RDATA[13]
RD ATA [8 ]
FOEB
RD ATA [7 ]
STP0_DAT[3]
STP0_DAT[0]
STP0_DAT[1]
DQ[9]
DQ[12]
DQS1
DQ[10]
DADD[0]
FWEB
SCL_1
TMODE2
TMODE0
TMODE1
GRDYB
STP0_CLK
ALRCK
ADO
AMCK
ABCK
STP0_DAT[7]
STP0_DAT[5]
STP0_EN
NALE
RSTSWB
IR_IN_0B
IR_IN_0
RSTSW
+3V3
GND
STP0_STRT
USB_INT
STP0_DAT[6]
STP0_DAT[4]
27MHz CLOCK GENERATION
FOR EJTAG:-
FIT R260, R261, R262, R263, R203
NO-FIT R256, R257, R258, R259, R202.
JTAG CONFIGURATION
FOR NORMAL JTAG:-
FIT R256, R257, R258, R259, R202.
NO-FIT R260, R261, R262, R263, R203.
DEBUG CONNECTOR
PLACE CLOSE TO IC201
C260 TO BE PLACED CLOSE
TO PIN 2, IC200
JL219
JL220
JL221
JL215
JL222
MSINS
MSSCLK
MSPON
MSBS
MSDIO
MS INSERTED
SERIAL CLOCK
POWER ON
BUS STATE
DATA IO
JL PIN SIGNAL
MEMORY STICK INTERFACE
PLACE R200 AND R273 -> R275 CLOSE
TO PINS 5 & 6 RESPECTIVELY
R273 -> R275 ARE PROVIDED AS LINK
OPTIONS FOR THE ICS3721
Ground stiching for
3.3V Close to Power
Plane
For Front and Side of PCB
B
B..-VTX-D800
1/6

Related product manuals