EasyManua.ls Logo

Sony XVS-9000-C - Page 190

Sony XVS-9000-C
204 pages
Print Icon
To Next Page IconTo Next Page
To Next Page IconTo Next Page
To Previous Page IconTo Previous Page
To Previous Page IconTo Previous Page
Loading...
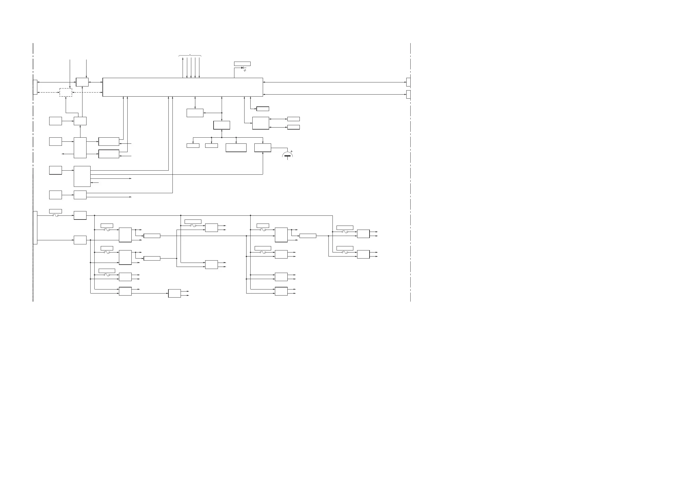
VPR-129 (2/2)
CNG1
PHY
PHY_RESET
IC3601
PHY
IC3701
PHY_RESET
from CADEC (IC2)
CLOCK
BUF
25MHz
25MHz
REG
1.8V
IC3208 IC3205
CLOCK
BUF
IC3202
25MHz
X'tal
X3202
25MHz
to CADEC
(IC2)
PROGRAMABLE
PLL
IC3206
PROGRAMABLE
PLL
IC3206
CPU
IC3
from
CADEC(IC2)
From
CADEC(IC2)
CLOCK
GENERATOR
IC3204
14.3MHz
X'tal
X3203
from
CADEC(IC2)
to FPGA(IC1)
100MHz(PCI and SATA)
100MHz(PCIE_REFCLK)
CLOCK
BUF
IC3203
125MHz
X'tal
X3204
to FPGA(IC1)
125MHz(REF)
125MHz(TSEC)
CNB1
HOT
SWAP
IC1331
F1331
15A/65V
+12V
EN_DET
Q1701,1702,1703
DC_ENBL EN
F1602
10A/125V
DC-DC
1.5V
IC1603
+1.5V-CPU
1.5V_CPU_PG
(to IC2)
F1405
5A/125V
DC-DC
0.85V
IC1407
+0.85V
DC_DET
IC1332
EN
0.85V_PG(to IC2)
F1601
5A/125V
DC-DC
1.0V
IC1601
+1.0V-CPU1/+1.0V-CPU2
DC_DET
IC1333(1/2)
EN
1.0V_CPU_PG(to IC2)
F1603
10A/125V
DC-DC
3.3V
IC1602
+3.3V-CPU/+3.3V_2
3.3V_PG(to IC2)
DC-DC
3.3V
IC1702
+3.3V-C
DC-DC
1.2V
IC1701
+1.2V-C
CADEC_PG(to IC2)
DC-DC
1.5V
IC1604
+5V
5.0V_PG
(to IC2)
F1402
5A/125V
DC-DC
1.35V
IC1404
+1.35V
DC_DET
IC1333(2/2)
EN
1.35V_PG(to IC2)
F1403
10A/125V
DC-DC
2.5V
IC1405
+2.5V
+2.5V_PG(to IC2)
DC-DC
3.3V
IC1403
+3.0V-F
3.0V_F_PG(to IC2)
DC-DC
3.3V
IC1402
+3.3V-F
3.3V_F_PG(to IC2)
F1501
10A/125V
+1.5V
FPGA
IC1501
F1502
10A/125V
+1.0V
FPGA
IC1405
+1.0V
1.0V_PG(to IC2)
+1.5V
1.5V_PG(to IC2)
SO-DIMM
(2GB)
IC3401
I2C
BUS
IC3302
NVRAM
IC3305
NVRAM
IC3307
I2C
TEMPERATURE
SENSOR
IC3304
REAL TIME
CLOCK
IC3306
14.318MHz
BH3301
RS232C
DRIVER
IC3503 CN3502
RS232C
CN3503
RS232C
CN3501
SDHC
CN3505
CN3506
SATA_0
SATA_1(EXT)
CPU_LAD
CPU_IRQ
CPU_INIT
CPU_RESET
CPU_LCLK
from CADEC (IC2)
D2831
CPU_RESET
100MHz
66.6MHz
PG
XVS-9000-C/XVS-8000-C/XVS-7000-C/XVS-6000-C
7-38

Table of Contents

Related product manuals