EasyManua.ls Logo

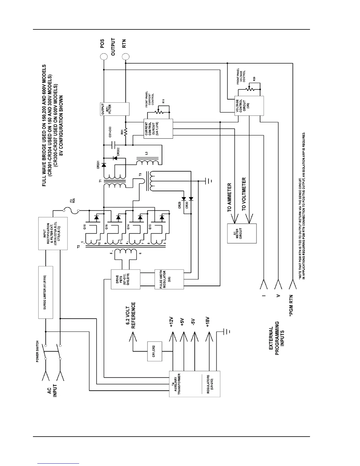
Sorensen DCS40-25E - Figure 3-1 Simplified Full Bridge Converter

Default Icon
65 pages
Print Icon
To Next Page IconTo Next Page
To Next Page IconTo Next Page
To Previous Page IconTo Previous Page
To Previous Page IconTo Previous Page
Loading...
Theory of Operation Sorensen DCS Series 1kW and 1.2kW Supplies
3-2 M362500-01 Rev H
Figure 3-1 Simplified Full Bridge Converter

Table of Contents

Related product manuals