EasyManua.ls Logo

Space SFL 5535 - Page 70

Space SFL 5535
94 pages
Print Icon
To Next Page IconTo Next Page
To Next Page IconTo Next Page
To Previous Page IconTo Previous Page
To Previous Page IconTo Previous Page
Loading...
30/04/13
70
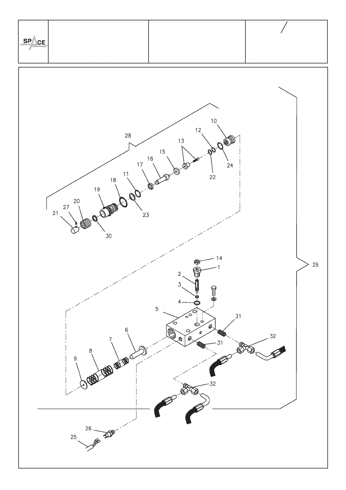
Denominazione tavola - Table definition
Valida per i modelli - Apply to models
N°tavola
Table no
Indice di modifica
Change index
0579-M080-0-P1
5/0
VALVOLA DI ALLINEAMENTO
PEDANE
FOOTBOARD ALIGNMENT
VALVE UNIT
SFL 5535 - SFL 5535 I

Table of Contents

Related product manuals