EasyManua.ls Logo

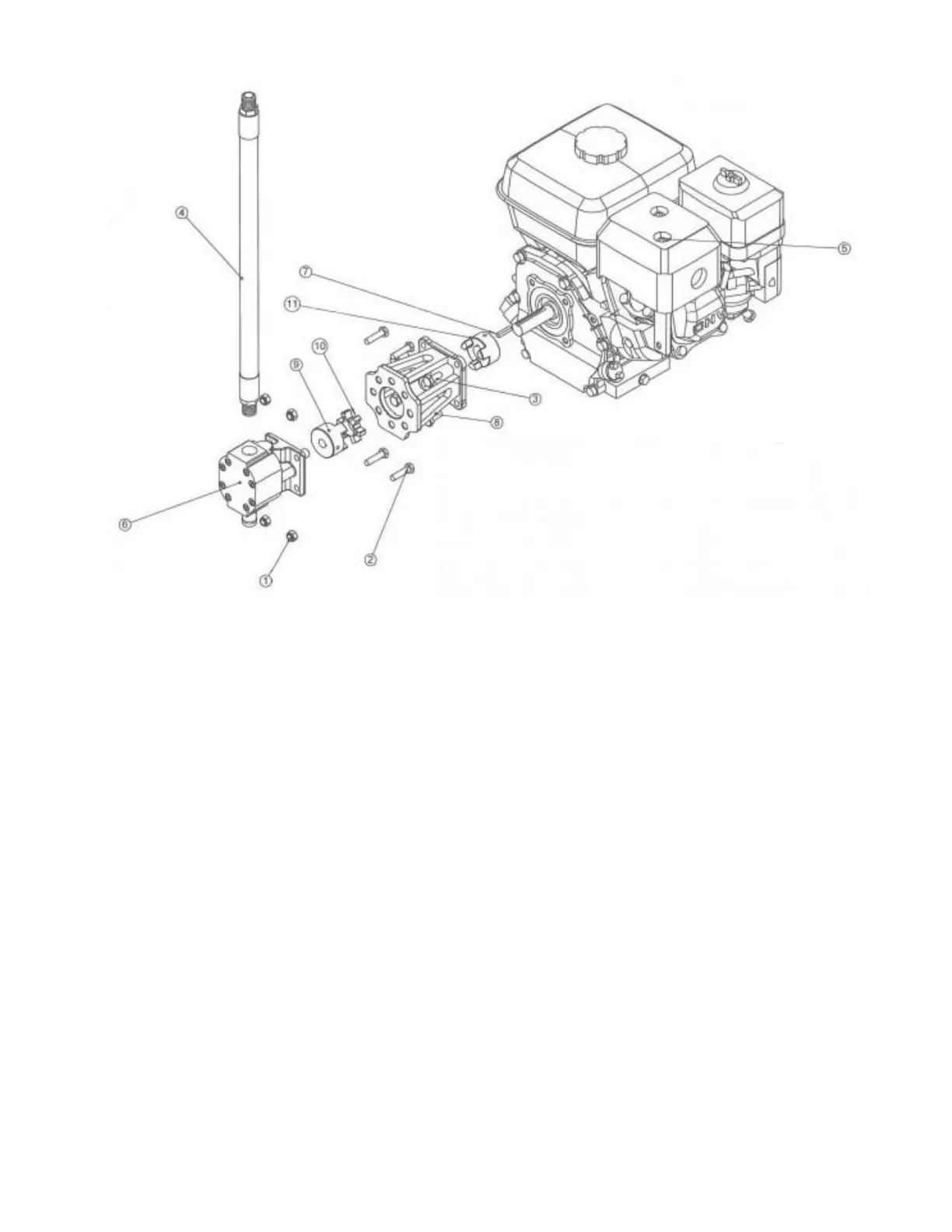
SpeeCo SplitMaster 40151000 - Illustration 3: Engine;Pump Assembly Diagram

SpeeCo SplitMaster 40151000
17 pages
Print Icon
To Next Page IconTo Next Page
To Next Page IconTo Next Page
To Previous Page IconTo Previous Page
To Previous Page IconTo Previous Page
Loading...
Page 12
1 O/L 5/16”-18 UNC Nylock Nut 4
2 O/L 5/16” x 1-1/4 Grade 5 Bolt 4
3 O/L M8 x 1.25 x 20mm Bolt 4
4 39026100 Pressure Hose 1
5 39053900 196 cc Engine 1
6 39071800 2.5 GPM Pump 1
7 40034800 3/16” x 1” Square Key 1
8 40081200 Pump Mount 1
9 400833L0 Law Coupler, 1/2” Bore 1
10 400834L0 Spider for Jaw Coupler 1
11 400835L0 Jaw Coupler, 3/4” Bore 1
Reference Part Number Description Qty.
No.
Engine/Pump Assembly
Illustration 3

Related product manuals