EasyManua.ls Logo

Spheros Thermo E 200 - Burner

Spheros Thermo E 200
62 pages
Print Icon
To Next Page IconTo Next Page
To Next Page IconTo Next Page
To Previous Page IconTo Previous Page
To Previous Page IconTo Previous Page
Loading...
Thermo E 200 / 320 3 Description of assemblies and components
301
3 Description of assemblies and
components
The water heaters Spheros Thermo E 200 and E 320,
are used in conjunction with the vehicle heating system
to heat the passenger compartment
to defrost the windows as well as
to preheat water-cooled vehicle engines.
The water heater operates independently from the vehicle
engine and is connected to the cooling system, the fuel
system and the electrical system of the vehicle. It is bolted
to the vehicle chassis or is secured using an additional
cross beam.
Heat is generated by combustion of liquid fuels. The heat
it transferred to a coolant circulation system via the
heater's heat exchanger. Intermittent operation adjusts
the heater to changing heat demand.
The control unit controls heater activation and deactiva-
tion based on the temperature sensor signals.
The heaters of the Thermo E series mainly consist of the
following main components:
Burner
Combustion chamber
Heat exchanger
A circulating pump, preferably controlled by the control
unit, is externally installed in the system, or for compact
devices directly on the heater. An external control of the
circulating pump (UPFA) is for the Thermo E not provided.
.
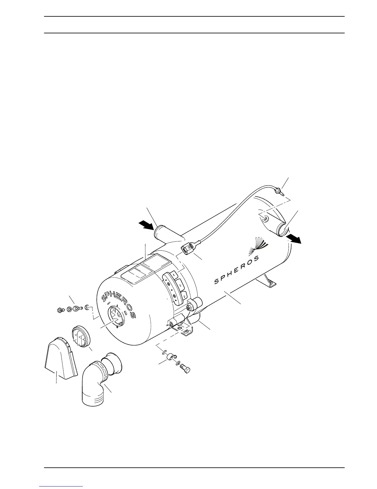
1
2
3
5
6
7
8
9
10
11
4
1 Burner
2 Coolant, intake
3 Sensor plug
4 Temperature sensor
with integrated over-
heating protection
5 Coolant, outlet
12
6 Heat exchanger
7 Exhaust outlet
8 Fuel, return
9 Combustion air, intake
10 Fuel, flow
11 Splashguard
(screen alternative)
12 Screen
13 Hot air elbow
(incl. adapter)
(screen alternative)
13

Other manuals for Spheros Thermo E 200

Related product manuals