EasyManua.ls Logo

Spraying Systems Co TeeJet 844-E - CHAPTER 2 - MOUNTING SPRAYER COMPONENTS; Pressure Regulator Plumbing

Spraying Systems Co TeeJet 844-E
36 pages
Print Icon
To Next Page IconTo Next Page
To Next Page IconTo Next Page
To Previous Page IconTo Previous Page
To Previous Page IconTo Previous Page
Loading...
2
www.teejet.com
844-E Sprayer Control
CHAPTER 2  MOUNTING SPRAYER COMPONENTS
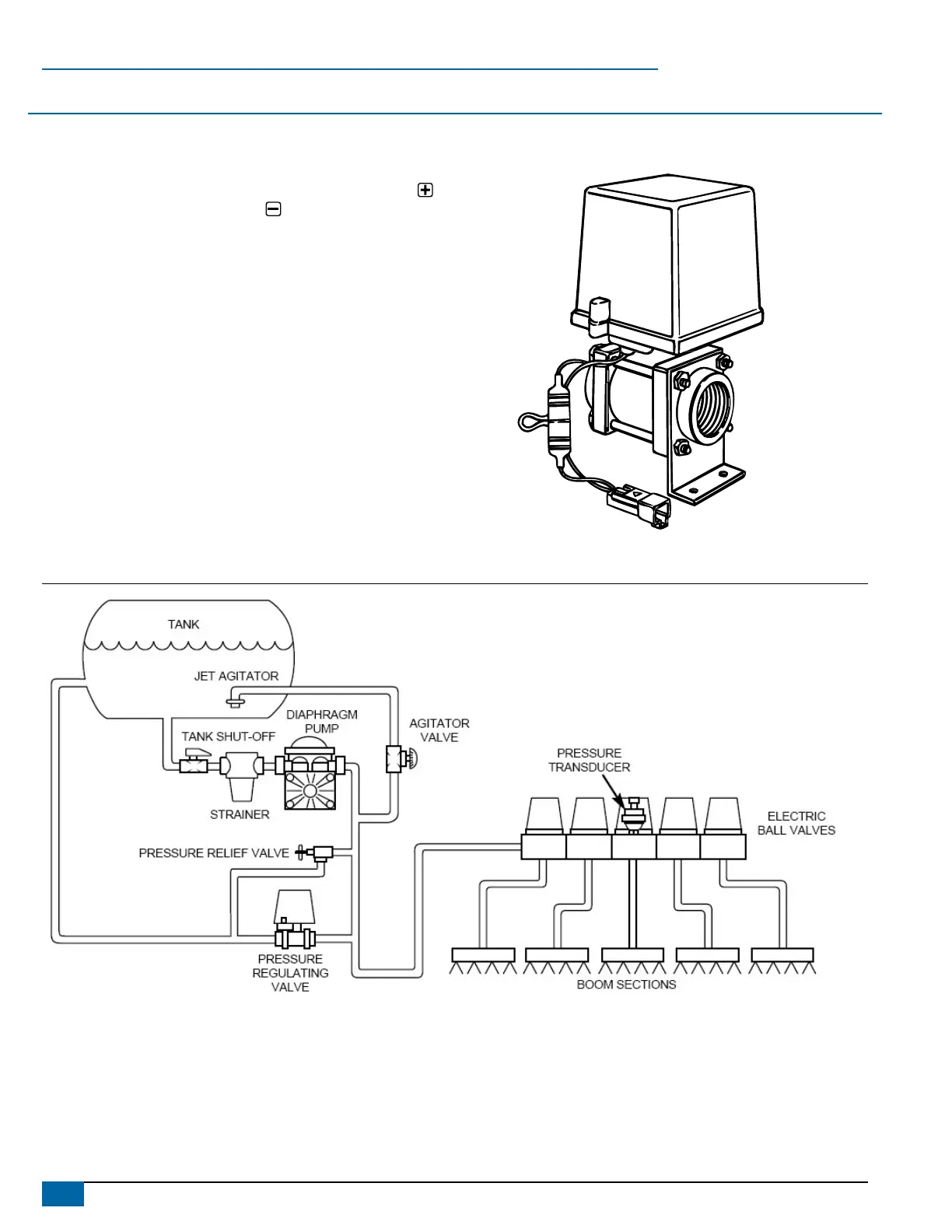
Pressure Regulator in Bypass Mode
All pressure regulating valves for the 844 will be wired for use in a by-
pass system. While plumbed in a by-pass mode, with the Auto/Manual
key in the “MAN” mode, the valve should close when the Plus key is
pressed and open when the Minus key is pressed.
The pressure regulating valve can also be mounted in a throttling
situation as an alternative location. Refer to pages 3 and 4, and Figures
3 and 4.
NOTE: The diagrams in Figures 1 and 2 are shown as general
guidelines to follow when plumbing the 844 components. The
type of pump used and location of other components can
vary from sprayer to sprayer. It is important to ensure that if a
pressure transducer is used, it is located as close to the spray
tips as possible. Normally, this is at the boom control valves.
However, if one particular boom section is always used, the
pressure transducer can be mounted on that particular boom
section. If a flow meter is used, make sure that all of the flow
going through the flow meter is directed to the spray tips. Make
sure that proper distance is allowed on the inlet and outlet side
of the flow meter (refer to Figures 2 and 3).
Figure 1: Bypass Plumbing Diagram - Pressure Based System

Table of Contents

Related product manuals