EasyManua.ls Logo

SPRIANO Series - 2 Description

SPRIANO Series
48 pages
Print Icon
To Next Page IconTo Next Page
To Next Page IconTo Next Page
To Previous Page IconTo Previous Page
To Previous Page IconTo Previous Page
Loading...
OPERATING MANUAL
MN-SST50
ED-17-09
SPRIANO® TECHNOLOGIES - www.spriano.it spriano@terranova-instruments.com
a TERRANOVA® Srl brand - www.terranova-instruments.com - VAT IT07848810151
Factory & Sales: Via Gramsci 1 26827 Terranova dei Passerini (LO) Italy
Head Office: Via Rosso Medardo 16 20159 Milano Italy Ph: +39 0377 919119 Fax: +39 0377 855720
Pag. 6/48
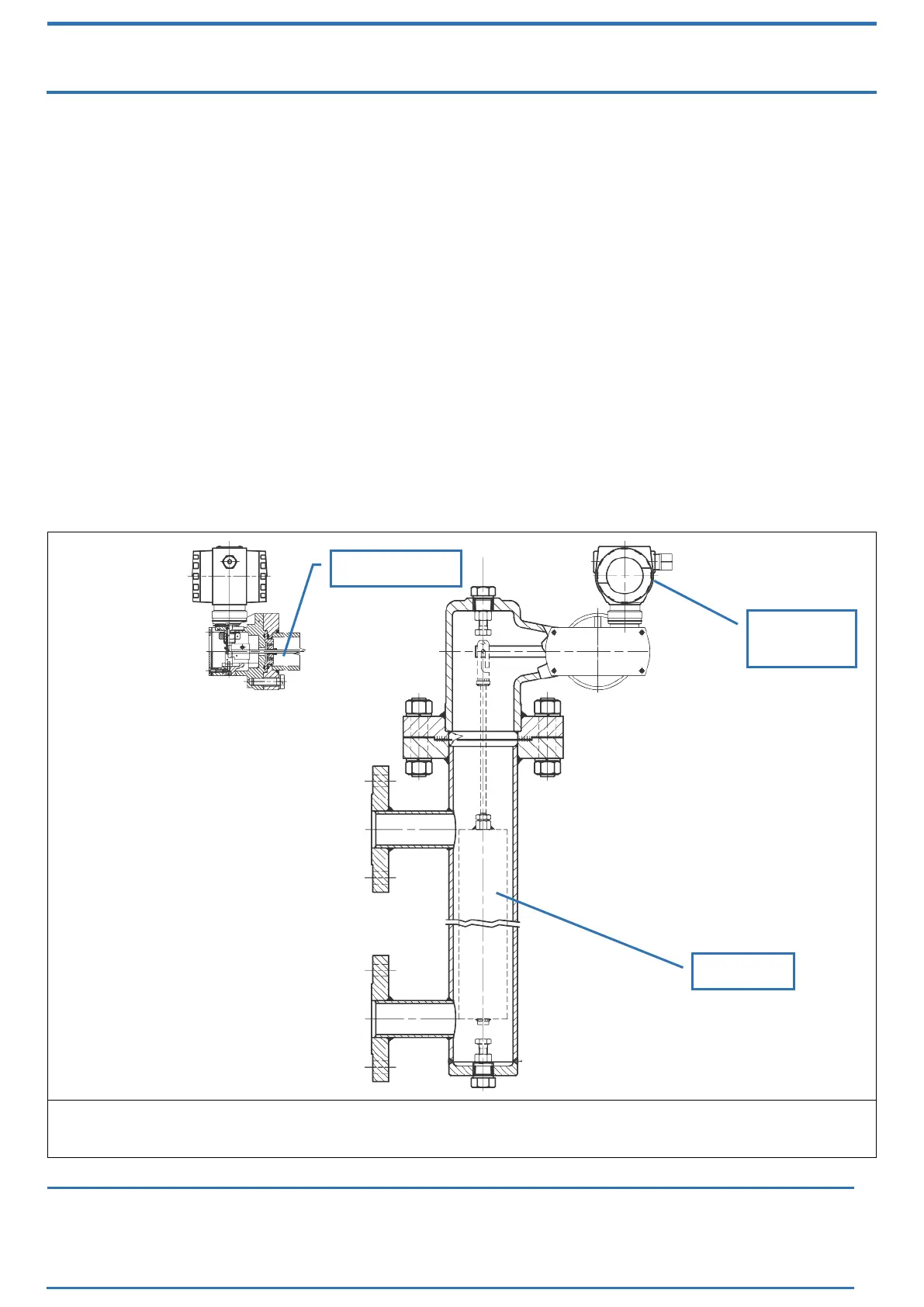
2 DESCRIPTION
The SST50 series SMART level transmitters are microprocessor based instruments that combine
the analog signal advantages (4-20mA) together with the flexibility of digital communication
using HART® protocol. They can be remotely configured by a universal hand held terminal (HHT)
or by PC with a dedicated interface.
Moreover, it is possible to configure locally the instruments (zero and span) by means of push
buttons and to display the data on the wide LCD display. The transmitter series SST50 measures
liquid levels, density and interface levels in closed or open vessels. It converts buoyant force
exerted by a displacer immersed in a liquid to a proportional current signal thanks to a
mechanical forces transmission device based on a torque tube and a piezoresistive sensor.
The SPRIANO® measuring cell contains the sensor and transmits the level value to the
electronics. Thermal drift is compensated using the temperature signal generated by a PTC
thermistor integrated in the sensor itself. Based on these readings the microprocessor generates
the 4-20mA analog output “two wires system” and displays the measurement on the LCD. Some
of the main characteristics of this microprocessor based transmitter are:
- Wide Rangeability;
- Automatic temperature compensation;
- Digital communication using HART® protocol.
Figure 1: SST50 torque tube level transmitter
Torque Tube
Displacer
Electronic
Enclosure

Related product manuals