EasyManua.ls Logo

Spring Air Systems HT-B - SBA10 C One Sequence Wash Plumbing Schematic; MP20 C Two Sequence Wash Electrical Schematic; MP20 H Two Sequence Wash Electrical Schematic

Default Icon
38 pages
Print Icon
To Next Page IconTo Next Page
To Next Page IconTo Next Page
To Previous Page IconTo Previous Page
To Previous Page IconTo Previous Page
Loading...
_____________________________________________________________________________________________
Spring Air Systems Water Wash Ventilator Maintenance Manual 11/01
25
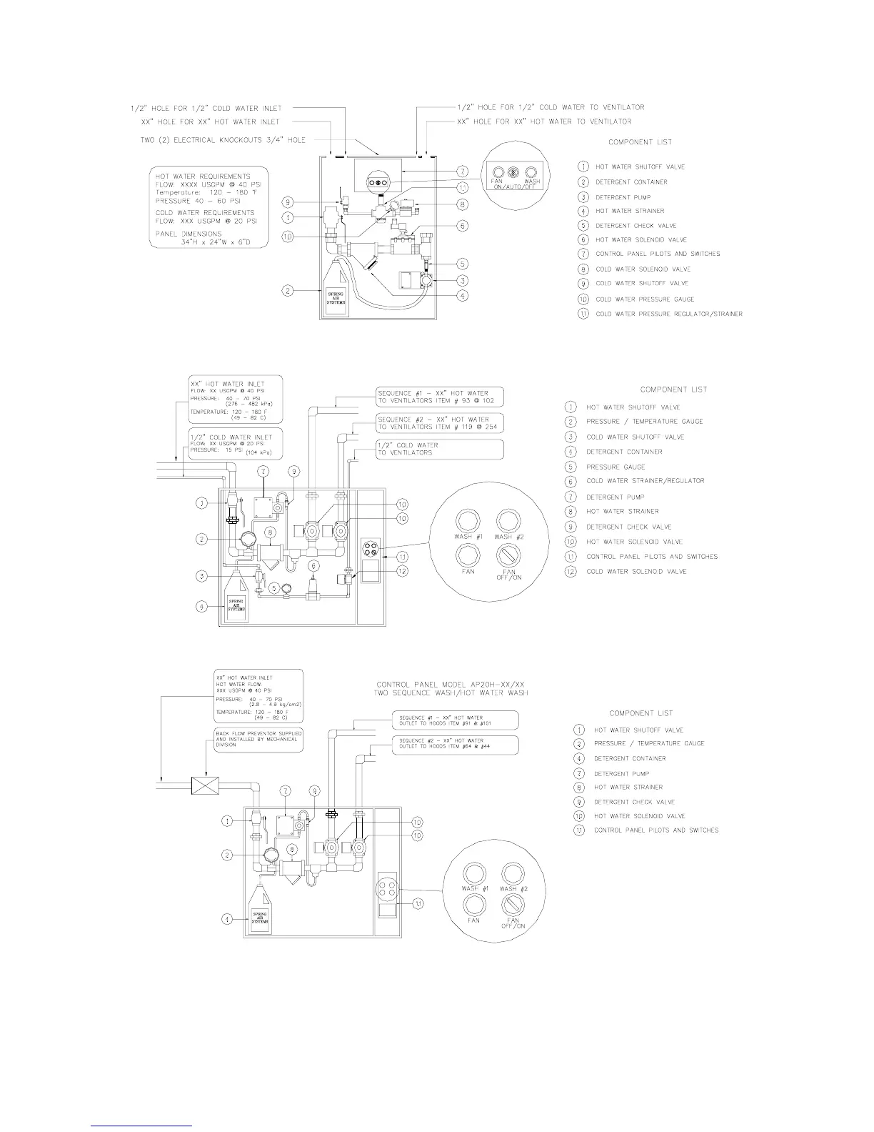
SBA10C hot water wash/cold water spray plumbing
Figure 29
MP20C two sequence hot water wash/cold water spray plumbing
Figure 30
MP20H two sequence hot water wash plumbing
Figure 31