EasyManua.ls Logo

SPX APV W+35/35 - Pump Dimensions

SPX APV W+35/35
Print Icon
To Next Page IconTo Next Page
To Next Page IconTo Next Page
To Previous Page IconTo Previous Page
To Previous Page IconTo Previous Page
Loading...
30
381616 ISS Q 11.2004
381333 ISS S 05.98381616 ISS Q 11.2004 381334 ISS S 05.98 381335 ISS S 05.98
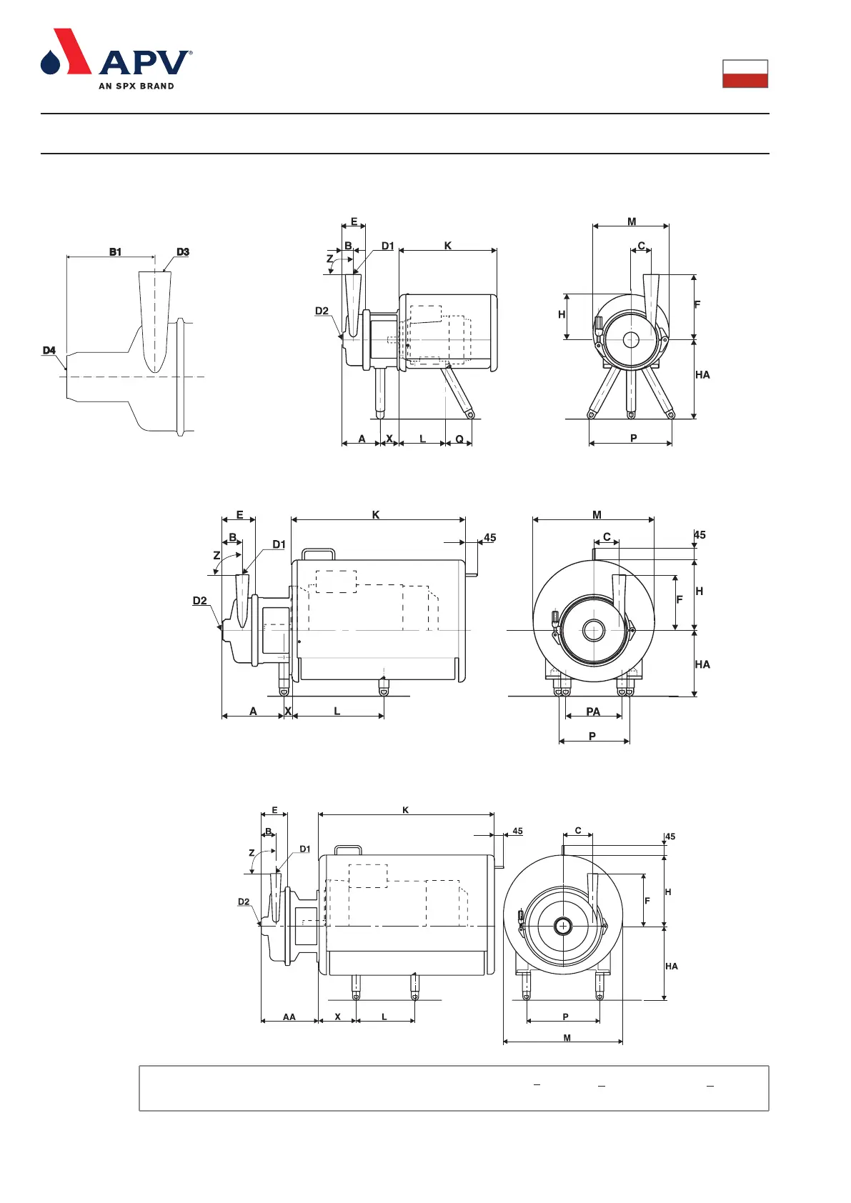
7. Wymiary pompy / Pump dimensions
TG. 1
Silnik 80 - 132M
Pompa Wi+
TG. 2
Silnik 160M - 200L
TG. 3
Silnik 225S - 250M
+ 2 mm
Others
Pozostałe
+ 5 mm
K
+ 1.5°
Z 90°
Nominal
Nominalna
D
1
, D
2
+5
-0
F mm
+0
-5
B, mm
Tolerances:
Tolerancje:
453450 ISS Q 11.2004

Related product manuals