EasyManua.ls Logo

SPX APV W+35/35 - Page 43

SPX APV W+35/35
Print Icon
To Next Page IconTo Next Page
To Next Page IconTo Next Page
To Previous Page IconTo Previous Page
To Previous Page IconTo Previous Page
Loading...
35
381616 ISS Q 11.2004
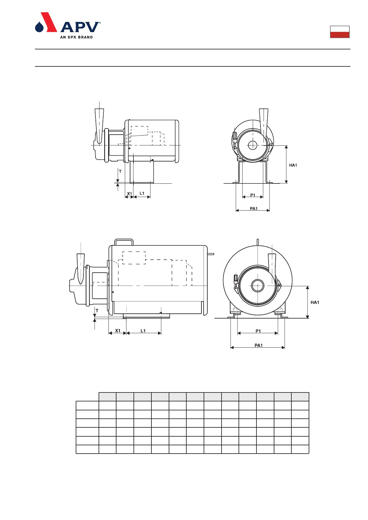
90S 90L 100L 112M 132S 132M 160M 160L 180M 180L 200L80
50X1 56 56 63 70 112 112 108 108 121 121 158
125 125 140 140 178 178 254 254 279 279 305100L1
216 216 236 266 292 292 358 358 379 379 432201PA1
225 225 225 225 225 225 225 225 225 225 225225HA1
TG. 11 - 12
Ze wspornikiem typu B
With bracket type B
Silnik 80 - 200L
6 6 6 6 6 6 6 6 6 6 106T
140 140 160 190 216 216 254 254 279 279 318125P1
TG. 11
Silnik 80 - 132M typ B
TG. 12
Silnik 160M - 200L typ B
7. Wymiary pompy / Pump dimensions
381339 ISS S 11.2004381338 ISS T 09.2005

Related product manuals