EasyManua.ls Logo

STA-RITE Max-E-Therm® - Max-E-Therm Wiring Diagram; Connection Diagram

STA-RITE Max-E-Therm®
57 pages
Print Icon
To Next Page IconTo Next Page
To Next Page IconTo Next Page
To Previous Page IconTo Previous Page
To Previous Page IconTo Previous Page
Loading...
P/N S794 Rev. B 6-23-08
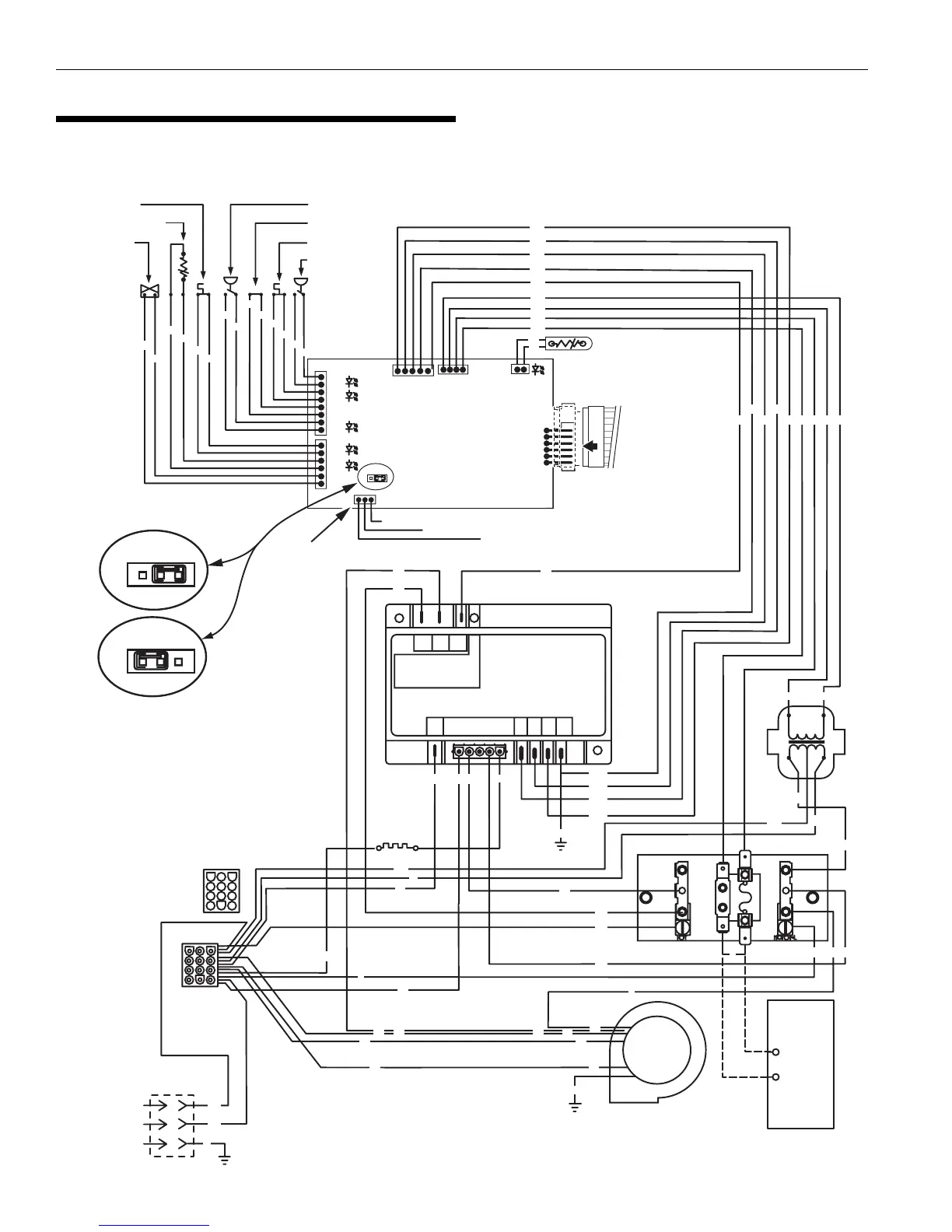
30
MAX-E-THERM
®
WIRING DIAGRAM
(3-WIRE SYSTEM)
Section 2. Installation
Plug –12 pin
120V – Black
240V – Red
JMP
1
JMP
1
External Control Interface Circuit Disabled,
Heater Membrane Pad Enabled
External Control Interface Circuit
Enabled, "Pool On" and "Spa On"
Keys Disabled. "OFF" Key on
Membrane Pad Remains Functional
.
JMP3
CONNECTION DIAGRAM
AGS Switch
Stack Flue Sensor
Gas Valve
Air Flow Switch
Extra Switch 1
Hi-Limit Switch
Pressure Switch
VAL
TH
IND
GND
24VAC
24VAC
FS
THERMISTOR
OPERATING CONTROL
1
PS
HLS
ES1
AFS
AGS
SFS
GAS
MEMBRANE PAD
CONNECTION
Spa Line
Common Line
Pool Line
IGNITION CONTROL
MODULE
DIAGNOSTIC INDICATOR
F1 F2
24
VAC
S1
240
S1/
120
L1
L1
L2
BM
FL
F1
L2
S2
TH IND
VA L GND
GND
GND
BLOWER
Line 2
120 VAC
IGNITER
TRANS
Line 1
Ground
JUNCTION BOX
F
I
R
E
M
A
N
S
S
W
I
T
C
H
Replace jumper with
leads to Fireman"s
Switch (field installed)
24VAC
SEC
Y/W
Y/W
Y/R
Y/O
Y/BL
O
W
W
BK
BK
O
GY
GY
BK
BK
R
Y
BK
W
BL
Y
BK
W
BL
GY
GY
GY
GY
BK
BK
W
RRW
G
Y
R
R
Y
YY
W
BK
Y/W
W
W
R
R
BL
BL
O
O
O
O
PR
PR
Y/R
Y/BL
Y/O
Y/W
Y
Y
Y
Y
Y
Y
Y
YYY
BR
BR
External Control Interface
Y
NOTICE: Touching any 24VAC wire, including
the Fireman's Switch wire, to any 120/240V
terminal while the heater is connected to line
power will immediately destroy the control
board and void the warranty.
BK
R
GND
G
12 Position
Receptacle
1
Y/R
Y/BL
Y/O
Y/W
NA/LP
Models Only
6
1
J6
Figure 26.

Table of Contents

Related product manuals