EasyManua.ls Logo

STEAMCORE SPA II - Page 10

STEAMCORE SPA II
32 pages
Print Icon
To Next Page IconTo Next Page
To Next Page IconTo Next Page
To Previous Page IconTo Previous Page
To Previous Page IconTo Previous Page
Loading...
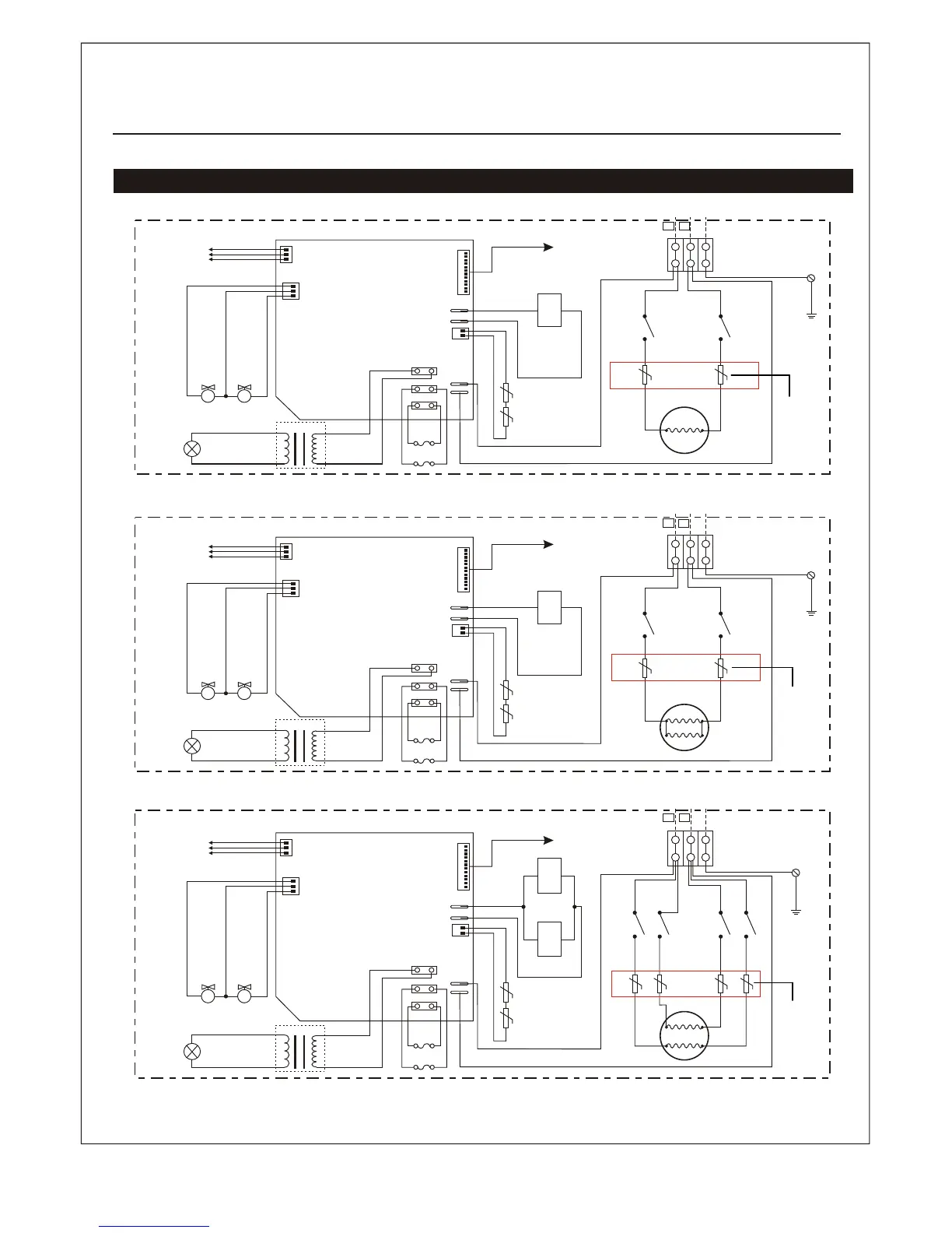
J2-1
J2-2
J1-2
J1-1
J1J2
S S
Supply
Red
Black
Red
Black
Red
Red
To Control Panal
Fill water valve
Drain water valve
Terminal Block
Yellow/Green
Red
Black
Red
Black
Yellow
Red
Black
Red
Red
Red
Red
Water Level Sensor
Red(Short Pin)
Black(Long Pin)
Yellow(Middle Pin)
Red
Black
Red
Blue
Brown
Red
Light
J1-1
J1-2
J1
S S
L1
G
Supply
Red
Red
Black
To Control Panal
Fill water valve
Drain water valve
Terminal Block
Yellow/Green
Red
Black
Red
Black
Yellow
Red
Black
Red
Red
Red
Red
Water Level Sensor
Red(Short Pin)
Black(Long Pin)
Yellow(Middle Pin)
Black
Red
Blue
Brown
Red
Light
J1-1
J1-2
J1
S S
Supply
Red
Red
Black
To Control Panal
Fill water valve
Drain water valve
Terminal Block
Yellow/Green
Red
Black
Red
Black
Yellow
Red
Black
Red
Red
Red
Red
Water Level Sensor
Red(Short Pin)
Black(Long Pin)
Yellow(Middle Pin)
Black
Red
Blue
Brown
Red
Light
L2
Black
Black
Wiring Diagram 240V(1PH)
N L
L1
G
L2
N L
L1
G
L2
N L
Optional
Optional
Optional
Steamcore Spa ** 3kW (240V - 1PH)
Steamcore Spa ** 4.5kW (240V - 1PH)
Steamcore Spa ** 6kW / 7.5kW / 9kW (240V - 1PH)
Steamcore Spa **
auto reset
hi-limit
auto reset
hi-limit
auto reset
hi-limit
manual
reset
hi-limit
manual
reset
hi-limit
manual
reset
hi-limit
European Connection
( L2 = N "Neutral")
8