EasyManua.ls Logo

SteamSpa 9KW - Installation of the Top Light

Default Icon
28 pages
Print Icon
To Next Page IconTo Next Page
To Next Page IconTo Next Page
To Previous Page IconTo Previous Page
To Previous Page IconTo Previous Page
Loading...
SteamSpa PHONE: 800-856-0172 FAX: 866-560-5662 http://steamspa.com info@steamspa.com
Page 13
INSTALLATION & USER GUIDE
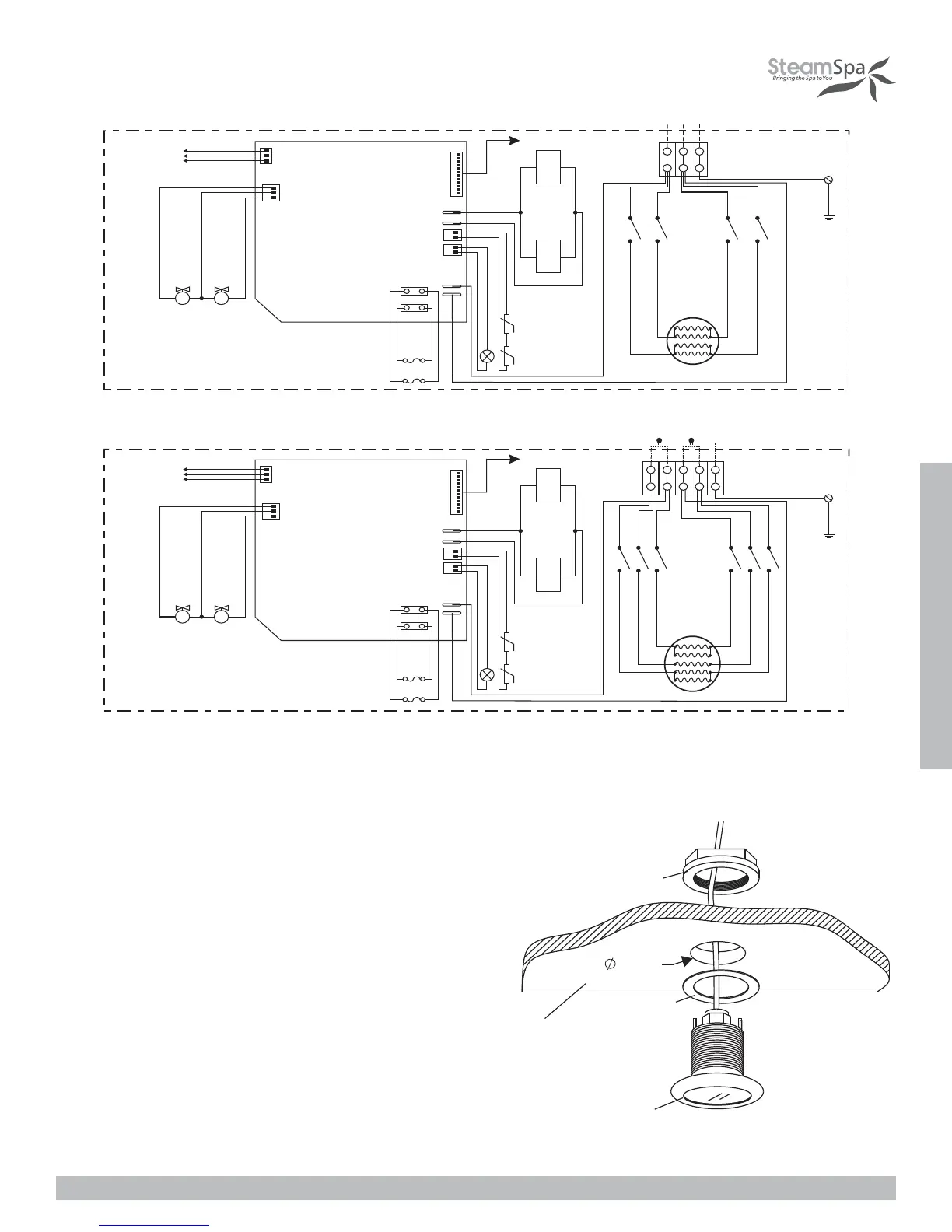
INSTALLATION OF THE TOP LIGHT
CAUTION! The power of the light should not surpass 3
watts(rated power) to prevent the damage of the transformer.
1. A whole set is equipped with AC 12V 3 watt LED lamp.
2. The light should be installed on the ceiling of the steam
room or in a location not accessible to children.
CAUTION! Installer must take some moisture proof measures
in the process of installation. Electrophorus components cannot
be exposed to moisture, as it will cause damage to the light
components causing a possible short circuit.
T o C ont rol P a ne l
Fill water valve
Drain water valve
Te r m i na l B l oc k
J1-1
J2-1
J2-2
J1-2
J1J2
S S
G
Ye l l ow / Gre e n
R e d
B l a c k
R e d
Black
White
B la c k
Yellow
R e d
B l a c k
Red
Red
Red
Red
Su p p ly
R e d
B l a c k
Black
L1
Wa ter Le ve l Se nsor
Red ( S h o r t P i n )
Bl ack ( Lo n g P i n )
Yel l o w ( Mi d d l e P i n )
S1200
L2
Red
Bl ack
Red
Red
Black
Black
Red
S1050
T o C ont rol P a ne l
Fill water valve
Drain water valve
Te r mi na l B l oc k
J1-1
J2-1
J2-2
J1-2
J1J2
S S
G
Ye l l ow / Gre e n
R e d
B l a c k
R e d
Black
White
B la c k
Yellow
R e d
B l a c k
Red
Red
Red
Red
R e d
B l a c k
Black
L1
Wa ter Le ve l Se nsor
Red ( S h o r t P i n )
Bl ack ( Lo n g P i n )
Yel l o w ( Mi d d l e P i n )
L2
Red
Bl ack
Red
Red
Black
Bl ack
Red
J3-1
Bl ack Bl ack
J3-2
Red Red
S1500
4 5 mm
Rubber G as ket
Tighten N ut
LED light
Ceiling of s team room

Related product manuals