EasyManua.ls Logo

StepperOnline T6 - Page 8

StepperOnline T6
18 pages
Print Icon
To Next Page IconTo Next Page
To Next Page IconTo Next Page
To Previous Page IconTo Previous Page
To Previous Page IconTo Previous Page
Loading...
Quick Start of T6 AC Servo
8
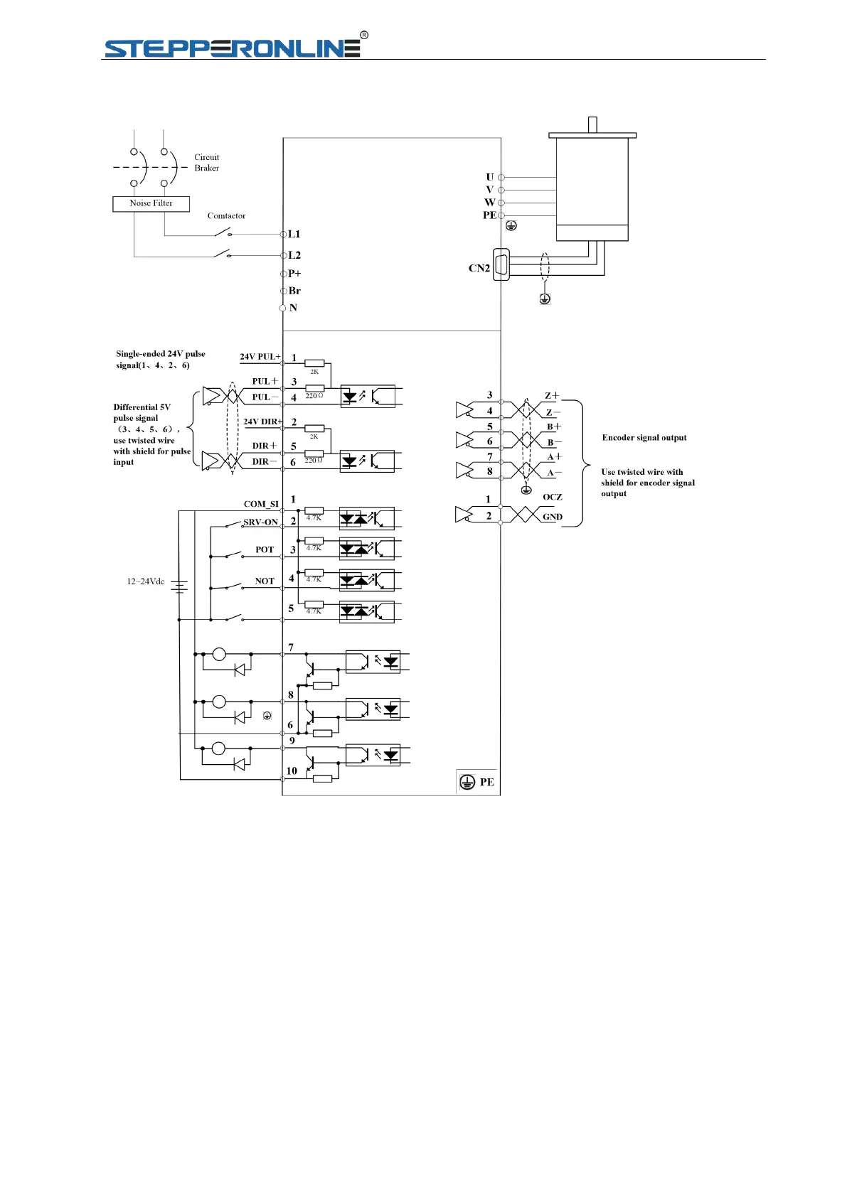
2.1.1.2 Wiring sketch map.