EasyManua.ls Logo

Stiga ZT 3107 T

Stiga ZT 3107 T
59 pages
To Next Page IconTo Next Page
To Next Page IconTo Next Page
To Previous Page IconTo Previous Page
To Previous Page IconTo Previous Page
Loading...

ZT 3107 T
Chapter
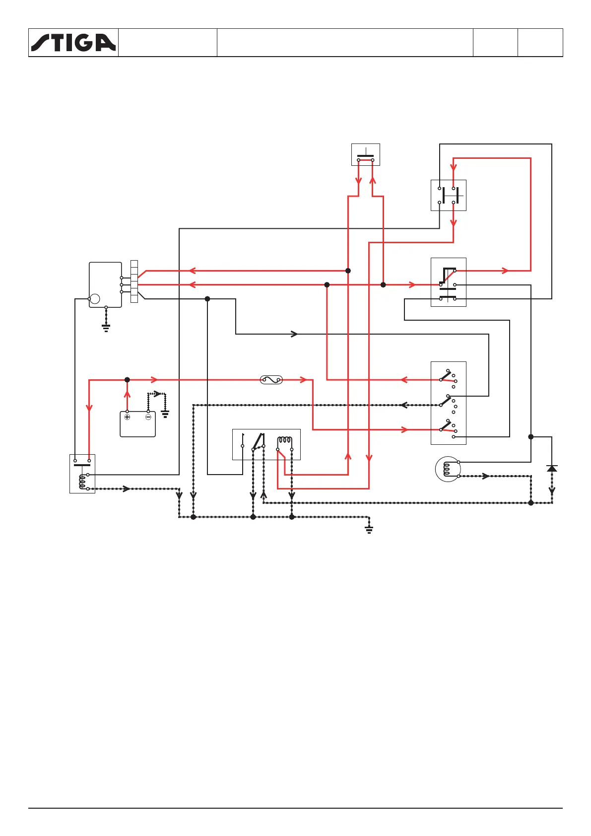
7 - ELECTRICAL SYSTEM

2017


d) Ignition key in the «RUN» position


BK
YE-RE
BK-WH
WH/BK
BR
PU
RE/GR
GR/WH
BR/YE
GR/WH
RE/GRBR/YE
YE/REBR/WH
BR/WH
RE
BK
BK
RE
PU
YE/RE
YE/RE
PU
WH/BK
WH/BK
A
B
BK
BK
13
24
BR
RE
RERE
RE
PU
YE/RE
3
1
2
4
5
6
2 1
1
3
7
4
9
B
G
G
S
B
B
L
M
B
86 8587a 8730
2
1
Colour Circuit
 
 
 
 
Cable Color
 
 
 
 
 
 
 
Components
 




 
 
 
 
 
 
 
 
 
 

Table of Contents

Related product manuals