EasyManua.ls Logo

STOVES 900GTF - Functional Flow Diagram

STOVES 900GTF
46 pages
Print Icon
To Next Page IconTo Next Page
To Next Page IconTo Next Page
To Previous Page IconTo Previous Page
To Previous Page IconTo Previous Page
Loading...
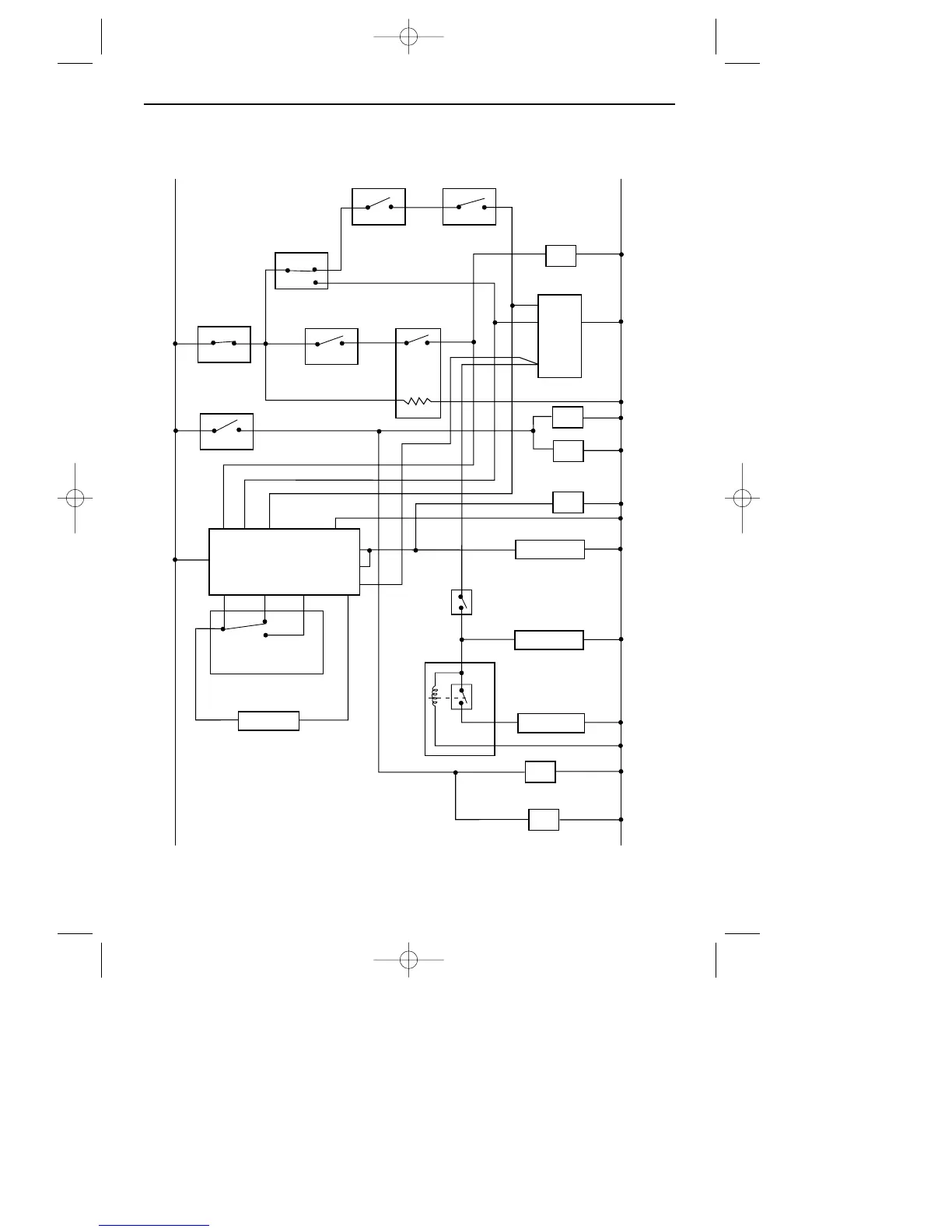
FUNCTIONAL FLOW DIAGRAM
L
N
L1
L2
L3
L
SL2
SL1
C
NC
NO
N
SL3
GRILL
SWITCH
TOP OVEN
SWITCH
THERMAL
CUTOUT
MAIN OVEN
SWITCH
PROGRAMMER
GRILL DOOR
SWITCH
MAIN OVEN
INDICATOR
RE-IGNITER
TOP
LIGHTS
TOP
INDICATOR
DOUBLE
SOLENOID
OVEN
DOOR
SWITCH
SINGLE
SOLENOID
MAIN OVEN
FAN
BOTTOM
LIGHTS
FAN
RELAY
BOARD
PRESSURE
SWITCH
LOGIC CONTROL
PCB
LIGHT
SWITCH
22
18291 01 04/11/2002 12:19 Page 24

Related product manuals